Запчасти Case IH 930-SERIES (090) - TRANSMISSION, SLIDING GEAR SHAFT (06) - POWER TRAIN

Схема запчастей Case IH 930-SERIES - (090) - TRANSMISSION, SLIDING GEAR SHAFT (06) - POWER TRAIN
10
16
13
37
30
25
4
15
21
35
14
19
12
23
10
2
22
17
33
5
11
4
8
7
9
1
6
20
3
9
32
36
34
24
18
5
31
FIT
1:1
100%

Артикул

Название

Примечание

Количество

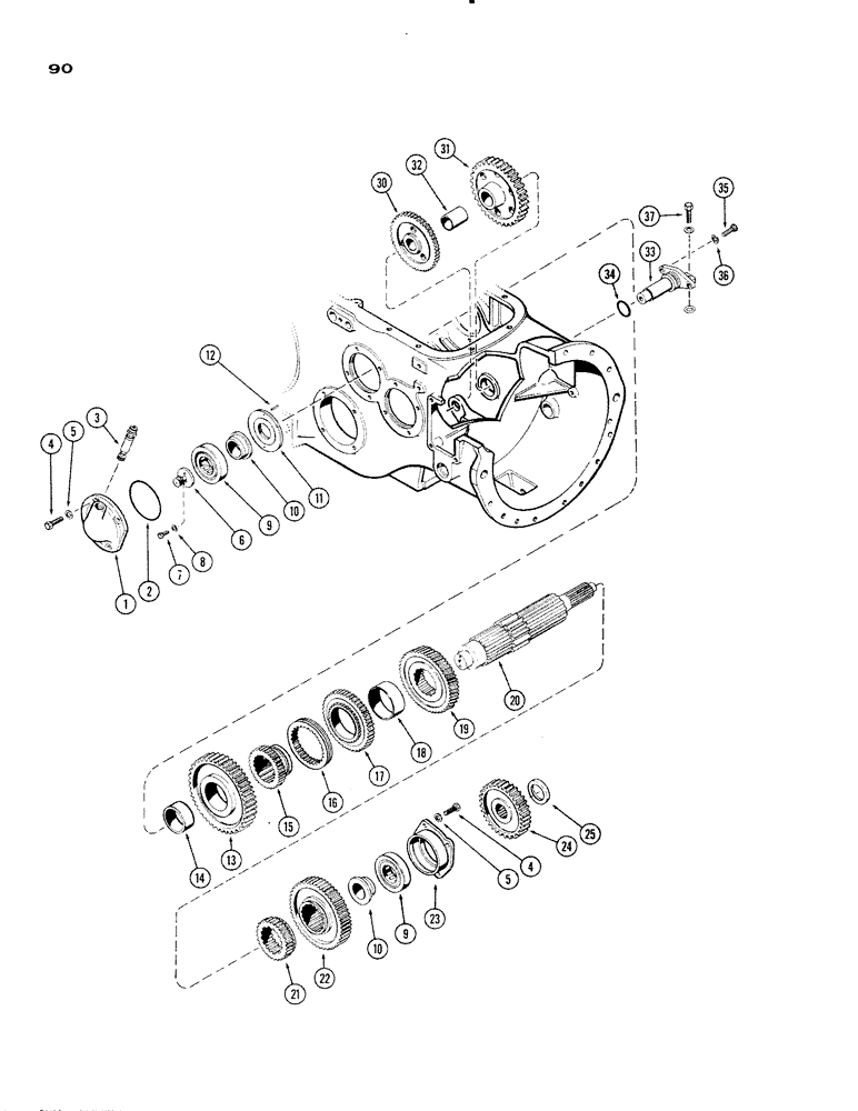
1

A11342

CARRIER - brg. and speedometer gears

1шт.

2

A23316

O-RING,0.139" Thk x 4.484" ID, -246, Cl 5, 75 Duro

"O" RING - carrier (4-1/2 x 4-3/4 x 1/8")

1шт.

3

A11341

GEAR

- driven, speedometer

1шт.

4

13-820

BOLT,Hex, 1/2" - 13 x 1-1/4", Gr 5, Full Thd

Carrier Hex, 1/2"-13 x 1 1/4", G5, Full Thd

8шт.

5

92-8

LOCK WASHER,1/2"

8шт.

6

A11340

GEAR

- drive, speedometer

1шт.

7

14-616

BOLT,Hex, 3/8" - 24 x 1", Gr 5

- drive gear (3/8 x 1" N.F. hex.)

2шт.

8

92-6

LOCK WASHER,3/8"

2шт.

9

A9997

BALL BEARING

BEARING - sliding gear shaft

2шт.

10

A9996

RACE - bearing, inner

2шт.

11

A9994

WASHER

- ret., 1st speed gear

1шт.

12

138-68

LOCK PIN,5/32" x 7/16", Slotted

PIN, , Washer 5/32" x 7/16", Slotted

1шт.

13

A21334

GEAR ASSY - 1st speed (47 teeth), Includes: Ref. 14

1шт.

14

A9892

BUSHING - 1st speed gear (2-7/8 x 3-1/4 x 1-1/2")

1шт.

15

A21326

COLLAR - 4th speed brg. clutch (38 teeth)

1шт.

16

A21325

SLEEVE - 1st and 4th gear

1шт.

17

A21327

GEAR ASSY - 4th speed sliding (36 teeth), Includes: Ref. 18

1шт.

18

NSS

NOT SOLD SEPARAT

BUSHING - 4th speed gear (3-7/8 x 4-1/8 x 1-1/2")

1шт.

19

A34177

GEAR

- 3rd. speed sliding (39 teeth) (w/yellow paint spot) (Replaces A24481)

1шт.

20

A21324

SHAFT - sliding gear

1шт.

21

A21330

GEAR - 6th speed sliding (23 teeth)

1шт.

22

A21331

GEAR - 2nd speed and reverse sliding (42 teeth)

1шт.

23

A9951

CARRIER - bearing (left side)

1шт.

24

A21332

GEAR - 5th speed sliding (33 teeth)

1шт.

25

A26758

OIL SEAL

SEAL - oil, sliding gear shaft (1-1/8 x 1-27/32 x 7/16")

1шт.

30

A10007

GEAR - oil thrower (34 teeth), reverse idler

1шт.

31

A21321

GEAR ASSY - idler (37 teeth), reverse, Includes: Ref. 32

1шт.

32

A7939

BUSHING - idler gear (1-7/16 x 1-5/8 x 2-1/4"), reverse

1шт.

33

A23036

SHAFT - reverse idler gears

1шт.

34

A7156

O-RING,0.139" Thk x 1.734" ID, -224, Cl 6, 90 Duro

"O" RING - idler shaft (1-3/4 x 2 x 1/8"), reverse, gear

1шт.

35

A10009

SCREW,Stud, Hex, 1/2" - 13 x 1 1/4", Nylon Insert

BOLT - idler shaft ret. (1/2 x 1-1/4" N.C. self-locking), reverse, gear

2шт.

36

92-8

LOCK WASHER,1/2"

reverse idler gear 1/2"

2шт.

37

13-828

BOLT,Hex, 1/2" - 13 x 1-3/4", Gr 5

- idler shaft (1/2 x 1-3/4" N.C. hex.), reverse, gear

1шт.

Выбрано товаров: 33