Запчасти Case IH 940 (2-016) - DIESEL ENGINE, MULTIPLUNGER FUEL PUMP, SEE PAGE 6 OF SUPPLEMENT, ALSO SEE PAGE 5 (03) - FUEL SYSTEM

Схема запчастей Case IH 940 - (2-016) - DIESEL ENGINE, MULTIPLUNGER FUEL PUMP, SEE PAGE 6 OF SUPPLEMENT, ALSO SEE PAGE 5 (03) - FUEL SYSTEM
FIT
1:1
100%

Артикул

Название

Примечание

Количество

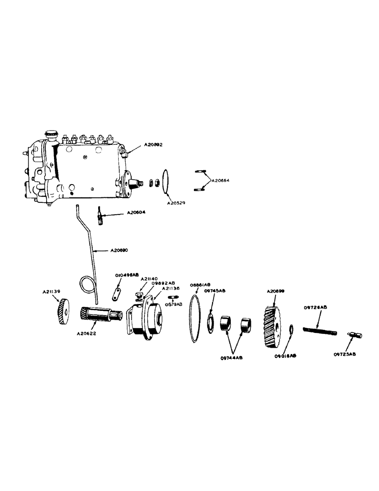
A20529

O-RING,2.598" ID x 2.834" OD

"O" RING - fuel pump to housing

1шт.

A20604

FITTING - lube oil overflow

1шт.

A20622

GEAR

SHAFT AND PINION - fuel pump drive

1шт.

#141 Woodruff key

1шт.

A20664

STUD - fuel, Serial Range: pump-housing

2шт.

3/8" N.F. hex. nut w/plain washer and shakeproof int. lockwasher #1220-00

2шт.

A20690

TUBE - fuel pump lube oil overflow

1шт.

A20892

X

FUEL PUMP - Robert Bosch no. PES-6A-80B-420LS-402/11 (1600 RPM)

1шт.

3/8" x 1-1/2" N.C. hex. bolt w/plain washer and shakeproof int. lockwasher #1220-00

2шт.

A20899

GEAR WHEEL

GEAR - fuel pump drive (fastens to pinion shaft)

1шт.

A21136

HOUSING - fuel pump drive shaft w/ bushings

1шт.

3/8" x 1-1/4" N.C. hex. bolt w/lockwasher

1шт.

3/8" x 1-1/4" N.C. hex. socket hd. bolt w/lockwasher

1шт.

A21137

HOUSING - use A21136

1шт.

A21139

GEAR

- fuel pump drive, Serial Range: (fastens-pump)

1шт.

A21140

PLUG

- timing hole

1шт.

O1579AB

STUD - fuel pump drive housing to cylinder block

1шт.

3/8" hex. nut w/lockwasher

1шт.

O8861AB

X

"O" RING - drive shaft housing

1шт.

O9016AB

X

SNAP RING - drive shaft

1шт.

O9725AB

X

PLUNGER - drive shaft

1шт.

O9726AB

X

SPRING - drive shaft thrust plunger

1шт.

O9744AB

BUSHING - drive shaft housing

2шт.

O9745AB

X

WASHER - drive shaft thrust

1шт.

O9892AB

STUD

GASKET - timing hole plug

1шт.

O10496AB

CLIP - fuel oil leak-off tube

1шт.

3/8" x 1-1/4" N.C. hex. bolt w/plainwasher

2шт.

Выбрано товаров: 27