Запчасти Case IH 966 (13-12) - SUPERSTRUCTURE, STEERING AND GEAR SELECTOR SUPPORTS (05) - SUPERSTRUCTURE

Схема запчастей Case IH 966 - (13-12) - SUPERSTRUCTURE, STEERING AND GEAR SELECTOR SUPPORTS (05) - SUPERSTRUCTURE
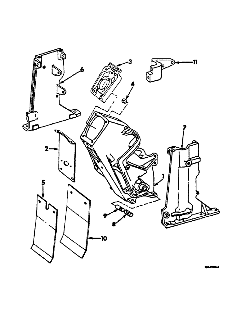
1
4
8
5
7
6
11
3
2
10
9
FIT
1:1
100%

Артикул

Название

Примечание

Количество

1

533306R1

SUPPORT ASSY, steering & gear selector, composed of ref nos. 4, 8 and 9, gear drive tractors

1шт.

179840

BOLT,Hex, 3/8" - 16 x 1 1/8", Gr 5

SCREW, 3/8-16 x 1-1/8 hex-hd cap

4шт.

1

533305R91

SUPPORT W/PIN, 20024R1 and pin, 4060710R1, steering and gear selector, hydrostatic drive and hydro 100 tractors

1шт.

20024R1

PIN

3/8 x 1 dowel

1шт.

406070R1

PIN, range transmission shift

1шт.

179840

BOLT,Hex, 3/8" - 16 x 1 1/8", Gr 5

SCREW, 3/8-16 x 1-1/8 hex-hd cap

4шт.

2

531510R11

COVER ASSY, steering & gear selector support rear, 766 gasoline tractors

1шт.

2

531512R11

COVER ASSY, steering & gear selector support rear, 766 diesel, 966, 1066, 1466, 1468 and hydro 100 tractors

1шт.

369222R1

BOLT,Hex Wshr Hd, 5/16" - 18 x 5/8"

SCREW, 5/16-18 x 5/8 CDP hex. washer hd cap

2шт.

3

539231R91

COVER W/PRODUCT GRAPHIC, steering and gear selector support

1шт.

21327R1

SCREW

5/16-18 x 1-1/4 znd hex-soc hd cap

4шт.

4

382638R2

BUSHING,19.07mm ID x 22.24mm OD x 19.05mm L

range transmission selector cross shaft, gear drive tractors

1шт.

5

538548R1

COVER

W/LINER, 534448R1 and product graphic, gear selector support

1шт.

386858R1

SCREW,Hex Wshr Hd, 3/8" - 16 x 0.75"

3/8-16 x 3/4 CDP hex. washer hd cap

2шт.

6

536659R1

BRACKET

SUPPORT, gear selector left

1шт.

19407R1

PIN,1/4" x 1/2", Slotted

1шт.

186283

BOLT,Hex, 3/8" - 16 x 3 1/2", Gr 5

SCREW, 3/8-16 x 3-1/2 hex-hd cap, hydrostatic drive tractors

3шт.

186283

BOLT,Hex, 3/8" - 16 x 3 1/2", Gr 5

SCREW, 3/8-16 x 3-1/2 hex-hd cap, gear drive tractors

4шт.

413-622

BOLT,Hex, 3/8" - 16 x 1-3/8", Gr 5

SCREW, 3/8-16 x 1-3/8 hex-hd cap, hydrostatic drive tractors

1шт.

536648R1

BUSHING,10.03mm ID x 19.81mm OD x 22.61mm L

gear selector support isomount

4шт.

536642R1

WASHER

13/32 x 1 x .060

4шт.

7

536660R1

BRACKET

SUPPORT, gear selector right

1шт.

19407R1

PIN,1/4" x 1/2", Slotted

1шт.

186283

BOLT,Hex, 3/8" - 16 x 3 1/2", Gr 5

SCREW, 3/8-16 x 3-1/2 hex-hd cap, hydrostatic drive tractors

2шт.

186283

BOLT,Hex, 3/8" - 16 x 3 1/2", Gr 5

SCREW, 3/8-16 x 3-1/2 hex-hd cap, gear drive tractors

4шт.

413-622

BOLT,Hex, 3/8" - 16 x 1-3/8", Gr 5

SCREW, 3/8-16 x 1-3/8 hex-hd cap, hydrostatic drive tractors

2шт.

536648R1

BUSHING,10.03mm ID x 19.81mm OD x 22.61mm L

gear selector support isomount

4шт.

536657R1

WASHER, 13/32 x 7/8 x .060

2шт.

536642R1

WASHER

13/32 x 1 x .060

2шт.

8

398274R1

BUSHING,19.07mm ID x 22.24mm OD x 31.75mm L

transmission cross shaft

1шт.

9

404855R1

SLEEVE CYLINDER

SLEEVE, transmission shift support

1шт.

10

534448R1

STRIP

LINER, cover

1шт.

11

397888R1

BRACKET, support housing mounting, gear drive tractors

1шт.

NLS

NO LONGER SERVICED

2шт.

539232R1

PRODUCT GRAPHIC, speed control

1шт.

145372

CONNECTING LINK

no. 4 x 1/4 C-Z rd-hd blunt metal drive

2шт.

21327R1

SCREW

5/16-18 x 1-1/4 znd hex-soc-hd cap

4шт.

Выбрано товаров: 37