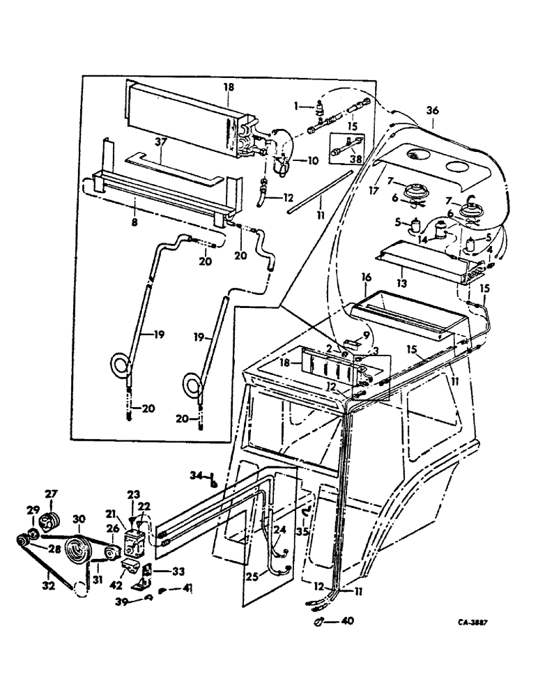
Запчасти Case IH 966 (13-37) - SUPERSTRUCTURE, AIR CONDITIONER AND CONNECTIONS (05) - SUPERSTRUCTURE

Схема запчастей Case IH 966 - (13-37) - SUPERSTRUCTURE, AIR CONDITIONER AND CONNECTIONS (05) - SUPERSTRUCTURE
30
7
40
16
32
15
7
18
23
11
12
11
3
5
34
20
20
25
35
6
15
38
8
20
28
37
19
11
19
14
9
36
22
29
24
27
17
2
10
33
1
12
21
41
15
18
42
20
13
4
5
12
6
26
39
31
FIT
1:1
100%

Артикул

Название

Примечание

Количество

1

539061R2

SWITCH

evaporator low pressure

1шт.

2

1116972

RELAY

1шт.

2

1116972GV

RELAY

1шт.

3

70500C2

SWITCH

thermostat

1шт.

ALSO ACCORDING TO S2848, 70500C2 IS A PKG THAT CONTAINS OLD SWITCH # 539063R3, PLASTICK BAG AND TIE.

1шт.

539810R1

KNOB

switch

1шт.

REF #3 IF DEALER LOOKING FOR OLD STLYE SWITCH WITH 3 SPADES SEE SER. BULL. S2769.

1шт.

4

539069R2

SWITCH

condensor high pressure

1шт.

5

539047R2

MOTOR

condenser

2шт.

6

539048R1

FIN

FAN, condenser

2шт.

139010

SET SCREW,Hex Soc, 1/4"-28 x 5/16"

SCREW, 1/4-28 x 5/16 hex-soc-hd cup point set

2шт.

7

539798R1

CLAMP

ASSY, motor

2шт.

8

539804R1

PAN ASSY, evaporator

1шт.

9

539805R1

PLATE ASSY, switch

1шт.

10

539064R1

VALVE

expansion

1шт.

11

539065R2

HOSE ASSY.,10.32mm ID x 5419.6mm L

HOSE ASSY, cab discharge, replaces 539065R1 hose

1шт.

refer #11 539065R2 - also replaces 537068R1

1шт.

12

539066R2

A/C HOSE,15.88mm ID x 3644.9mm L

HOSE ASSY, cab suction, replaces 539066R1 hose

1шт.

refer #12 539066R2 - also replaces 537069R1

1шт.

13

539068R1

CORE

condenser

1шт.

14

539049R1

TANK

RECEIVER, dehydrator

1шт.

15

539067R2

HOSE

ASSY, cab liquid line

1шт.

16

539811R1

CASTING ASSY, condenser

1шт.

186493

SCREW, 1/4-20 x 5/8 hex-sems

11шт.

113751

GROMMET,1/4" ID x 1" x .062"

2шт.

17

539812R1

TOP ASSY, condenser casting

1шт.

18

539059R1

CORE

evaporator

1шт.

19

67191C1

TUBE, evaporator drip 0.437" ID, 0.5" OD, 90" Length

2шт.

20

65062C1

SPRING, evaporator drip tube

4шт.

21

417888C92

COMPRESSOR

ASSY, heavy duty air conditioner, for components see list of parts under details of compressor

1шт.

21

118250C92

AIR COMPRESSOR

A/C

1шт.

21

1924006C2

REMAN-A/C COMPRESSOR

Remanufactured Compressor Assy

1шт.

21

1924007C1

CORE-A/C COMPRESSOR

Return Number, Compressor Assy

1шт.

70833C1

SEAL

RING, compressor seal dust guard

1шт.

180082

BOLT (SPREADER),Hex, 5/16" - 18 x 1 3/8", Gr 5

SCREW, 3/8-16 x 1-3/8 znd hex-hd cap

1шт.

180124

BOLT,Hex, 3/8" - 16 x 1 1/4", Gr 5

SCREW, 3/8-16 x 1-1/4 znd hex-hd cap

3шт.

120382

LOCK WASHER,Helical Spring, 3/8"

WASHER, LOCK, 3/8"

4шт.

21741R1

WASHER

13/32 x 7/8 x 11 ga znd

3шт.

22

117827C91

LOCK VALVE

VALVE ASSY, service, discharge, replaces 302811C91

1шт.

23

117828C91

LOCK VALVE

VALVE ASSY, service, suction, replaces 302812C91

1шт.

24

537068R1

HOSE ASSY.

HOSE ASSY, compressor discharge, 766, Serial Range: -12234

1шт.

Ref # 24 (537068R1) : per comments in GPN; FOR ABOVE SERIAL # USE 539065R2 SMA 4/29/98

1шт.

24

537068R1

HOSE ASSY.

HOSE ASSY, compressor discharge, 966, Serial Range: -21919

1шт.

Ref # 24 (537068R1) : per comments in GPN; FOR ABOVE SERIAL # USE 539065R2 SMA 4/29/98

1шт.

24

537068R1

HOSE ASSY.

HOSE ASSY, compressor discharge, 1066, Serial Range: -33176

1шт.

Ref # 24 (537068R1) : per comments in GPN; FOR ABOVE SERIAL # USE 539065R2 SMA 4/29/98

1шт.

24

537068R1

HOSE ASSY.

HOSE ASSY, compressor discharge, 1466, Serial Range: -19425

1шт.

Ref # 24 (537068R1) : per comments in GPN; FOR ABOVE SERIAL # USE 539065R2 SMA 4/29/98

1шт.

24

537068R1

HOSE ASSY.

HOSE ASSY, compressor discharge, 1468, Serial Range: -9662

1шт.

Ref # 24 (537068R1) : per comments in GPN; FOR ABOVE SERIAL # USE 539065R2 SMA 4/29/98

1шт.

25

537069R1

HOSE ASSY, compressor suction, 766, Serial Range: -12234

1шт.

Ref # 25 (537069R1) : per comments in GPN; FOR ABOVE SERIAL # USE 539066R2 SMA 4/29/98

1шт.

25

537069R1

HOSE ASSY, compressor suction, 966, Serial Range: -21919

1шт.

Ref # 25 (537069R1) : per comments in GPN; FOR ABOVE SERIAL # USE 539066R2 SMA 4/29/98

1шт.

25

537069R1

HOSE ASSY, compressor suction, 1066, Serial Range: -33176

1шт.

Ref # 25 (537069R1) : per comments in GPN; FOR ABOVE SERIAL # USE 539066R2 SMA 4/29/98

1шт.

25

537069R1

HOSE ASSY, compressor suction, 1466, Serial Range: -19425

1шт.

Ref # 25 (537069R1) : per comments in GPN; FOR ABOVE SERIAL # USE 539066R2 SMA 4/29/98

1шт.

25

537069R1

HOSE ASSY, compressor suction, 1468, Serial Range: -9662

1шт.

Ref # 25 (537069R1) : per comments in GPN; FOR ABOVE SERIAL # USE 539066R2 SMA 4/29/98

1шт.

26

65338C91

CLUTCH

ASSY, 6.00 OD double row ball bearing electric sheave, all tractors except 1468

1шт.

26

539739R1

CLUTCH

ASSY, electric, 7.34 OD, 1468 tractors only

1шт.

27

ALTERNATOR GENERATOR ASSY, for components see list of parts under details of alternator generator listing, group 8

1шт.

28

537070R1

PULLEY

alternator generator, double

1шт.

29

221425R1

FAN

alternator generator

1шт.

30

537071R1

PULLEY

fan, water pump and compressor, all tractors except 1468

1шт.

30

426291C1

PULLEY

FAN, water pump and compressor, 1468 tractor only

1шт.

31

65337C2

V-BELT,0.50" W x 37.63" L

Compressor drive, All except tractors except 1468 0.50" W x 37.63" L

1шт.

31

527621R1

V-BELT,0.38" W x 48.00" L

Compressor drive, 1468 tractors only 0.38" W x 48.00" L

1шт.

32

537072R91

SET OF BELTS

V-matched dual, Fan drive

1шт.

33

539741R2

BRACKET ASSY, freon compressor, 1468 tractors only

1шт.

180124

BOLT,Hex, 3/8" - 16 x 1 1/4", Gr 5

SCREW, 3/8-16 x 1-1/4 znd hex-hd cap

3шт.

120394

WASHER,3/8", SAE

WASHER, 13/32 x 13/16 x 16 ga

3шт.

26257R1

SET SCREW

3/8-16 x 3 zn sq-hd cone-pt set

1шт.

124829

JAM NUT,Hex, 3/8" - 16, Gr 5

3шт.

34

537076R1

CLIP, 90 deg twisted - A/C double hose

1шт.

35

66498C1

CLIP

90 deg - a/c double hose

1шт.

36

111276C1

HARNESS ASSY, relay and condenser, replaces 67260C1 relay cable and 67259C1 condenser cable

1шт.

37

109200C1

SEAL, condensate tray

1шт.

38

TUBE ASSY, switch adaptor, order 539067R2 hose assy

1шт.

39

539745R1

ANGLE, bracket tie, 1468 tractors only

1шт.

180126

BOLT,Hex, 3/8" - 16 x 1 1/2", Gr 5

SCREW, 3/8-16 x 1-1/2 znd hex-hd cap

1шт.

180123

BOLT,Hex, 3/8" - 16 x 1 1/8", Gr 5, Full Thd

SCREW, 3/8-16 x 1-1/8 znd hex-hd cap

1шт.

120382

LOCK WASHER,Helical Spring, 3/8"

WASHER, LOCK, 3/8"

1шт.

120377

NUT,3/8" - 16, Gr 5

2шт.

120394

WASHER,3/8", SAE

WASHER, 13/32 x 13/16 x 16 ga

1шт.

40

537064R1

CLIP, a/c double hose

1шт.

120377

NUT,3/8" - 16, Gr 5

1шт.

180122

BOLT,Hex, 3/8" - 16 x 1", Gr 5

3/8-16 x 1 znd hex-hd cap

1шт.

120382

LOCK WASHER,Helical Spring, 3/8"

WASHER, LOCK, 3/8"

1шт.

41

539746R1

ANGLE, tightener, 1468 tractors only

1шт.

42

537073R4

BRACKET

ASSY, freon compressor, all tractors except 1468

1шт.

120377

NUT,3/8" - 16, Gr 5

3шт.

124829

JAM NUT,Hex, 3/8" - 16, Gr 5

1шт.

180138

BOLT,Hex, 3/8" - 16 x 3", Gr 5

SCREW, 3/8-16 x 3 znd hex-hd cap

1шт.

189304

BOLT,Hex, 3/8" - 16 x 3 1/4", Gr 5

SCREW, 3/8-16 x 3-1/4 znd hex-hd cap

2шт.

26257R1

SET SCREW

3/8-16 x 3 znd sq-nk cone-pt set

1шт.

120382

LOCK WASHER,Helical Spring, 3/8"

WASHER, LOCK, 3/8"

4шт.

21741R1

WASHER

13/32 x 7/8 x 11 ga C-Z slot cover

5шт.

Выбрано товаров: 99