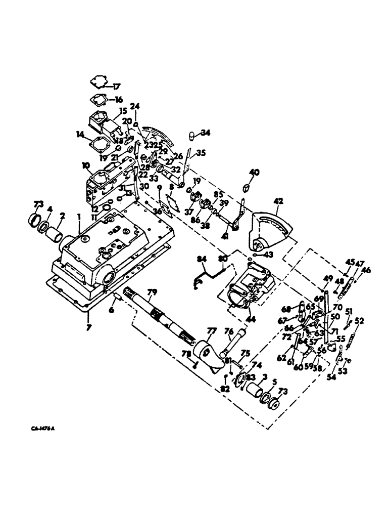
Запчасти Case IH 966 (10-49) - HYDRAULICS, DRAFT CONTROL (07) - HYDRAULICS

Схема запчастей Case IH 966 - (10-49) - HYDRAULICS, DRAFT CONTROL (07) - HYDRAULICS
86
22
56
3
50
6
5
34
53
55
48
84
21
77
85
8
41
18
9
17
15
1
19
73
24
14
46
44
40
47
35
29
12
16
37
61
19
59
75
62
10
39
38
78
33
60
81
80
82
58
27
73
11
28
4
23
67
54
76
2
70
79
68
31
65
69
25
52
49
57
13
20
63
32
42
45
74
51
83
26
43
64
36
30
72
7
FIT
1:1
100%

Артикул

Название

Примечание

Количество

1

398353R91

COVER w/two bearings, bushing and two oil seals, rear frame, gear drive tractors

1шт.

1

528195R92

COVER

w/two bearings, bushing and two oil seals, rear frame, 966 and 1066 hydrostatic drive and hydro 100 tractors

1шт.

20203R1

BOLT,Hex, 5/8" - 11 x 3 7/8", Gr 5

SCREW, 5/8-11 x 3-7/8 hex-hd cap

16шт.

444776

PLUG,Sq Soc, 1/4"-18 NPTF

1/4-18 sq-soc-pipe

1шт.

2

382774R2

BUSHING,70.78mm ID x 76.2mm OD x 80.26mm L

BEARING, rockshaft LH

1шт.

3

382775R2

BUSHING,76.85mm ID x 81.28mm OD x 80.26mm L

BEARING, rockshaft RH

1шт.

4

382776R91

OIL SEAL

rockshaft oil LH

1шт.

5

382778R91

OIL SEAL

rockshaft oil RH

1шт.

6

382798R1

BUSHING

eccentric shaft position control

1шт.

7

380264R2

GASKET

rear frame cover

1шт.

8

382415R1

COVER

valve adj opening

1шт.

179814

SPACER

6шт.

9

382416R1

GASKET

valve adj opening cover

1шт.

10

SUPPORT ASSY, seat RH, for components see list of parts component support listing, group 13

1шт.

1017989R1

PLUG

7/8-14 self aligning

4шт.

179841

BOLT,Hex, 3/8" - 16 x 1 1/4", Gr 5

3/8-16 x 1-1/4 hex-hd cap

2шт.

179885

BOLT,Hex, 1/2" - 13 x 1 1/2", Gr 5

1шт.

103321

LOCK WASHER,3/8"

WASHER, LOCK, 3/8"

2шт.

103323

LOCK WASHER,1/2"

WASHER, LOCK, 1/2"

1шт.

11

384377R1

O-RING,0.103" Thk x 2.55" ID, -141, Cl 6, 90 Duro

2-5/16 x 2-1/2 x 3/32, hyd component housing large

1шт.

12

381884R1

O-RING,0.103" Thk x 0.987" ID, -120, Cl 6, 90 Duro

1 x 1-3/16 x 3/32, hyd component housing small

1шт.

13

386867R1

O-RING,0.103" Thk x 1.11" ID, -122, Cl 6, 90 Duro

1-1/8 x 1-5/16 x 3/32, hyd component housing

1шт.

14

382793R1

GASKET

quadrant support opening

1шт.

15

532394R1

SUPPORT ASSY.

SUPPORT, draft control quadrant

1шт.

280161

BOLT,Hex, 3/8" - 16 x 3", Gr 5

2шт.

25080R1

SCREW, 3/8-16 x 3 flanged 12 PT

2шт.

103321

LOCK WASHER,3/8"

WASHER, LOCK, 3/8"

2шт.

16

382795R1

GASKET

quadrant support cover

1шт.

17

382794R1

COVER

quadrant support

1шт.

179791

BOLT,Hex, 1/4" - 20 x 1/2", Gr 5

3шт.

372784R1

SCREW,Hex Wshr Hd, 1/4" - 20 x 3/4"

1/4-20 x 3/4 C-Z hex washer hd cap

1шт.

18

24834R1

PIN

. 7/32 x 1-3/8 coiled spring

1шт.

item # 18..p/parts book-use 18586r1. This subs to 138-117 which is a part type 6. 6/96-avail thru dlr loc. cc 6/96

1шт.

19

532395R1

BUSHING,19.07mm ID x 20.63mm OD x 16.64mm L

BEARING, position control shaft

2шт.

20

532407R11

LEVER ASSY, sensitivity control, 766 and 966 gear drive tractors, hydro 100 tractors

1шт.

20

532410R11

LEVER ASSY, sensitivity control, 966 hydrostatic drive, 1066, 1466 and 1468 tractors

1шт.

21

532406R1

WASHER

SPACER, sensitivity lever

1шт.

22

382848R21

ROD

ASSY, position control, upper

1шт.

23

378619R11

GUIDE

ASSY, position control handle

1шт.

88542

BOLT,Hex, 1/4"-20 x 1/2", Gr 5

SCREW, 1/4-20 x 1/2 C-Z hex-hd cap

2шт.

492-11025

LOCK WASHER,1/4"

WASHER, LOCK, 1/4"

2шт.

24

371600R2

HANDLE

KNOB, adjustable stop pin

1шт.

25

371599R2

LARGE PIN

PIN, adjustable stop

1шт.

26

378620R1

STOP

position control handle

1шт.

144417H

NUT,1/4"-28, GB

1/4-28 CDP ESNA stop

1шт.

120392

WASHER,1/4", SAE

9/32 x 5/8 x .051 C-Z

1шт.

27

110668R1

CIRCLIP,#37, .300" Dia, E-Type

Ring, Retaining, , position control rod pin #37, .300" Dia, E-Type

1шт.

28

863138R91

PLASTIC RING

BEARING, sensitivity shaft

1шт.

29

350429R1

O-RING,0.103" Thk x 0.612" ID, -114, Cl 5, 75 Duro

5/8 x 13/16 x 1/16, position control shaft

1шт.

30

382847R1

TURNBUCKLE

position control rod

1шт.

114503

JAM NUT,Jam, 3/8"-16, G5

1шт.

31

382846R1

ROD

position control, lower

1шт.

32

382803R2

LEVER, positon control

1шт.

33

532399R1

SPACER, position control lever

1шт.

34

382801R1

BALL

KNOB, position control handle

1шт.

35

539833R1

HANDLE

ASSY, position control, also order o-ring, 350429R1

1шт.

36

110668R1

CIRCLIP,#37, .300" Dia, E-Type

Ring, Retaining, , position control bellcrank pin #37, .300" Dia, E-Type

1шт.

37

532401R2

SUPPORT

position control bearing

1шт.

192009

NUT, 5/16-24 square

1шт.

181341

BOLT,Hex, 5/16" - 24 x 1 1/4", Gr 5

SCREW, 5/16-24 x 1-1/4 hex-hd cap

1шт.

532409R1

SPRING WASHER

safety spring

1шт.

38

532408R1

PLASTIC RING

BEARING, sensitivity control shaft

1шт.

39

379365R1

O-RING,0.07" Thk x 0.364" ID, -12, Cl 6, 90 Duro

3/8 x 1/2 x 1/16, sensitivity control shaft

1шт.

40

382805R1

KNOB

sensitivity control handle

1шт.

41

65367C1

HANDLE

ASSY, sensitivity control bearing, 65369C1 and screw, also order support, 65368C1, 181341 on 766, Serial Range: -7611

1шт.

41

65367C1

HANDLE

ASSY, sensitivity control bearing, 65369C1 and screw, also order support, 65368C1, 181341 on 966, Serial Range: -14236

1шт.

41

65367C1

HANDLE

ASSY, sensitivity control bearing, 65369C1 and screw, also order support, 65368C1, 181341 on 1066, Serial Range: -17265

1шт.

41

65367C1

HANDLE

ASSY, sensitivity control bearing, 65369C1 and screw, also order support, 65368C1, 181341 on 1466, Serial Range: -12254

1шт.

41

65367C1

HANDLE

ASSY, sensitivity control bearing, 65369C1 and screw, also order support, 65368C1, 181341 on 1468, Serial Range: -7410

1шт.

41

65367C1

HANDLE

ASSY, sensitivity control bearing, 65369C1 and screw, also order support, 65368C1, 181341 on all hydro 100 tractors

1шт.

42

538543R1

QUADRANT

SECTOR, control quadrant

1шт.

186270

BOLT,Hex, 5/16" - 18 x 3 1/2", Gr 5

3шт.

103320

LOCK WASHER,5/16"

WASHER, LOCK, 5/16"

3шт.

43

387926R2

RING

seal, Serial Range: cylinder-cover

1шт.

44

CYLINDER & VALVE ASSY, draft control, for components see list of parts under details of draft control cylinder & valve

1шт.

271560

PANEL,Hex, 5/8" - 11 x 1 3/4", Gr 5

2шт.

NLS

NO LONGER SERVICED

SCREW, 5/8-11 x 3-3/4 hex-hd cap

2шт.

45

382841R1

PIN

walking, Serial Range: beam-valve

1шт.

46

110668R1

CIRCLIP,#37, .300" Dia, E-Type

RING, valve pin snap

1шт.

47

384515R12

LINK ASSY, walking beam to valve, 766 and 966 gear drive tractors, hydro 100 tractors

1шт.

47

403984R1

LINK

ASSY, walking beam to valve, 966 hydrostatic drive, 1066, 1466 and 1468 tractors

1шт.

48

382842R1

SCREW,Shldr, Hex, 5/16" - 18 x 0.65", W/ Nylon Pellet

shoulder

1шт.

49

110668R1

CIRCLIP,#37, .300" Dia, E-Type

Ring, Retaining, , sensitivity control lever pin #37, .300" Dia, E-Type

1шт.

50

382786R1

LEVER

LINK, draft control eccentric to sensing lever, 766 and 966 gear drive tractors, hydro 100 tractors

1шт.

50

392226R1

LINK, draft control eccentric to sensing lever, 966 hydrostatic drive, 1066, 1466 and 1468 tractors

1шт.

51

387414R1

ANCHOR

spring, part of cyliner & valve assy

1шт.

52

387413R1

SPRING

sensing arm return, 766 and 966 gear drive tractors, hydro 100 tractors

1шт.

52

392280R1

SPRING

sensing arm return, 966 hydrostatic drive, 1066, 1466 and 1468 tractors

1шт.

53

382788R1

PIN

sensing pick-up arm

1шт.

54

382787R2

ARM

draft control sensing pick-up, 766 and 966 gear drive tractors, hydro 100 tractors

1шт.

54

392225R2

ARM

draft control sensing pick-up, 966 hydrostatic drive, 1066, 1466 and 1468 tractors

1шт.

55

382828R91

LEVER

ECCENTRIC ASSY, draft control, 766 and 966 gear driver tractors, hydro 100 tractors

1шт.

55

392223R91

ASSEMBLY

ECCENTRIC ASSY, draft control, 966 hydrostatic drive, 1066, 1466 and 1468 tractors

1шт.

56

110668R1

CIRCLIP,#37, .300" Dia, E-Type

Ring, Retaining, , sensing pick-up arm pin #37, .300" Dia, E-Type

1шт.

57

110668R1

CIRCLIP,#37, .300" Dia, E-Type

Ring, Retaining, , draft control eccentric shaft #37, .300" Dia, E-Type

1шт.

58

971043R1

SNAP RING,#50, Ext

Eccentric shaft #50, Ext

1шт.

59

355967R1

O-RING,0.364" ID x 0.003" Width

3/8 x 1/2 x 1/16, eccentric shaft

1шт.

60

384399R91

ECCENTRIC

ASSY, position control

1шт.

61

382838R1

LINK

, Serial Range: eccentric-rockshaft

1шт.

62

110668R1

CIRCLIP,#37, .300" Dia, E-Type

Ring, Retaining, , postition control eccentric pin #37, .300" Dia, E-Type

1шт.

63

382843R11

BEAM

ASSY, follow-up walking

1шт.

64

110668R1

CIRCLIP,#37, .300" Dia, E-Type

Ring, Retaining, , follow-up walking beam #37, .300" Dia, E-Type

1шт.

65

382845R1

LINK

walking, Serial Range: beam-bellcrank

1шт.

66

104977R1

SNAP RING,#X31, .243" Dia, E-Type

RING, RETAINING, , Walking beam to bellcrank #X31, .243" Dia, E-Type

1шт.

67

370290R1

SNAP RING,#50, .392" Dia, E-Type

Ring, Retaining, , draft control eccentric #50, .392" Dia, E-Type

1шт.

68

384511R92

SUPPORT

ASSY, position control stop pivot

1шт.

179840

BOLT,Hex, 3/8" - 16 x 1 1/8", Gr 5

SCREW, 3/8-16 x 1-1/8 hex-hd cap

1шт.

179842

SPACER

3/8-16 x 1-3/8 hex-hd cap

1шт.

103321

LOCK WASHER,3/8"

WASHER, LOCK, 3/8"

2шт.

69

382825R11

LEVER

BELLCRANK ASSY, position control

1шт.

70

204502R1

SNAP RING,#43, Ext

Position control bellcrank #43, Ext

1шт.

71

381478R1

SNAP RING,#X43, .375" Dia, E-Type

Ring, Retaining, , draft control stop lever #X43, .375" Dia, E-Type

1шт.

72

384513R11

LEVER

ASSY, draft control stop

1шт.

73

382818R1

RETAINER

rockshaft arm, 966 hydrostatic drive, 1066, 1466 and 1468 tractors

2шт.

73

388574R1

WASHER,16.51mm ID x 82.55mm OD x 4.78mm Thk

RETAINER, rockshaft arm washer, 766 and 966 gear drive tractors, hydro 100 tractors

2шт.

271556

WHEEL CYLINDER,Hex, 5/8" - 11 x 1 1/4", Gr 5

SCREW, 5/8-11 x 1-1-/4 hex-hd cap

2шт.

74

384518R11

CAM

SHAFT ASSY, rockshaft actuating hub

1шт.

75

398314R2

PIN,6.35mm OD x 76.2mm L

piston connecting rod

1шт.

103384

COTTER PIN,1/8" x 3/4"

Pin, Split (Cotter), 1/8" x 3/4"

1шт.

16558R1

WASHER

17/64 x 5/8 x .049

1шт.

76

382812R4

ROD

piston connecting

1шт.

77

382810R2

ROD

BELLCRANK, rockshaft

1шт.

78

382811R1

SET SCREW,Hex, 3/8" - 16, Lok-Thd x 1 1/2", Cone Pt

rockshaft bellcrank lok-thread set

1шт.

79

388573R2

ROCKSHAFT

hydraulic draft control, 766 and 966 gear drive tractors, hydro 100 tractors

1шт.

79

392872R2

ROCKSHAFT

hydraulic draft control, 966 hydrostatic drive, 1066, 1466 and 1468 tractors

1шт.

80

19984R1

TUBE NUT,7/16"-24

NUT, 7/16-24 hi-duty tube fitting for 1/4 tube, optional

1шт.

222-502

TUBE NUT,7/16"-24

NUT, 7/16-24 hi-duty tube fitting for 1/4 tube, optional w/ 19984R1

1шт.

81

376057R1

BUCKET TOOTH KEY

KEY, rockshaft actuating hub cam

1шт.

82

110668R1

CIRCLIP,#37, .300" Dia, E-Type

Ring, Retaining, , eccentric to rockshaft link #37, .300" Dia, E-Type

1шт.

83

382816R1

SET SCREW

rockshaft actuating hub cam set

1шт.

84

385942R91

TUBE

ASSY, cylinder lub

1шт.

179816

BOLT,Hex, 5/16" - 18 x 3/4", Gr 5

1шт.

103320

LOCK WASHER,5/16"

WASHER, LOCK, 5/16"

1шт.

85

532395R1

BUSHING,19.07mm ID x 20.63mm OD x 16.64mm L

BEARING, sensitivity control shaft, 766, Serial Range: -7611

1шт.

85

532395R1

BUSHING,19.07mm ID x 20.63mm OD x 16.64mm L

BEARING, sensitivity control shaft, 966, Serial Range: -14238

1шт.

85

532395R1

BUSHING,19.07mm ID x 20.63mm OD x 16.64mm L

BEARING, sensitivity control shaft, 1066, Serial Range: -17265

1шт.

85

532395R1

BUSHING,19.07mm ID x 20.63mm OD x 16.64mm L

BEARING, sensitivity control shaft, 1466, Serial Range: -12254

1шт.

85

532395R1

BUSHING,19.07mm ID x 20.63mm OD x 16.64mm L

BEARING, sensitivity control shaft, 1468, Serial Range: -7410

1шт.

85

65369C1

BUSHING,22.25mm ID x 23.8mm OD x 16.64mm L

BEARING, sensitivity control shaft, 766, Start Serial: 7612

1шт.

85

65369C1

BUSHING,22.25mm ID x 23.8mm OD x 16.64mm L

BEARING, sensitivity control shaft, 966, Start Serial: 14237

1шт.

85

65369C1

BUSHING,22.25mm ID x 23.8mm OD x 16.64mm L

BEARING, sensitivity control shaft, 1066, Start Serial: 17266

1шт.

85

65369C1

BUSHING,22.25mm ID x 23.8mm OD x 16.64mm L

BEARING, sensitivity control shaft, 1466, Start Serial: 12255

1шт.

85

65369C1

BUSHING,22.25mm ID x 23.8mm OD x 16.64mm L

BEARING, sensitivity control shaft, 1468, Start Serial: 7411

1шт.

85

65369C1

BUSHING,22.25mm ID x 23.8mm OD x 16.64mm L

BEARING, sensitivity control shaft, all hydro 100 tractors

1шт.

86

532401R2

SUPPORT

sensitivity control shaft brg, 766, Serial Range: -7611

1шт.

86

532401R2

SUPPORT

sensitivity control shaft brg, 966, Serial Range: -14238

1шт.

86

532401R2

SUPPORT

sensitivity control shaft brg, 1066, Serial Range: -17265

1шт.

86

532401R2

SUPPORT

sensitivity control shaft brg, 1466, Serial Range: -12254

1шт.

86

532401R2

SUPPORT

sensitivity control shaft brg, 1468, Serial Range: -7410

1шт.

86

65368C1

SUPPORT

sensitivity control shaft brg, 766, Start Serial: 7612

1шт.

86

65368C1

SUPPORT

sensitivity control shaft brg, 966, Start Serial: 14237

1шт.

86

65368C1

SUPPORT

sensitivity control shaft brg, 1066, Start Serial: 17266

1шт.

86

65368C1

SUPPORT

sensitivity control shaft brg, 1466, Start Serial: 12255

1шт.

86

65368C1

SUPPORT

sensitivity control shaft brg, 1468, Start Serial: 7411

1шт.

86

65368C1

SUPPORT

sensitivity control shaft brg, all hydro 100 tractors

1шт.

192009

NUT, 5/16-24 square

1шт.

181341

BOLT,Hex, 5/16" - 24 x 1 1/4", Gr 5

SCREW, 5/16-24 x 1-1/4 hex-hd cap

1шт.

532409R1

SPRING WASHER

safety spring

1шт.

Выбрано товаров: 158