Запчасти Case IH 986 (13-41) - SUPERSTRUCTURE, AIR CONDITIONER, OLD STYLE (05) - SUPERSTRUCTURE

Схема запчастей Case IH 986 - (13-41) - SUPERSTRUCTURE, AIR CONDITIONER, OLD STYLE (05) - SUPERSTRUCTURE
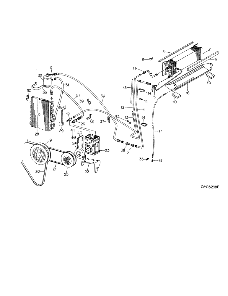
10
10
13
14
27
35
20
26
22
28
40
9
3
1
41
30
2
19
11
6
12
39
4
37
14
36
5
7
33
34
23
31
32
13
18
43
25
21
8
17
38
24
16
29
15
FIT
1:1
100%

Артикул

Название

Примечание

Количество

1

109414C1

HYD TUBE

TUBE ASSY, liquid, hose

1шт.

2

359158R1

O-RING,0.301" ID x 0.07" Width

O-RING, -011, 70 Duro, .031" ID x .070" Thk

1шт.

3

167869C1

FITTING

COUPLING, male refrig. half

1шт.

4

111610C1

CLAMP

CLAMP, plastic hose

1шт.

*

24392R1

HARDWARE,Cross Pan Hd, #10 x 1/2"

SCREW, no. 10-16 x 1/2 PHC p/hdcr tap

2шт.

*

118676

WASHER,0.22" ID x 0.5" OD x 0.05" Thk

WASHER, .219 x .500 x .036 PHC

2шт.

5

66398C1

VALVE

VALVE, expansion

1шт.

6

118444C1

CLAMP

CLAMP, expansion valve, replaces 117725C1

1шт.

7

111468C2

CORE

CORE, evaporator

1шт.

*

24388R1

SELF-TAP SCREW,Cross Pan Hd, #10 x 3/8"

SCREW, SELF TAPPING, Cross Pan Hd, #10 x 3/8"

4шт.

8

117817C1

SEALING STRIP

STRIP, evaporator core seal

1шт.

9

117819C2

SEAL

SEAL, evaporator core

1шт.

10

118159C1

SEAL

SEAL, drain pan

2шт.

Cabs with serial no. 30086 and above.

1шт.

11

118170C1

TUBE,5/8" OD, 8.7" Length

TUBE ASSY, evaporator discharge

1шт.

*

TAPE, insulation, use 72 inch from bulk roll marked 118468C1, for wrapping ref. nos. 5 and 11

1шт.

12

109413C2

HYD TUBE

TUBE ASSY, suction

1шт.

13

109277C1

HOSE PROTECTION,19.91mm ID x 1727.2mm L

Insulation, Suction tube

1шт.

14

111619C1

STRAP

STRAP, adjustable

2шт.

15

117828C91

LOCK VALVE

VALVE ASSY, service suction, service parts are

1шт.

*

118185C1

CAP ASSY.

CAP ASSY, valve stem

1шт.

*

118188C1

CAP

CAP

1шт.

16

111304C1

PAN ASSY.

PAN, evaporator drain

1шт.

*

24388R1

SELF-TAP SCREW,Cross Pan Hd, #10 x 3/8"

SCREW, SELF TAPPING, Cross Pan Hd, #10 x 3/8"

4шт.

17

HOSE, evaporator drain, use 75 inch from bulk roll marked 198091C1

2шт.

18

109239C2

CHECK VALVE

VALVE, CHECK, Evaporator drain

2шт.

19

537071R1

PULLEY

PULLEY, FAN, WATER PUMP AND COMPRESSOR, 3 belt grooves, all tractors except 886 w/d-358 engine, 886 w/d-358 engine use crankshaft pulley, see eng-5 catalog

1шт.

20

537072R91

SET OF BELTS

V-matched dual, Fan drive

1шт.

21

874097C1

V-BELT,39.50" L

Compressor drive, All tractors except 886 w/d-358 engine

1шт.

21

291019C2

V-BELT,51.50" L

V-BELT , Compressor drive, 886 tractor w/d-358 engine 51.50" L

1шт.

22

537073R5

BRACKET

BRACKET ASSY, compressor mtg, all tractors except 886 w/d-358 engine

1шт.

If looking for new bracket and compressor that was on display at the trade fair in 97. It is in the final stages of R&D and is scheduled for release in the July or August of 98. (db) 6-26-98.

1шт.

*

26257R1

SET SCREW

SCREW, 3/8-16 x 3 znd sq-hd set

1шт.

*

120382

LOCK WASHER,Helical Spring, 3/8"

WASHER, LOCK, 3/8"

1шт.

*

124829

JAM NUT,Hex, 3/8" - 16, Gr 5

NUT, Jam, 3/8"-16, G5

1шт.

*

21741R1

WASHER

WASHER, .406 x .075 x .105 znd

5шт.

*

180138

BOLT,Hex, 3/8" - 16 x 3", Gr 5

SCREW, 3/8-16 x 3 znd hex-hd cap

1шт.

*

189304

BOLT,Hex, 3/8" - 16 x 3 1/4", Gr 5

SCREW, 3/8-16 x 3-1/4 znd hex-hd cap

2шт.

*

120382

LOCK WASHER,Helical Spring, 3/8"

WASHER, LOCK, 3/8"

3шт.

*

120377

NUT,3/8" - 16, Gr 5

NUT, 3/8"-16, G5

3шт.

23

118250C91

COMPRESSOR

COMPRESSOR ASSY, air conditioner w/screen, replaces 117841C91, refer to compressor listing in this group for components

1шт.

23

1924006C2

REMAN-A/C COMPRESSOR

Reman For New PN 118250C91

1шт.

23

1924007C1

CORE-A/C COMPRESSOR

Return Number

1шт.

If looking for new bracket and compressor that was on display at the trade fair in 97. It is in the final stages of R&D and is scheduled for release in the July or August of 98. (db) 6-26-98.

1шт.

*

19571R1

BOLT,Hex, 3/8"-16 x 1 1/8", G2

BOLT, 3/8 x 1-1/8 type 1, all tractors except 886 w/d-358 engine

4шт.

*

180123

BOLT,Hex, 3/8" - 16 x 1 1/8", Gr 5, Full Thd

BOLT, 3/8 x 1-1/8 type 5, 886 tractor w/d-358 engine

4шт.

*

120382

LOCK WASHER,Helical Spring, 3/8"

WASHER, LOCK, 3/8"

4шт.

*

619856R1

WASHER

WASHER, .406 x 1.000 x .056, 886 tractor w/d-358 engine

4шт.

24

70833C1

SEAL

SEAL, foam dust

1шт.

25

143405C91

PULLEY

CLUTCH ASSY, compressor, 7.00 in., replaces 111631C91, serviceable items are

1шт.

*

143406C1

PULLEY ASSY.

PULLEY

1шт.

*

28203R1

BOLT,Hex, 5/16" - 24 x 1 1/4", Gr 8

BOLT

1шт.

*

21496R1

WASHER

WASHER

1шт.

143407R1

COIL

1шт.

*

161108C1

BOLT,Hex Serr, 1/4" - 20 x 1/2"

BOLT

1шт.

*

221438H1

BEARING ASSY,29.99mm ID x 62mm OD x 26.99mm W

BEARING

4шт.

*

18778R1

SCREW,Hex, 3/8"-16 x 3/4", G2

BOLT, 3/8 x 3/4 type 1

2шт.

*

120382

LOCK WASHER,Helical Spring, 3/8"

WASHER, LOCK, 3/8"

2шт.

25

CLUTCH ASSY, compressor, 7.00 in., service parts for 111631C91 are

1шт.

*

117820C1

PULLEY

PULLEY

1шт.

*

117822C1

COIL

COIL

1шт.

*

221438H1

BEARING ASSY,29.99mm ID x 62mm OD x 26.99mm W

BEARING

4шт.

26

117827C91

LOCK VALVE

VALVE ASSY, service, discharge, service parts are

1шт.

*

118185C1

CAP ASSY.

CAP ASSY, valve stem

1шт.

*

118188C1

CAP

CAP

1шт.

27

109238C1

A/C HOSE,10.31mm ID x 1295.4mm L

HOSE ASSY, compressor discharge

1шт.

28

111455C1

CONDENSER

CONDENSER, core, all except 1486 tractor

1шт.

28

109284C1

CAPACITOR

CONDENSER, core, 1486 tractor

1шт.

29

104746C1

HINGE

HINGE, condenser

1шт.

*

NLS

NO LONGER SERVICED

1шт.

*

495-21044

WASHER,3/8"

WASHER, (.438 x 1 x .083) 3/8"

1шт.

*

179818

BOLT,Hex, 5/16" - 18 x 1", Gr 5

BOLT, Hex, 5/16"-18 x 1", G5, Full Thd

1шт.

*

615031R1

WASHER

WASHER, .375 x .875 x .083

1шт.

30

104744C1

SUPPORT

BRACKET ASSY, condenser latch, RH

1шт.

*

179837

BOLT,Hex, 3/8" - 16 x 3/4", Gr 5

BOLT, Hex, 3/8"-16 x 3/4", G5, Full Thd

1шт.

*

120392

WASHER,1/4", SAE

WASHER, .281 x .626 x .065 plain

1шт.

*

140741

NUT,1/4"-20

NUT, 1/4-20 znd wing

1шт.

31

587574R91

HOSE,7.94mm ID x 889mm L

Condenser Liquid

1шт.

32

111218C1

RESERVOIR

RECEIVER-DRYER

1шт.

32

111218C1GV

RECEIVER-DRYER

RECEIVER-DRYER

1шт.

33

109448C1

FASTENER

CLAMP, receiver-dryer

1шт.

*

88574

BOLT,Hex, 5/16" - 18 x 1/2", Gr 5, Full Thd

BOLT, Hex, 5/16"-18 x 1/2", G5, Full Thd

2шт.

*

80681

LOCK WASHER,5/16"

WASHER, LOCK, 5/16"

2шт.

34

109267C2

HYDRAULIC HOSE

HOSE ASSY, receiver-evap. liquid

1шт.

O-ring (P/N T39847) goes between parts #34 and 38, but the other parts book has written in p/n 383024r1 as the number for the o ring between #34 and #38!!!! The T39847 is 20.6 OD and 1.5 thick and is an Aeroquip part (they make the hose) - no print for the other o ring

1шт.

35

118224C1

CLAMP

CLAMP, evaporator drain hose, replaces 670458C1

3шт.

36

394271R1

CLIP

CLIP, double hose 90 deg. 886, Serial Range: -11625

1шт.

36

394271R1

CLIP

CLIP, double hose 90 deg. 986, Serial Range: -14075

1шт.

36

394271R1

CLIP

CLIP, double hose 90 deg. 1086, Serial Range: -21714

1шт.

36

394271R1

CLIP

CLIP, double hose 90 deg. 1486, Serial Range: -12566

1шт.

*

495967R1

CARRIAGE BOLT,Short NK, 3/8"-16 x 1", G5, Full Thd

BOLT, 3/8 x 1 crg type 5

1шт.

*

120382

LOCK WASHER,Helical Spring, 3/8"

WASHER, LOCK, 3/8"

1шт.

37

1250598C1

CLIP,ELECTRICAL

CLIP, refrig. hose, replaces 395467R2, not used on 886 w/d-358 engine

1шт.

38

117771C1

COUPLING,1" - 20 NPT x 7/8" - 20 NPT

COUPLING, half female refrig.

1шт.

O-ring (P/N T39847) goes between parts #34 and 38, but the other parts book has written in p/n 383024r1 as the number for the o ring between #34 and #38!!!! The T39847 is 20.6 OD and 1.5 thick and is an Aeroquip part (they make the hose) - no print for the other o ring

1шт.

39

118246C1

CLAMP

CLAMP, hose, replaces 118067C1

1шт.

40

130083C1

BRACKET

BRACKET ASSY, compressor mtg, 886 tractor w/d-358 engine

1шт.

*

180091

SPRING

BOLT, 5/16 x 2-1/2 type 5

2шт.

*

80681

LOCK WASHER,5/16"

WASHER, LOCK, 5/16"

2шт.

*

120376

NUT,5/16"-18, G5

NUT, 5/16"-18, G5

2шт.

41

130081C1

BRACKET

BRACKET, compressor angle, 886 tractor w/d-358 engine

1шт.

*

180081

BOLT,Hex, 5/16"-18 x 1 1/4", G5

BOLT, Hex, 5/16"-18 x 1 1/4", G5

1шт.

*

9635884

BOLT,Hex, 5/16" - 18 1", Full Thd, Gr 5

BOLT, 5/16 x 1 type 5

1шт.

*

80681

LOCK WASHER,5/16"

WASHER, LOCK, 5/16"

2шт.

*

120376

NUT,5/16"-18, G5

NUT, 5/16"-18, G5

2шт.

42

(Not used in this application)

1шт.

43

143325C1

CLAMP

CLAMP, closed tube

1шт.

*

413-412

BOLT,Hex, 1/4" - 20 x 3/4", Gr 5

BOLT, Hex, 1/4"-20 x 3/4", G5, Full Thd

1шт.

*

492-11025

LOCK WASHER,1/4"

WASHER, LOCK, 1/4"

1шт.

Выбрано товаров: 109