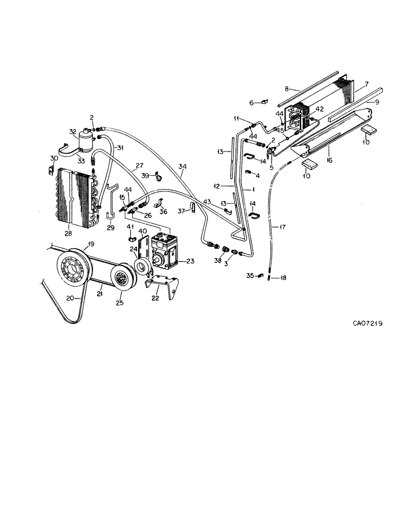
Запчасти Case IH 986 (13-44) - SUPERSTRUCTURE, AIR CONDITIONER, NEW STYLE (05) - SUPERSTRUCTURE

Схема запчастей Case IH 986 - (13-44) - SUPERSTRUCTURE, AIR CONDITIONER, NEW STYLE (05) - SUPERSTRUCTURE
40
45
33
19
1
38
8
12
16
26
2
42
35
44
25
2
10
15
44
9
32
30
3
27
41
34
28
43
36
14
29
17
13
14
37
44
5
18
31
22
6
23
4
13
39
10
21
7
20
24
11
FIT
1:1
100%

Артикул

Название

Примечание

Количество

1

118319C1

A/C HOSE,3 mm OD, 1124.9, 106.93 mm Length

TUBE ASSY, liquid, hose

1шт.

2

359158R1

O-RING,0.301" ID x 0.07" Width

O-RING, -011, 70 Duro, .031" ID x .070" Thk

2шт.

3

167869C1

FITTING

COUPLING, male refrig. half

1шт.

*

T39847

O-RING,1.78mm Thk x 17mm ID

O-Ring, 20.6 O.D. X 1.5" Thick

1шт.

4

111610C1

CLAMP

CLAMP, plastic hose

1шт.

*

24392R1

HARDWARE,Cross Pan Hd, #10 x 1/2"

SCREW, no. 10-16 x 1/2 PHC p/hdcr tap

2шт.

*

118676

WASHER,0.22" ID x 0.5" OD x 0.05" Thk

WASHER, .219 x .500 x .036 PHC

2шт.

*

118461C1

COVER

COVER, molded rubber

2шт.

5

118305C3

VALVE

VALVE, expansion

1шт.

6

118444C1

CLAMP

CLAMP, expansion valve bulb

1шт.

7

118315C1

EVAPORATOR

CORE, evaporator

1шт.

24388R1

SELF-TAP SCREW,Cross Pan Hd, #10 x 3/8"

SCREW, SELF TAPPING, Cross Pan Hd, #10 x 3/8"

4шт.

8

117817C1

SEALING STRIP

STRIP, evaporator core seal

1шт.

9

117819C2

SEAL

SEAL, evaporator core

1шт.

10

118159C1

SEAL

SEAL, drain pan

2шт.

Cabs with serial no. 30086 and above.

1шт.

11

118324C1

TUBE,5 mm OD, 218.95 mm Length

TUBE ASSY, evaporator discharge

1шт.

*

TAPE, insulation, use 72 inch from bulk roll marked 118468C1, for wrapping ref. nos 5 and 11

1шт.

12

118320C1

A/C HOSE

TUBE ASSY, suction

1шт.

13

143007C1

INSULATOR

INSULATION, suction tube

1шт.

14

111619C1

STRAP

STRAP, adjustable

2шт.

15

118328C91

VALVE, CONTROL

VALVE ASSY, service suction, service parts are

1шт.

*

118185C1

CAP ASSY.

CAP ASSY, valve stem

1шт.

*

118188C1

CAP

CAP

1шт.

16

111304C1

PAN ASSY.

PAN, evaporator drain

1шт.

*

24388R1

SELF-TAP SCREW,Cross Pan Hd, #10 x 3/8"

SCREW, SELF TAPPING, Cross Pan Hd, #10 x 3/8"

4шт.

17

HOSE, evaporator drain, use 75 inch from bulk roll marked 198091C1

2шт.

18

109239C2

CHECK VALVE

VALVE, CHECK, Evaporator drain

2шт.

19

537071R1

PULLEY

PULLEY, FAN, WATER PUMP AND COMPRESSOR, 3 belt grooves, all tractors except 886 w/d-358 engine, 886 w/d-358 engine use crankshaft pulley, see eng-5 catalog

1шт.

20

537072R91

SET OF BELTS

V-matched dual, Fan drive

1шт.

21

874097C1

V-BELT,39.50" L

Compressor drive, All tractors except 886 w/d-358 engine

1шт.

21

291019C2

V-BELT,51.50" L

V-BELT , Compressor drive, 886 tractors w/d-358 engine 51.50" L

1шт.

22

537073R5

BRACKET

BRACKET ASSY, compressor mtg, all tractors except 886 w/d-358 engine

1шт.

*

26257R1

SET SCREW

SCREW, 3/8 x 3 znp sq-hd c/pt set

1шт.

*

120382

LOCK WASHER,Helical Spring, 3/8"

WASHER, LOCK, 3/8"

1шт.

*

124829

JAM NUT,Hex, 3/8" - 16, Gr 5

NUT, Jam, 3/8"-16, G5

1шт.

*

21741R1

WASHER

WASHER, .406 x .875 x .105

5шт.

*

180138

BOLT,Hex, 3/8" - 16 x 3", Gr 5

BOLT, 3/8 x 3 type 5

1шт.

*

189304

BOLT,Hex, 3/8" - 16 x 3 1/4", Gr 5

BOLT, 3/8 x 3-1/4 type 5

2шт.

*

120382

LOCK WASHER,Helical Spring, 3/8"

WASHER, LOCK, 3/8"

3шт.

*

120377

NUT,3/8" - 16, Gr 5

NUT, 3/8"-16, G5

3шт.

23

118250C91

COMPRESSOR

COMPRESSOR ASSY, air conditioner w/screen, replaces 117841C91, refer to compressor listing in this group for components

1шт.

23

1924006C2

REMAN-A/C COMPRESSOR

For N.A. only

1шт.

23

1924007C1

CORE-A/C COMPRESSOR

Return number - For N.A. only

1шт.

Dealer needs seal that goes between these two parts. Use O-ring P/N 238-5015. On some of the later compressors with a beveled port, they use a teflon seal P/N A42938.

1шт.

*

19571R1

BOLT,Hex, 3/8"-16 x 1 1/8", G2

BOLT, 3/8 x 1-1/8 type 1

4шт.

*

180123

BOLT,Hex, 3/8" - 16 x 1 1/8", Gr 5, Full Thd

BOLT, 3/8 x 1-1/8 type 5, 886 tractor w/d-358 engine

4шт.

*

120382

LOCK WASHER,Helical Spring, 3/8"

WASHER, LOCK, 3/8"

4шт.

*

619856R1

WASHER

WASHER, .406 x 1.000 x .056, 886 tractors w/d-358 engine

4шт.

24

70833C1

SEAL

SEAL, foam dust

1шт.

25

143405C91

PULLEY

CLUTCH ASSY, compressor, 7.00 in., replaces 111631C91, serviceable item are

1шт.

*

143406C1

PULLEY ASSY.

PULLEY

1шт.

*

28203R1

BOLT,Hex, 5/16" - 24 x 1 1/4", Gr 8

BOLT

1шт.

*

21496R1

WASHER

WASHER

1шт.

*

143407R1

COIL

1шт.

*

161108C1

BOLT,Hex Serr, 1/4" - 20 x 1/2"

BOLT

1шт.

*

221438H1

BEARING ASSY,29.99mm ID x 62mm OD x 26.99mm W

BEARING

1шт.

*

18778R1

SCREW,Hex, 3/8"-16 x 3/4", G2

BOLT, 3/8 x 3/4 type 1

2шт.

*

120382

LOCK WASHER,Helical Spring, 3/8"

WASHER, LOCK, 3/8"

2шт.

25

CLUTCH ASSY, compressor, 7.00 in., service parts for 111631C91 are

1шт.

*

117820C1

PULLEY

PULLEY

1шт.

*

117822C1

COIL

COIL

1шт.

*

221438H1

BEARING ASSY,29.99mm ID x 62mm OD x 26.99mm W

BEARING

1шт.

26

118329C91

LOCK VALVE

VALVE ASSY, service, discharge, service parts are

1шт.

Dealer needs seal that goes between these two parts. Use O-ring P/N 238-5015. On some of the later compressors with a beveled port, they use a teflon seal P/N A42938.

1шт.

*

118185C1

CAP ASSY.

CAP ASSY, valve stem

1шт.

*

118188C1

CAP

CAP

1шт.

27

118327C1

HOSE,10.32mm ID x 1295mm L

HOSE ASSY, compressor discharge

1шт.

28

118316C1

CONDENSER

CONDENSER, core

1шт.

29

104746C1

HINGE

HINGE, condenser

1шт.

*

NLS

NO LONGER SERVICED

1шт.

*

495-21044

WASHER,3/8"

WASHER, (.438 x 1.000 x .064 pln) 3/8"

1шт.

*

179818

BOLT,Hex, 5/16" - 18 x 1", Gr 5

BOLT, Hex, 5/16"-18 x 1", G5, Full Thd

1шт.

*

615031R1

WASHER

WASHER, .375 x .875 x .064 pln

1шт.

30

104744C1

SUPPORT

BRACKET ASSY, condenser latch, RH

1шт.

*

179837

BOLT,Hex, 3/8" - 16 x 3/4", Gr 5

BOLT, Hex, 3/8"-16 x 3/4", G5, Full Thd

1шт.

*

120382

LOCK WASHER,Helical Spring, 3/8"

WASHER, LOCK, 3/8"

1шт.

*

140741

NUT,1/4"-20

NUT, 1/4 PHC wing

1шт.

31

118326C1

A/C HOSE,7.87mm ID x 889mm L

HOSE ASSY, condenser liquid

1шт.

32

118304C1

RESERVOIR

RECEIVER-DRYER

1шт.

33

109448C1

FASTENER

CLAMP, receiver-dryer

1шт.

*

88574

BOLT,Hex, 5/16" - 18 x 1/2", Gr 5, Full Thd

BOLT, Hex, 5/16"-18 x 1/2", G5, Full Thd

2шт.

*

80681

LOCK WASHER,5/16"

WASHER, LOCK, 5/16"

2шт.

34

118325C1

HYDRAULIC HOSE

HOSE ASSY, receiver-evap. liquid

1шт.

35

118224C1

CLAMP

CLAMP, evap. drain hose, replaces 670458C1

3шт.

36

(Not used in this application)

1шт.

37

1250598C1

CLIP,ELECTRICAL

CLIP, refrig. hose, replaces 395467R2, not used on 886 w/d-358 engine

1шт.

38

117771C1

COUPLING,1" - 20 NPT x 7/8" - 20 NPT

COUPLING, half female refrig.

1шт.

*

T39847

O-RING,1.78mm Thk x 17mm ID

O-Ring, 20.6 O.D. X 1.5" Thick

1шт.

39

118246C1

CLAMP

CLAMP, hose, replaces 118067C1

1шт.

40

130083C1

BRACKET

BRACKET ASSY, compressor mtg, 886 tractor w/d-358 engine

1шт.

*

413-540

BOLT,Hex, 5/16" - 18 x 2-1/2", Gr 5

BOLT, 5/16 x 2-1/2 type 5

2шт.

*

80681

LOCK WASHER,5/16"

WASHER, LOCK, 5/16"

2шт.

*

120376

NUT,5/16"-18, G5

NUT, 5/16"-18, G5

2шт.

41

130081C1

BRACKET

BRACKET, compressor angle, 886 tractor w/d-358 engine

1шт.

*

180081

BOLT,Hex, 5/16"-18 x 1 1/4", G5

BOLT, Hex, 5/16"-18 x 1 1/4", G5

1шт.

*

9635884

BOLT,Hex, 5/16" - 18 1", Full Thd, Gr 5

BOLT, 5/16 x 1 type 5

1шт.

*

80681

LOCK WASHER,5/16"

WASHER, LOCK, 5/16"

2шт.

*

120376

NUT,5/16"-18, G5

NUT, 5/16"-18, G5

2шт.

42

360599R1

O-RING,0.07" Thk x 0.18" ID, -8, Cl 5, 75 Duro

O-RING, expansion valve

1шт.

43

143325C1

CLAMP

CLAMP, closed tube

1шт.

*

492-11025

LOCK WASHER,1/4"

WASHER, LOCK, 1/4"

1шт.

*

120375

NUT,Hex, 1/4" - 20, Gr 5

NUT, 1/4"-20, G5

1шт.

44

371544R1

O-RING,0.07" Thk x 0.551" ID, -15, Cl 5, 75 Duro

O-RING, 9/16 x 11/16 class 5

3шт.

45

375271R1

O-RING,0.426" ID x 0.07" Width

O-RING, 7/16 x 9/16 class 5

1шт.

Выбрано товаров: 105