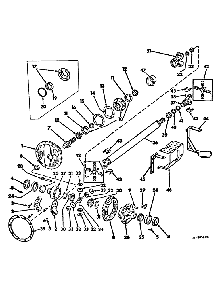
Запчасти Case IH 986 (07-45) - DRIVE TRAIN, FRONT AXLE DIFFERENTIAL AND DRIVE SHAFT, TRACTORS WITH ALL WHEEL DRIVE (04) - Drive Train

Схема запчастей Case IH 986 - (07-45) - DRIVE TRAIN, FRONT AXLE DIFFERENTIAL AND DRIVE SHAFT, TRACTORS WITH ALL WHEEL DRIVE (04) - Drive Train
27
36
24
32
3
24
30
29
21
20
12
44
5
32
43
43
46
25
42
2
2
11
17
19
38
42
43
23
4
43
25
5
32
3
35
16
7
37
33
14
45
11
8
28
39
47
4
10
6
30
31
13
9
26
34
32
15
22
40
33
31
33
1
41
12
33
FIT
1:1
100%

Артикул

Название

Примечание

Количество

385774R93

CARRIER ASSY, differential, composed of ref nos 1 through 34 and attaching parts

1шт.

1

69016R93

CARRIER W/CAPS & SCREWS, differential

1шт.

208491R1

BOLT,Hex, 7/16" - 14 x 1 1/4", Gr 8

SCREW, 7/16-14 x 1-1/4 hex-hd cap

8шт.

130560R1

SCREW,Hex, 7/16" - 14 x 2 1/4"

7/16-14 x 2-1/4 hex-hd cap

2шт.

115314

LOCK WASHER,7/16"

WASHER, LOCK, 7/16"

10шт.

2

NSS

NOT SOLD SEPARAT

CAP, carrier, (not serviced separately) order carrier, 69016C93

1шт.

3

69018R1

SCREW

differential carrier cap

4шт.

4

54528HA

ADJUSTER, differential bearing

2шт.

5

13875V

LOCK

differential brg adjuster

2шт.

16791R1

COTTER PIN

PIN, 3/16 x 1 cot.

2шт.

6

69023R92

ROLLER BEARING,0.9843" ID x 2.0472" OD x 0.8125"

pinion pilot

1шт.

7

PINION, bevel drive, order 385783R91

1шт.

8

GEAR, bevel drive, order 385783R91

1шт.

9

69017R1

RIVET

bevel drive gear

14шт.

10

454711C91

HOUSING

CAGE ASSY, pinion brg

1шт.

400914C1

BOLT,Hex, 9/16" - 12 x 1 1/2"

SCREW, 9/16-12 x 1-1/2 hex-hd

6шт.

11

917217R1

BEARING, CUP

BEARING, pinion shaft cup

2шт.

12

306276C91

CONE

BEARING ASSY, pinion shaft cone

2шт.

13

52773HA

SHIM, pinion brg cage upper, .003

1шт.

14

52774H

SHIM, pinion brg cage lower, .003

1шт.

15

683264R1

SHIM

pinion brg cage, .005

1шт.

15

52748HA

SHIM

pinion brg cage, .010

1шт.

15

52749HA

SHIM, pinin brg cage, .030

1шт.

16

49415HA

SPACER

pinion shaft brg, .525/.526

1шт.

16

49416HA

SPACER, pinion shaft brg, .528/.529

1шт.

16

49417HA

SPACER, pinion shaft brg, .531/.532

1шт.

16

49418HA

SPACER, pinoin shaft brg, .534/.535

1шт.

16

92309R2

SPACER, pinion shaft brg, .524/.525

1шт.

16

92310R2

SPACER, pinion shaft brg, .526/.527

1шт.

16

92311R2

SPACER, pinion shaft brg, .527/.528

1шт.

16

92312R2

SPACER, pinion shaft brg, .529/.530

1шт.

16

92313R2

SPACER, pinion shaft brg, .530/.531

1шт.

16

92314R2

SPACER, pinion shaft brg, .532/.533

1шт.

16

92315R2

SPACER, pinion shaft brg, .533/.534

1шт.

16

92316R2

SPACER, pinion shaft brg, .535/.536

1шт.

17

(Not used in this application)

1шт.

18

(Not used in this application)

1шт.

19

(Not used in this application)

1шт.

20

(Not used in this application)

1шт.

21

200991R11

FLANGE

YOKE ASSY, differential carrier end

1шт.

22

54557H

WASHER

WASHER, end yoke mounting nut

1шт.

23

117804H

NUT

end yoke mounting

1шт.

120437

PIN, 1/8 x 1-3/4 cot.

1шт.

24

ST963

CUP ASSY.

BEARING, differential case cup

2шт.

25

ST2007A

TAPERED BEARING,2.625" ID x 4.4375" OD x 1.1875"

BEARING ASSY, differential case cone

2шт.

26

436833C2

CASE

differential, flanged half

1шт.

27

436832C2

CASE

differential, plain half

1шт.

28

25293R1

BOLT,Hex, 1/2" - 13 x 5 1/2", Gr 8

SCREW, 1/2 x 5-1/2 type 8 cap

8шт.

9412230

LOCK NUT

1/2-13 PHC type 8 pt. hex. lock

8шт.

29

69170R1

LUBRICATOR, differential, optional w/83394R91

1шт.

29

83394R91

LUBRICATOR, differential, optional w/69170R1

1шт.

181063

BOLT,Hex, 1/4" - 20 x 3/4"

SCREW, 1/4-20 x 3/4 PHC hex-hd cap

1шт.

492-11025

LOCK WASHER,1/4"

WASHER, LOCK, 1/4"

1шт.

30

69304R2

GEAR

differential side

2шт.

31

86233H

THRUST WASHER

differential side gear thrust

2шт.

32

436831C1

PINION

differential

4шт.

33

88015H

WASHER

differential pinion thrust

4шт.

34

436830C2

SPIDER, differential pinion

1шт.

35

69177R1

GASKET

differential carrier

1шт.

36

534585R91

SHAFT

ASSY, drive

1шт.

37

913726R11

YOKE

ASSY, sleeve

1шт.

38

109461

LUBE NIPPLE,1/8"-27 x .66 lg

FITTING, 1/8-27 PTF straight lub

1шт.

39

913731R1

RETAINER

CAP, dust

1шт.

40

913730R1

SEAL

cork

1шт.

41

913729R1

WASHER

steel

1шт.

42

913774R91

KIT

PACKAGE, journal & bearing

2шт.

43

204138R1

BOLT,7/16" - 20 x 2 1/4"

U-BOLT, drive shaft

4шт.

425-117

NUT,7/16"-20, G5

7/16-20 hex.

8шт.

103322

LOCK WASHER,7/16"

WASHER, LOCK, 7/16"

8шт.

44

(Not used in this application)

1шт.

45

(Not used in this application)

1шт.

46

(Not used in this application)

1шт.

47

454705C1

OIL SEAL

pinion shaft oil

1шт.

385783R91

SET

GEAR SET, bevel drive, consists of ref nos 7, 8 and 9

1шт.

Выбрано товаров: 74