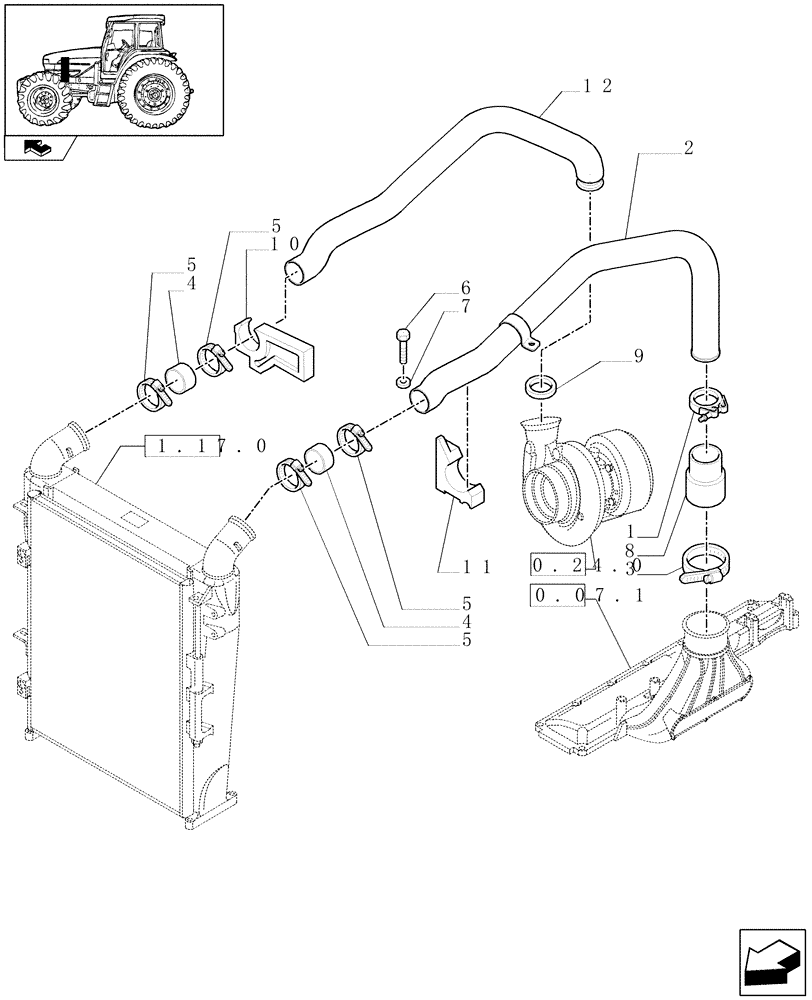
Запчасти Case IH PUMA 115 (1.19.6) - INTERCOOLER AND CONDENSER - PIPES (02) - ENGINE EQUIPMENT

Схема запчастей Case IH PUMA 115 - (1.19.6) - INTERCOOLER AND CONDENSER - PIPES (02) - ENGINE EQUIPMENT
2
11
12
6
1
home
0.24.0
1.17.0
0.07.1
4
7
8
5
5
9
5
10
3
5
4
FIT
1:1
100%

Артикул

Название

Примечание

Количество

1

87524288

CLAMP,77mm

1шт.

2

84201628

TUBE

1шт.

3

82036354

HOSE CLAMP,70mm - 90mm

70 - 90

1шт.

4

87695004

HOSE,57.10 mm ID, SAE J20 R4

1шт.

5

82036351

HOSE CLAMP,50 - 70mm X 14.5mm

50 - 70

5шт.

6

16043424

SCREW,Hex, M8 x 1.25 x 20mm, Cl 8.8, Full Thd

1шт.

7

14496504

WASHER,8.4mm ID x 17mm OD x 1.6mm Thk

1шт.

8

82036504

INTAKE AIR HOSE,57.10 mm ID, 76.00 mm ID x 90.00 mm, SAE J20R4 CLASS C

1шт.

9

14460081

SEALING RING,-142, Cl 7, 2.362" ID x .103" Thk

SEALRING

1шт.

10

87312778

SEAL

1шт.

11

87519081

SEAL

1шт.

12

87689037

HYD TUBE,59 mm OD x 791, 112 mm L

1шт.

Выбрано товаров: 12