Запчасти Case IH PUMA 115 (1.25.3[01]) - SEMI POWER SHIFT - DAMPER AND TRASMISSION / PTO INPUT SHAFT (03) - TRANSMISSION

Схема запчастей Case IH PUMA 115 - (1.25.3[01]) - SEMI POWER SHIFT - DAMPER AND TRASMISSION / PTO INPUT SHAFT (03) - TRANSMISSION
12
10
1.80.7
8
15
14
12
13
5
7
home
16
9
2
3
1
11
6
4
14
FIT
1:1
100%

Артикул

Название

Примечание

Количество

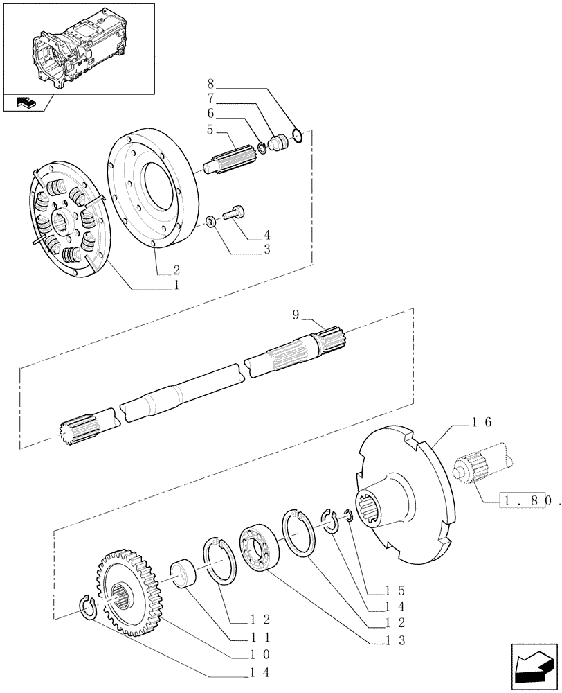
1

87302871

DAMPER

, Serial Range: -C5763

1шт.

87542609R

REMAN-CLUTCH PLATE

PUMA 115, PUMA 125, PUMA 140, PUMA 155 All Serial Range: -C5763 (1/07-11/09),Reman for new P/N 87302871

1шт.

87542609C

CORE-CLUTCH PLATE

Return Number

1шт.

1

87542609

DAMPER,348mm OD

, Start Serial: D5763

1шт.

87542609R

REMAN-CLUTCH PLATE

PUMA 115, PUMA 125, PUMA 140, PUMA 155 All Start Serial: D5763 (1/07-11/09)

1шт.

87542609C

CORE-CLUTCH PLATE

Return Number

1шт.

2

47125891

ENGINE FLYWHEEL

1шт.

3

11198674

BELLEVILLE WASHER,M12 Bolt Size x 24mm OD x 3.2mm Thk

8шт.

4

16208430

BOLT,Hex, M12 x 1.25 x 65mm, Cl 10.9

8шт.

5

87319483

CONTROL SHAFT,14T

1шт.

6

11059076

SNAP RING,M32, Int

1шт.

7

87314222

PLUG,M8 x 1.25

1шт.

8

14463681

O-RING,31.34mm ID x 3.53" Width

1шт.

9

87372502

SHAFT,10T, 22T, 11T, 1040mm L

PTO Control

1шт.

10

87525188

DRIVING GEAR,22T, 41T

1шт.

11

87372775

SPACER,35.1mm ID x 45mm OD x 18.5mm L

1шт.

12

11061976

SNAP RING,M80, Int

2шт.

13

20045200

BALL BEARING,35mm ID x 80mm OD x 21mm

35 x 80 x 21

1шт.

14

11068376

SNAP RING,M35, Ext x 1.5 Thk

2шт.

15

11058676

SNAP RING,M28, Int

1шт.

16

87372774

SLEEVE,28mm ID x 172.5mm OD x 54mm L, 11T

1шт.

Выбрано товаров: 21