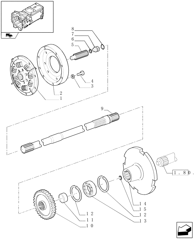
Запчасти Case IH PUMA 115 (1.25.3[02]) - FULL POWER SHIFT - DAMPER AND TRASMISSION / PTO INPUT SHAFT (03) - TRANSMISSION

Схема запчастей Case IH PUMA 115 - (1.25.3[02]) - FULL POWER SHIFT - DAMPER AND TRASMISSION / PTO INPUT SHAFT (03) - TRANSMISSION
5
14
11
12
1.80.7
9
4
2
13
3
12
6
7
home
1
15
10
8
FIT
1:1
100%

Артикул

Название

Примечание

Количество

1

87302871

DAMPER

, Serial Range: -C5763

1шт.

1

87542609R

REMAN-CLUTCH PLATE

, Serial Range: -C5763

1шт.

1

87542609C

CORE-CLUTCH PLATE

Return Number

1шт.

1

87542609

DAMPER,348mm OD

, Start Serial: D5763

1шт.

1

87542609R

REMAN-CLUTCH PLATE

, Start Serial: D5763

1шт.

1

87542609C

CORE-CLUTCH PLATE

Return Number

1шт.

2

47125891

ENGINE FLYWHEEL

1шт.

3

11198674

BELLEVILLE WASHER,M12 Bolt Size x 24mm OD x 3.2mm Thk

8шт.

4

16208430

BOLT,Hex, M12 x 1.25 x 65mm, Cl 10.9

8шт.

5

87314183

PTO SHAFT,14T, 120mm L

1шт.

6

11059076

SNAP RING,M32, Int

1шт.

7

87314222

PLUG,M8 x 1.25

1шт.

8

14463681

O-RING,31.34mm ID x 3.53" Width

1шт.

9

87372505

SHAFT,10T, 22T, 11T, 1045mm L

PTO Control

1шт.

10

87525188

DRIVING GEAR,22T, 41T

1шт.

11

87372775

SPACER,35.1mm ID x 45mm OD x 18.5mm L

1шт.

12

11061976

SNAP RING,M80, Int

2шт.

13

20045200

BALL BEARING,35mm ID x 80mm OD x 21mm

35 x 80 x 21

1шт.

14

87372774

SLEEVE,28mm ID x 172.5mm OD x 54mm L, 11T

1шт.

15

11058676

SNAP RING,M28, Int

1шт.

Выбрано товаров: 20