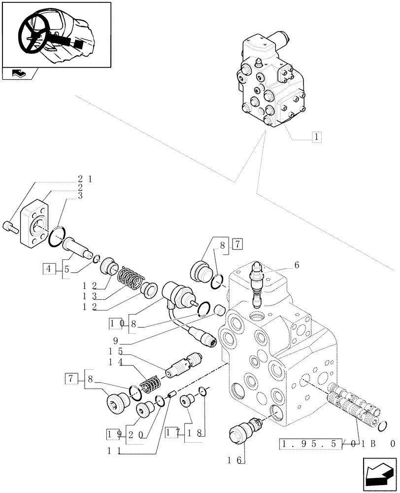
Запчасти Case IH PUMA 115 (1.95.5/01C[02]) - VALVE - BREAKDOWN (VAR.330631-336631) (10) - OPERATORS PLATFORM/CAB

Схема запчастей Case IH PUMA 115 - (1.95.5/01C[02]) - VALVE - BREAKDOWN (VAR.330631-336631) (10) - OPERATORS PLATFORM/CAB
7
15
1.95.5/01b 01
home
4
1
7
11
12
20
8
10
21
17
8
3
16
6
14
5
18
8
12
9
13
2
19
FIT
1:1
100%

Артикул

Название

Примечание

Количество

1

87525763

HYDRAULIC VALVE

ASSY

1шт.

2

47128848

FLANGE

1шт.

3

14453981

O-RING,0.989" ID x 0.07" Width

1шт.

4

47128851

PIN,Hex Socket, M8 x 25.00mm

1шт.

5

47129253

SEALING RING

1шт.

6

47128859

VALVE

1шт.

7

47128844

PLUG

2шт.

8

5135738

O-RING,0.103" Thk x 0.674" ID, -115, 80 Duro

3шт.

9

10269401

PLUG,Taper Thd, Hex Skt, M12 x 1.5 x 11mm, 4.8

M12 x 1.5

1шт.

10

47128860

SENSOR

1шт.

11

47128850

SCREW

1шт.

12

47128852

BUSHING

2шт.

13

47128855

SPRING

1шт.

14

47128856

SPRING

1шт.

15

47131162

VALVE

1шт.

16

47128857

VALVE

2шт.

17

47128842

PLUG,M12 x 1.5 x 17mm, w/Seal

M12 x 1.5

1шт.

18

47129249

O-RING,0.362" ID x 0.568" OD x 0.103"

1шт.

19

47128841

PLUG

1шт.

20

14452981

O-RING,0.07" Thk x 0.364" ID, -12, Cl 7, 75 Duro

1шт.

21

14305773

SCREW,M6 x 14mm

M6 x 14

4шт.

Выбрано товаров: 21