Запчасти Case IH PUMA 125 (1.65.5[01]) - PARKING BRAKE - C6834 (05) - REAR AXLE

Схема запчастей Case IH PUMA 125 - (1.65.5[01]) - PARKING BRAKE - C6834 (05) - REAR AXLE
13
8
12
home
3
4
1
9
2
5
6
14
10
7
11
4
FIT
1:1
100%

Артикул

Название

Примечание

Количество

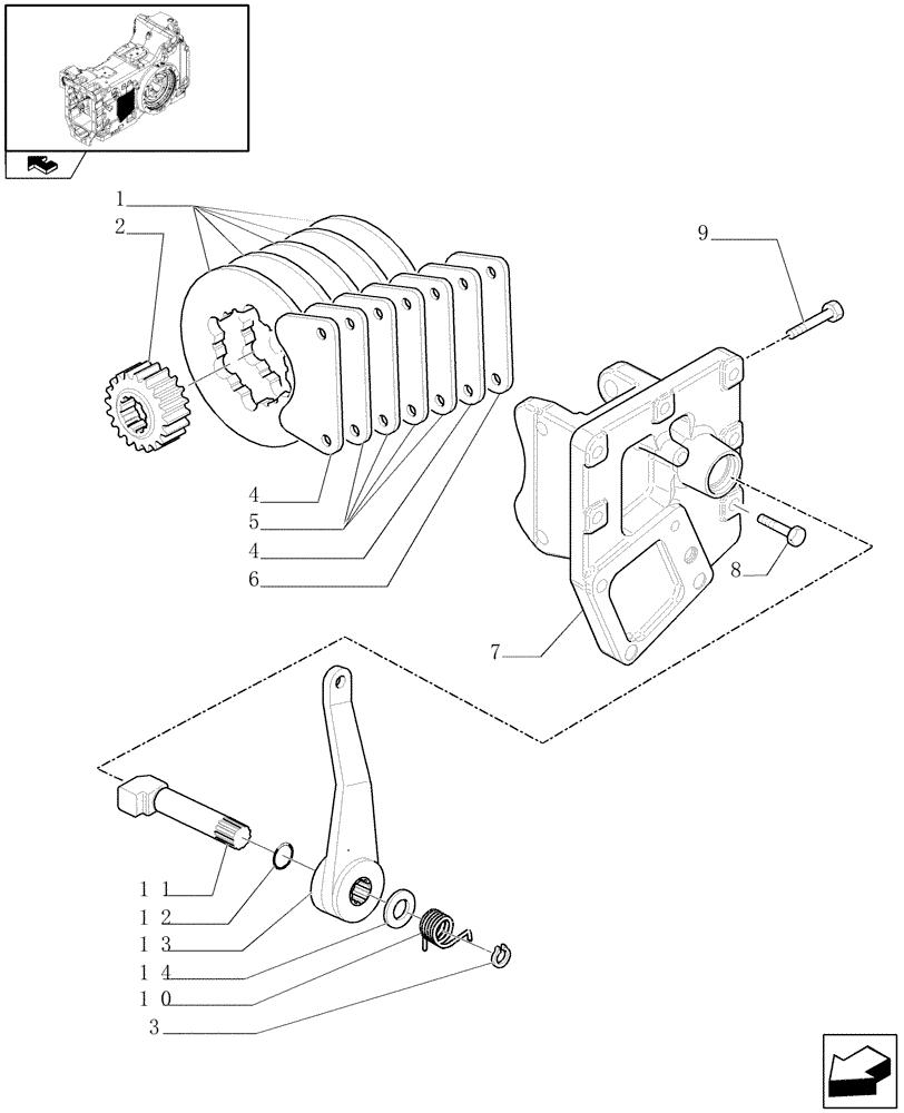
1

47127719

BRAKE DISC

5шт.

2

87372779

HUB

1шт.

3

11067676

SNAP RING,M28, Ext

1шт.

4

5199607

BRAKE PAD,3.1mm Thk

2шт.

5

5199788

BRAKE PAD,4.2mm Thk

4шт.

6

47127226

BRAKE PAD,9mm Thk

1шт.

7

87379786

SUPPORT

1шт.

8

15970924

SCREW,Hex, M10 x 1.25 x 35mm, Cl 8.8

6шт.

8

11307031

BOLT,Hex, M10 x 1.25 x 40mm, Cl 10.9

3шт.

9

84168003

SET SCREW,M14 x 1.5 x 1.5mm, Class 8.8

2шт.

10

5178904

SPRING

1шт.

11

47127313

LEVER

1шт.

12

14458081

O-RING,1.112" ID x 0.103" Width

1шт.

13

47130368

LEVER

1шт.

14

5198146

SHIM,28.1mm ID x 31.9mm OD x 4mm Thk

1шт.

Выбрано товаров: 15