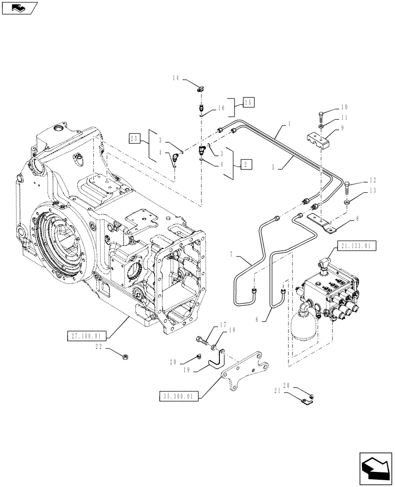
Запчасти Case IH PUMA 130 (21.103.04) - VAR - 390283 - SPS - LOW PRESSURE GEARBOX CONTROL PIPES (21) - TRANSMISSION

Схема запчастей Case IH PUMA 130 - (21.103.04) - VAR - 390283 - SPS - LOW PRESSURE GEARBOX CONTROL PIPES (21) - TRANSMISSION
21
17
23
8
10
7
18
16
27.100.01
12
3
13
1
2
15
5
home
4
9
35.300.01
21.133.01
11
19
3
20
4
14
22
6
20
FIT
1:1
100%

Артикул

Название

Примечание

Количество

1

87519196

PIPE

Rear, from Solenoid Valve to PTO Brake

1шт.

2

87690352

HYD CONNECTOR,11/16"-16 x M16 x 1.5 x M14 x 1.5

Incl 3, 4

1шт.

3

5185510

O-RING,1.78mm Thk x 9.25mm ID, 85 Duro

3шт.

4

14437885

O-RING,13.30mm ID x 2.40mm

3шт.

5

87519209

PIPE

Rear, Supply to Rear PTO Clutch

1шт.

6

87531654

PIPE

Front, from Solenoid Valve to PTO Brake

1шт.

7

87531656

PIPE

Front, Supply to Rear PTO Clutch

1шт.

8

87531658

SUPPORT

1шт.

9

87531659

CLAMP BRACKET

1шт.

10

10903021

SCREW,Hex, M6 x 35mm, Cl 8.8

2шт.

11

14496421

WASHER,6.4mm ID x 12.5mm OD x 1.6mm Thk

2шт.

12

15540231

SCREW,Hex, M12 x 1.25 x 20mm, Cl 10.9, Full Thd

1шт.

13

14496721

WASHER,13mm ID x 24mm OD x 2.5mm Thk

1шт.

14

5185424

DUST CAP,11.5mm ID x 81.5 L, Black

1шт.

15

5185423

COUPLING

Incl 16

1шт.

16

14437785

O-RING,11.3mm ID x 2.4mm

1шт.

17

16043324

BOLT,Hex, M8 x 1.25 x 18mm, Cl 8.8, Full Thd

1шт.

18

14496521

WASHER,8.4mm ID x 17mm OD x 1.6mm Thk

2шт.

19

87519170

BRACKET

1шт.

20

14582480

CLIP

2шт.

21

87679093

SUPPORT

1шт.

22

12574211

NUT,M6 x 1, Cl 8

2шт.

23

5194076

ELBOW,90 Deg, 11/16-16 ORFS x M16 x 1.5 ORB

Incl 3, 4

1шт.

Выбрано товаров: 23