Запчасти Case IH PUMA 130 (35.120.01) - TOOLING CONNECTION UNIT - SUPPORT (35) - HYDRAULIC SYSTEMS

Схема запчастей Case IH PUMA 130 - (35.120.01) - TOOLING CONNECTION UNIT - SUPPORT (35) - HYDRAULIC SYSTEMS
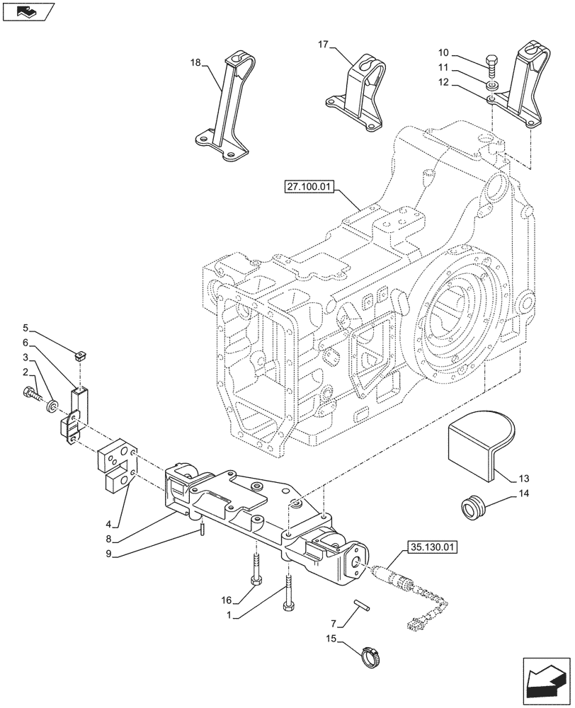
27.100.01
1
13
8
16
14
9
6
4
2
7
15
5
home
10
18
17
3
11
12
35.130.01
FIT
1:1
100%

Артикул

Название

Примечание

Количество

1

15985424

BOLT,Hex, M18 x 1.5 x 110mm, Cl 8.8

4шт.

2

47134668

HEX SOC SCREW,M10 x 1.25 x 35mm

4шт.

3

47130824

LOCK WASHER,Nordlock, 10.70mm ID x 21.00mm OD x 2.50mm

4шт.

4

5191331

PLATE

2шт.

5

84152491

GROMMET,12.8mm ID x 23mm H x 35mm L x 25mm Thk

2шт.

6

87586763

SHIELD

RH

1шт.

6

87586750

SHIELD

LH

1шт.

7

14606470

LOCK PIN,Slotted Spring, M8 x 20.00mm

2шт.

8

5190279

SUPPORT

Incl 9

1шт.

9

5102637

DOWEL,M18 x 30.00mm

2шт.

10

86637974

BOLT,Hex, M12 x 1.25 x 25mm, Cl 8.8, Full Thd

2шт.

11

14496704

WASHER,13mm ID x 24mm OD x 2.5mm Thk

2шт.

12

87655714

BRACKET

, Serial Range: -C7395

1шт.

13

82024718

PANEL

1шт.

14

81862738

PLUG,M38 x 28 x 5mm

1шт.

15

14560287

CABLE TIE,207.00mm L

2шт.

16

15984624

SCREW,Hex, M18 x 1.5 x 70mm, Cl 8.8

4шт.

17

87666902

BRACKET

, Serial Range: -C7395

1шт.

CAT. 2/3 Quick Attach Links with Hydraulic Top Link, VAR.332923

1шт.

18

84414292

BRACKET

, Start Serial: D7395

1шт.

Выбрано товаров: 20