Запчасти Case IH PUMA 130 (35.134.01) - STD & VAR - 332909 -HYDRAULIC LIFT - ROCKSHAFT & LIFT ARMS - L/ APUH (35) - HYDRAULIC SYSTEMS

Схема запчастей Case IH PUMA 130 - (35.134.01) - STD & VAR - 332909 -HYDRAULIC LIFT - ROCKSHAFT & LIFT ARMS - L/ APUH (35) - HYDRAULIC SYSTEMS
4
8
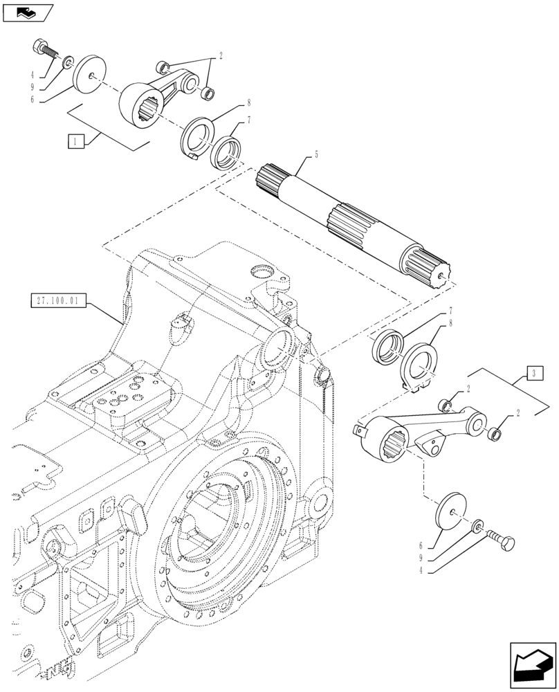
1
6
8
7
2
7
27.100.01
2
9
home
5
6
4
9
2
3
FIT
1:1
100%

Артикул

Название

Примечание

Количество

1

47125530

LIFT ARM

RH, Incl 2

1шт.

2

5153140

BUSHING,25.25mm ID x 30mm OD x 20mm L

4шт.

3

47125529

LIFT ARM

LH, Incl 2

1шт.

4

11422324

BOLT,Hex, M14 x 1.5 x 30mm, Cl 8.8

2шт.

5

5188863

ROCKSHAFT,46T, 520mm L

1шт.

6

5122898

WASHER,15mm ID x 70mm OD x 7mm Thk

2шт.

7

5146367

SEAL,60mm ID x 75mm OD x 8.5mm Thk

2шт.

8

84316817

SPACER,60.00mm ID x 95.00mm OD x 6.00mm

2шт.

9

11194174

BELLEVILLE WASHER,M14 Bolt Size x 27mm OD x 3mm Thk

2шт.

Выбрано товаров: 9