Запчасти Case IH PUMA 130 (35.204.10[01]) - VAR - 743733, 330862, 338851 - EHR CONTROL VALVE - MOUNTING & ATTACHMENTS - 4 VALVE (35) - HYDRAULIC SYSTEMS

Схема запчастей Case IH PUMA 130 - (35.204.10[01]) - VAR - 743733, 330862, 338851 - EHR CONTROL VALVE - MOUNTING & ATTACHMENTS - 4 VALVE (35) - HYDRAULIC SYSTEMS
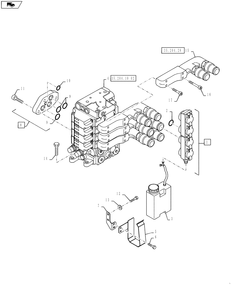
2
8
5
16
17
15
11
14
1
4
6
9
7
9
home
35.204.28
10
13
3
35.204.10 02
12
FIT
1:1
100%

Артикул

Название

Примечание

Количество

1

84293792

DUST CAP

Quadruple, VAR 330862, Incl 2, Serial Range: -C7117

2шт.

1

84290177

DUST CAP

Triple, VAR 338851, Not Shown, Incl 2

2шт.

1

84338824

DUST CAP

, Start Serial: D7117

2шт.

2

14454580

O-RING,34.65mm ID x 1.78mm

4шт.

3

84287277

RESERVOIR, HYDRAULIC

Quadruple, VAR 330862, Incl 2, Start Serial: D7117

1шт.

3

84284864

RESERVOIR, HYDRAULIC

, Serial Range: -C7117

1шт.

4

84266085

CONTROL VALVE

1шт.

5

84312030

SUPPORT

1шт.

6

10902121

SCREW,Hex, M6 x 14mm, Cl 8.8

2шт.

7

84311423

SUPPORT

1шт.

8

5199101

COVER

Incl 9, 10

1шт.

9

81862872

O-RING,2.4mm Thk x 19.6mm ID

3шт.

10

81862879

O-RING,2.4mm Thk x 7.6mm ID

1шт.

11

14306624

HEX SOC SCREW,M8 x 1.25 x 35mm, Cl 8.8, Full Thd

3шт.

12

16043424

SCREW,Hex, M8 x 1.25 x 20mm, Cl 8.8, Full Thd

2шт.

13

14496504

WASHER,8.4mm ID x 17mm OD x 1.6mm Thk

2шт.

14

14307524

HEX SOC SCREW,M10 x 1.25 x 30mm, Cl 8.8, Full Thd

3шт.

15

87381965

QUICK MALE COUPLING

1шт.

16

14305671

SCREW,M6 x 35mm, Cl 12.9

2шт.

17

14306071

SCREW,M6 x 50mm, Cl 12.9

2шт.

Выбрано товаров: 20