Запчасти Case IH PUMA 130 (41.200.08[02A]) - STEERING VALVE - BREAKDOWN - D9026 (41) - STEERING

Схема запчастей Case IH PUMA 130 - (41.200.08[02A]) - STEERING VALVE - BREAKDOWN - D9026 (41) - STEERING
12
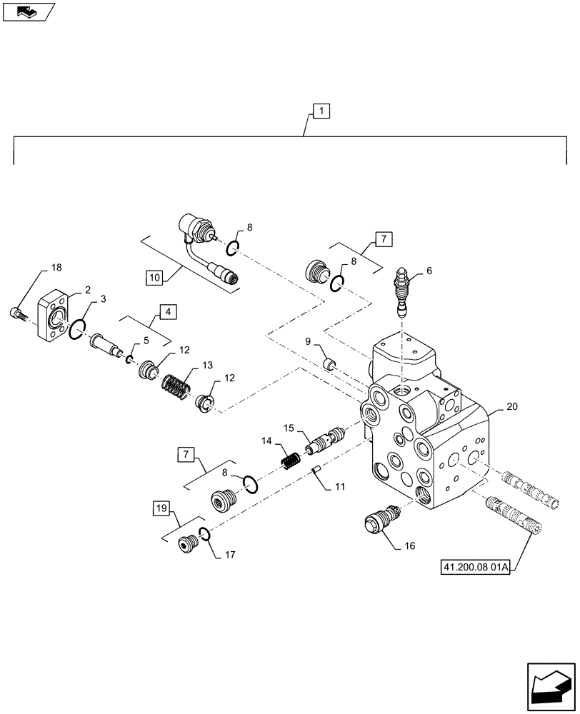
1
9
8
14
41.200.08 01a
11
3
4
20
7
8
8
19
18
13
7
15
5
home
17
2
10
16
12
6
FIT
1:1
100%

Артикул

Название

Примечание

Количество

1

87525763

HYDRAULIC VALVE

ASSY

1шт.

2

47128848

FLANGE

1шт.

3

14453981

O-RING,0.989" ID x 0.07" Width

1шт.

4

47128851

PIN,Hex Socket, M8 x 25.00mm

1шт.

5

47129253

SEALING RING

1шт.

6

47128859

VALVE

1шт.

7

47128844

PLUG

2шт.

8

5135738

O-RING,0.103" Thk x 0.674" ID, -115, 80 Duro

3шт.

9

10269401

PLUG,Taper Thd, Hex Skt, M12 x 1.5 x 11mm, 4.8

M12 x 1.5

1шт.

10

47128860

SENSOR

1шт.

11

47128850

SCREW

1шт.

12

47128852

BUSHING

2шт.

13

47128855

SPRING

1шт.

14

47128856

SPRING

1шт.

15

47131162

VALVE

1шт.

16

47128857

VALVE

2шт.

17

14452980

O-RING,9.25mm ID x 1.78" Width

1шт.

18

14305773

SCREW,M6 x 14mm

M6 x 14

4шт.

19

47128841

PLUG

1шт.

20

NSS

NOT SOLD SEPARAT

1шт.

Выбрано товаров: 20