Запчасти Case IH PUMA 130 (88.033.02[07]) - DIA KIT, PNEUMATIC TRAILER BRAKE (UNIVERSAL) - CONTROL VALVE AND RELEVANT PARTS (88) - ACCESSORIES

Схема запчастей Case IH PUMA 130 - (88.033.02[07]) - DIA KIT, PNEUMATIC TRAILER BRAKE (UNIVERSAL) - CONTROL VALVE AND RELEVANT PARTS (88) - ACCESSORIES
12
9
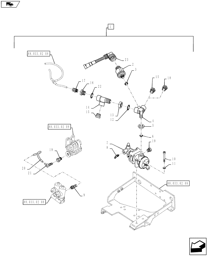
1
23
18
19
10
home
8
21
88.033.02 08
16
15
4
22
5
13
19
6
14
15
88.033.02 08
7
3
2
88.033.02 09
17
11
88.033.02 08
20
FIT
1:1
100%

Артикул

Название

Примечание

Количество

1

719385184

DIA KIT, TRACTOR

Pneumatic Trailer Brake, Universal, Incl 2 - 23, Kit also Incl Figures 88.033.02 01 - 12

1шт.

2

87564377

SENSOR,M12 x 1.5

Air Brake Pressure

1шт.

3

5183780

SEALING WASHER,9.73mm ID x 18mm OD x 1.5mm Thk

1шт.

4

87588083

HYD CONNECTOR,M16 x 1.5

1шт.

5

82019796

LOCK NUT

1шт.

6

82019797

O-RING,2.5mm Thk x 14mm ID

1шт.

7

82016341

TRAILER BRAKE VALVE

1шт.

8

87588084

HYD CONNECTOR,M10 x 1

1шт.

9

87678126

ELBOW,Hex, M12 x 1.4 x 28mm

1шт.

10

14308934

HEX SOC SCREW,M8 x 1.25 x 60mm, Cl 10.9

2шт.

11

10516679

LOCK WASHER,Helical Spring, 8.20mm ID x 14.80mm OD x 2.20mm, C72, ZNM

2шт.

12

82039003

O-RING

1шт.

13

82039004

LOCK NUT

1шт.

14

87714794

HYD CONNECTOR,M22 x 1.5

1шт.

15

82034157

ADAPTER

2шт.

16

87570885

ADAPTER

1шт.

17

82006828

ADAPTER

1шт.

18

82014913

PLUG,M22 x 1.5 x 9mm L

1шт.

19

87588079

HYD CONNECTOR,M16 x 1.5

2шт.

20

84358479

HYD TUBE,6.00mm OD x 193.00mm

Incl 21

1шт.

21

82036158

ELBOW,9.1mm OD x 31.5mm, 6x1Tube

1шт.

22

82019799

O-RING

1шт.

23

87564372

WIRE HARNESS

Air Brake Pressure Sensor

1шт.

Выбрано товаров: 23