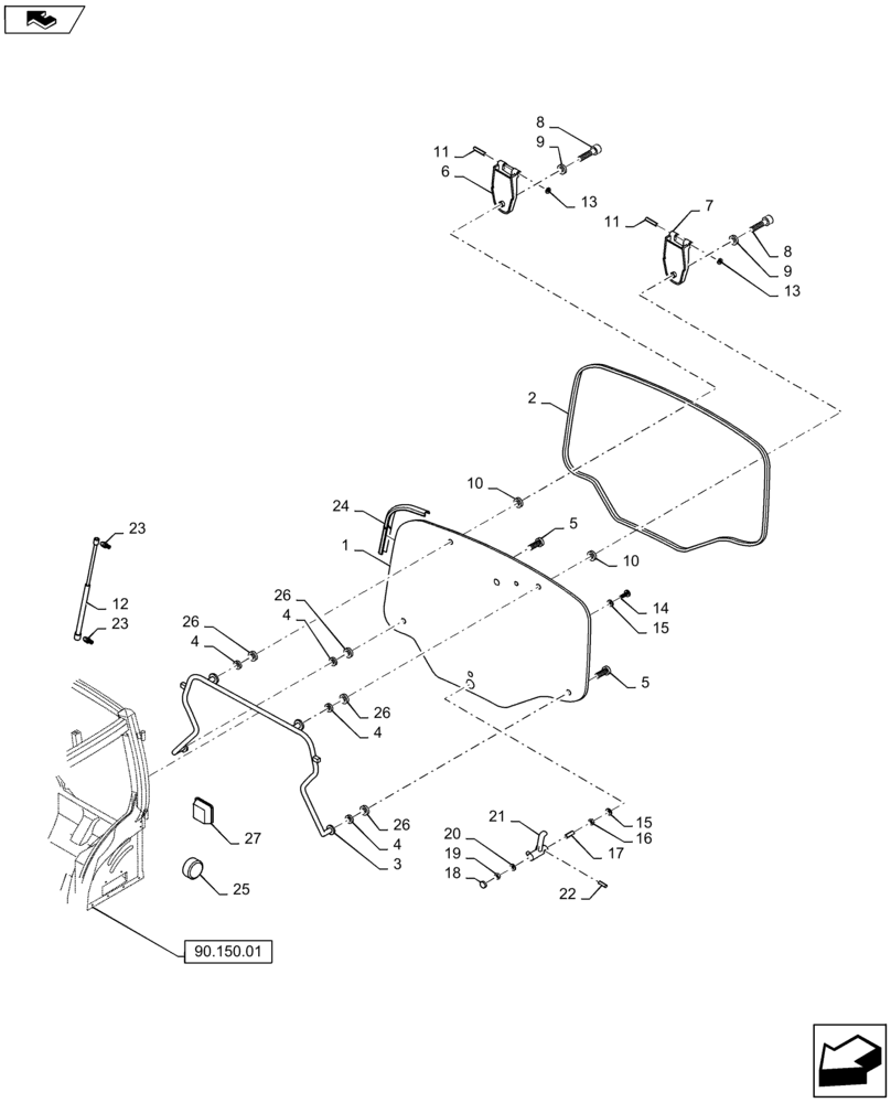
Запчасти Case IH PUMA 130 (90.156.02) - WINDOW - REAR (90) - PLATFORM, CAB, BODYWORK AND DECALS

Схема запчастей Case IH PUMA 130 - (90.156.02) - WINDOW - REAR (90) - PLATFORM, CAB, BODYWORK AND DECALS
25
13
2
26
4
21
27
1
15
15
10
23
8
90.150.01
26
18
17
13
home
9
7
26
22
24
9
6
4
5
14
5
20
26
23
10
4
11
3
11
12
16
8
4
19
FIT
1:1
100%

Артикул

Название

Примечание

Количество

1

87744542

GLASS

, Serial Range: -C9025

1шт.

use 82001909 plug for 28mm hole and 82001910 plug for 16mm hole ( in place of rear wiper motor)

1шт.

1

84600181

CAB GLASS

Tinted Glass, Start Serial: D9025

1шт.

use 82001909 plug for 28mm hole and 82001910 plug for 16mm hole ( in place of rear wiper motor)

1шт.

2

82027998

WEATHERSTRIP,4125mm L

1шт.

3

82030829

HANDLE

1шт.

4

81868323

SEALING WASHER,8.1mm ID x 36mm OD x 5.3mm Thk

4шт.

5

82013304

SCREW,Pan HD, M8 x 22mm

2шт.

6

82034266

HINGE

1шт.

7

82034267

HINGE

1шт.

8

15213321

BOLT,Hex, M8 x 1.25 x 35mm, Cl 8.8

2шт.

9

14496504

WASHER,8.4mm ID x 17mm OD x 1.6mm Thk

2шт.

10

82022441

SHIM,22mm ID x 59.5mm OD x 2mm Thk

2шт.

11

82033133

PIN,17mm OD x 96mm L

2шт.

12

82022486

GAS STRUT,486mm Extended, 286mm Compressed

2шт.

13

11088171

SNAP RING,M11

2шт.

14

83995345

PIN

, Serial Range: -C9025

1шт.

14

47464541

BOLT,M12 x 1.75 x 57mm

, Start Serial: D9025

1шт.

15

81865223

SEALING WASHER,12.8mm ID x 36mm OD x 6.5mm Thk

2шт.

16

83995286

SEALING WASHER,M12.5 x 35 x 3 Thk

1шт.

17

83995351

SPACER,12mm ID x 16mm OD x 24.1mm L

1шт.

18

83961986

PLUG,30mm

1шт.

19

100038

NUT,M12 x 1.75, Cl 8

1шт.

20

87364

WASHER,0.53" ID x 1.06" OD x 0.1" Thk

1шт.

21

87541759

HANDLE

1шт.

22

81865250

PIN,4.3mm OD x 31.45mm L

, Serial Range: -C9025

1шт.

22

47435892

GROOVED PIN,4mm OD x 30mm L

, Start Serial: D9025

1шт.

23

83952214

BALL STUD,M8 x 29.5mm OAL

BALL PIN

4шт.

24

82034552

RUBBER SEAL,1235mm L

SEAL,WINDOW

1шт.

25

87335353

RUBBER BLOCK

, Serial Range: -C6909

1шт.

26

44995003

SEALING WASHER,20.0mm ID x 60.0mm OD x 3.0mm Thk

4шт.

27

84390533

RUBBER BLOCK,19.8mm L x 19.8mm W x 6.4mm Thk

, Start Serial: D6909

1шт.

Выбрано товаров: 32