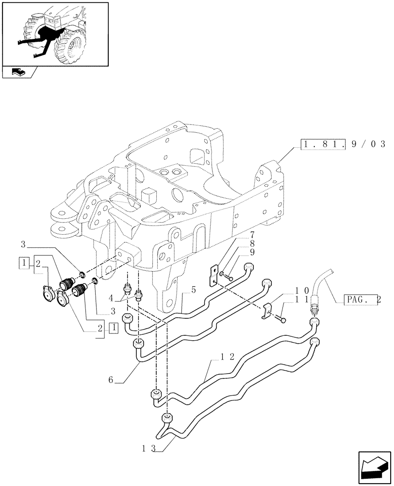
Запчасти Case IH PUMA 140 (1.81.9/01[01]) - 2 HYDRAULIC FRONT COUPLERS FOR INTEGRATED FRONT HPL (VAR.331814) (07) - HYDRAULIC SYSTEM

Схема запчастей Case IH PUMA 140 - (1.81.9/01[01]) - 2 HYDRAULIC FRONT COUPLERS FOR INTEGRATED FRONT HPL (VAR.331814) (07) - HYDRAULIC SYSTEM
home
g
2
13
12
10
7
.
6
1.81.9/03
2
3
8
1
a
11
4
3
2
p
9
1
5
FIT
1:1
100%

Артикул

Название

Примечание

Количество

1

87301571

QUICK MALE COUPLING,M22 x 1.5

2шт.

2

47056253

CAP,59.5mm L x 46mm D x 19.4mm Thk, Black

2шт.

3

11270860

SEAL,22.2mm ID x 26.9mm OD x 1.5mm Thk

2шт.

4

82019638

HYD CONNECTOR,1" - 14 ORFS x M22 x 1.5 ORB

M22 x 1.5, 1"-14UN-2A

2шт.

5

47057663

HYD TUBE

, Serial Range: -C6483

1шт.

6

47057662

HYD TUBE

, Serial Range: -C6483

1шт.

7

47057070

CLAMP BRACKET

1шт.

8

14497101

WASHER,M20 x 37 x 3

1шт.

9

11124421

BOLT,Hex, M20 x 40, 8.8

1шт.

10

47057074

CLAMP,48.6mm x 30mm

1шт.

11

16043621

BOLT,Hex, M8 x 1.25 x 25mm, Cl 8.8, Full Thd

1шт.

12

87664275

HYD TUBE,16 mm OD

, Start Serial: D6483

1шт.

13

87664276

HYD TUBE,16 mm OD

, Start Serial: D6483

1шт.

Выбрано товаров: 13