Качественные детали и логистика
Оригинальные и аналоговые запчасти с доставкой по России, Казахстану и Беларуси
©2022 PartSell ООО "Система" ИНН 2463123282 ОГРН 1212400004838
Центральный офис: г. Красноярск, Академика Киренского, д.87, пом.4
Телефон: 8 (800) 777-65-74 Email: zakaz@partsell.ru
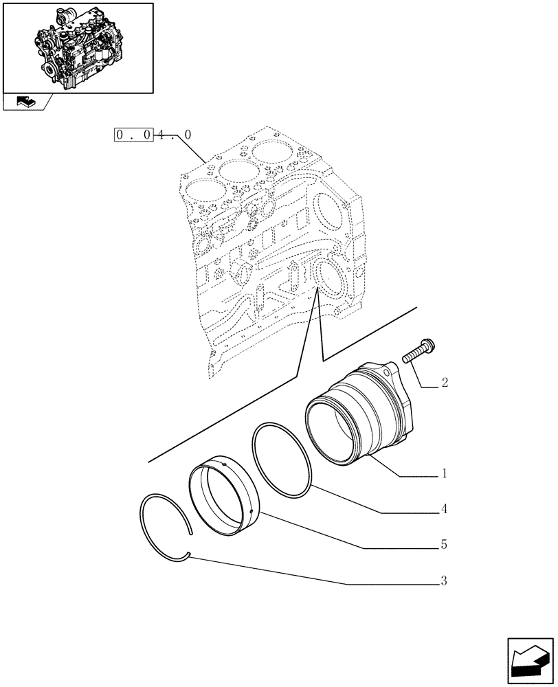
(0.35.0) - POWER TAKE OFF
№
Артикул
Название
Примечание
Количество
1
2853044
DRIVE ASSY.
1шт.
2
2854356
SCREW
3
2831392
SNAP RING,M97
4
4897110
O-RING,0.139" Thk x 3.859" ID, -241
5
4895875
SPACER,103mm ID x 107.8mm OD x 30mm L
Выбрано товаров: 0