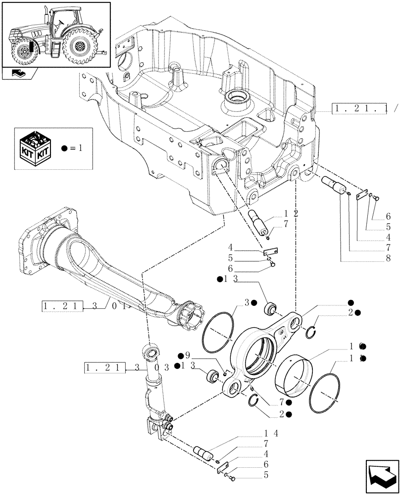
Запчасти Case IH PUMA 140 (1.21.3[02]) - SUSPENDED FRONT AXLE - CYLINDER SUSPENSION (VAR.330429-330430-330414-330427) (03) - TRANSMISSION

Схема запчастей Case IH PUMA 140 - (1.21.3[02]) - SUSPENDED FRONT AXLE - CYLINDER SUSPENSION (VAR.330429-330430-330414-330427) (03) - TRANSMISSION
6
4
12
14
7
9
1
2
1
6
1
8
1
1
6
13
7
5
4
3
10
7
1.21.1/01 01
home
1.21.3 01
1.21.3 03
11
1
2
5
4
1
5
1
1
1
13
1
7
1
FIT
1:1
100%

Артикул

Название

Примечание

Количество

1

87383938

ROD ASSY.

1шт.

2

11061076

SNAP RING,M62, Int

2шт.

3

14483280

O-RING,8.225" ID x 0.210"

1шт.

4

82016870

BRACKET

3шт.

5

83962654

SCREW,Hex, M10 x 1.5 x 20mm, Gr 8.8

6шт.

6

85700672

LOCK WASHER,M10

6шт.

7

13407211

LUBE NIPPLE,M10 x 1

4шт.

8

87305641

PIN,44mm OD x 136mm L

1шт.

9

13411117

VALVE PRESSURE RELIE,M10, Black

1шт.

10

82020450

BUSHING,200mm ID x 205mm OD x 60mm L

1шт.

11

14483180

O-RING,0.21" Thk x 7.975" ID, -369, Cl 5, 75 Duro

1шт.

12

87340146

PIN,34mm OD x 89.7mm L

1шт.

13

82016695

SPHERICAL BEARING,60mm ID x 62mm OD x 35mm W

2шт.

14

87311698

PIN,34mm OD x 68mm L

1шт.

Выбрано товаров: 14