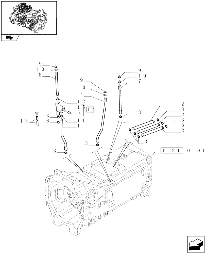
Запчасти Case IH PUMA 140 (1.29.6/01[05]) - FULL POWER-SHIFT TRANS. 18X6 AND 19X6 - CLUCTH BOX INNER PIPES (VAR.330285) (03) - TRANSMISSION

Схема запчастей Case IH PUMA 140 - (1.29.6/01[05]) - FULL POWER-SHIFT TRANS. 18X6 AND 19X6 - CLUCTH BOX INNER PIPES (VAR.330285) (03) - TRANSMISSION
3
10
15
10
9
3
9
3
9
4
3
14
8
11
6
7
3
2
2
13
3
12
10
5
3
1.21.0 01
1
home
2
3
FIT
1:1
100%

Артикул

Название

Примечание

Количество

1

5172991

HYD TUBE,194mm L

1шт.

2

5176959

HYD TUBE,153mm L

3шт.

3

14453181

O-RING,0.489" ID x 0.07" Width

12шт.

4

5179234

HYD TUBE,379mm L

1шт.

5

10275501

PLUG,Pipe, Hex Skt, M12 x 1.25 x 11mm, Cl 4.8

1шт.

6

14463080

O-RING,0.139" Thk x 0.859" ID, -212, Cl 5, 75 Duro

1шт.

7

5179274

HYD TUBE,220mm L

1шт.

8

5179267

HYD TUBE,171mm L

1шт.

9

13397870

CIRCLIP,16.2mm ID x 18mm OD

3шт.

10

14453280

O-RING,0.07" Thk x 0.551" ID, -15, Cl 5, 75 Duro

6шт.

11

14457080

O-RING,0.103" Thk x 0.487" ID, -112, Cl 5, 75 Duro

1шт.

12

14457180

O-RING,0.103" Thk x 0.549" ID, -113, Cl 5, 75 Duro

1шт.

13

5185279

HYD TUBE,318.5mm L

1шт.

14

5179255

HYD CONNECTOR,Hex, M12 x 1.25

1шт.

15

5179254

HYD CONNECTOR,M12 x 1.25

1шт.

Выбрано товаров: 15