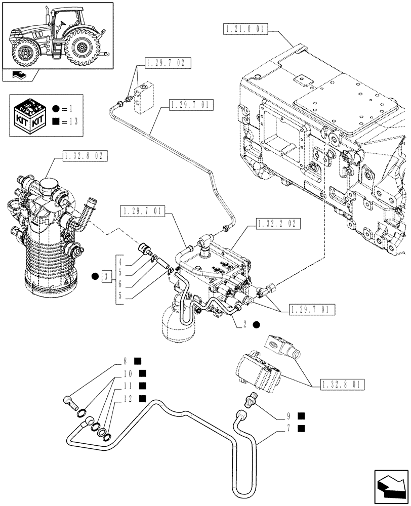
Запчасти Case IH PUMA 140 (1.29.7[01A]) - REDUCTION UNIT VALVE BLOCK AND OIL COOLER PIPES - SERVICE KIT (03) - TRANSMISSION

Схема запчастей Case IH PUMA 140 - (1.29.7[01A]) - REDUCTION UNIT VALVE BLOCK AND OIL COOLER PIPES - SERVICE KIT (03) - TRANSMISSION
13
1
3
12
13
6
1
1.29.7 01
home
1.32.8 01
1.29.7 02
1.29.7 01
1.32.2 02
1.29.7 01
1.32.8 02
2
1
1.21.0 01
8
5
5
13
7
1
9
4
13
11
10
13
13
13
13
FIT
1:1
100%

Артикул

Название

Примечание

Количество

1

710083280001

SERVICE KIT

Contains Ref 2-6

1шт.

For Higher Performance on Power Steering at Start up

1шт.

2

84352739

HYD TUBE

Lubrification

1шт.

3

84352585

HYD CONNECTOR

1шт.

4

87330801

HYD CONNECTOR,21mm D x 12.5mm D

1шт.

5

82039344

HOSE CLAMP,20mm - 32mm

2шт.

6

84352586

HOSE,15.9mm ID x 70mm L, SAE 100R6

1шт.

7

84466456

HYD TUBE

1шт.

For 25 CCM Steering Pump

1шт.

7

84466454

HYD TUBE

1шт.

For 19 CCM Steering Pump

1шт.

8

5170235

BANJO BOLT,M18 x 1.5 x 35mm

1шт.

9

84466553

HYD CONNECTOR

1шт.

10

5167640

SEALING WASHER,14.09mm ID x 26.45mm OD x 1.5mm Thk

2шт.

11

84398569

SPACER,18.5mm ID x 24.5mm OD x 5mm L

1шт.

12

10259960

SEAL,Rectangular, 18.30mm ID x 24.00mm OD x 1.50mm, Copper

1шт.

13

710083280002

SERVICE KIT

Contains Ref 7-12

1шт.

For Higher Performance on Power Steering at Start up

1шт.

Выбрано товаров: 18