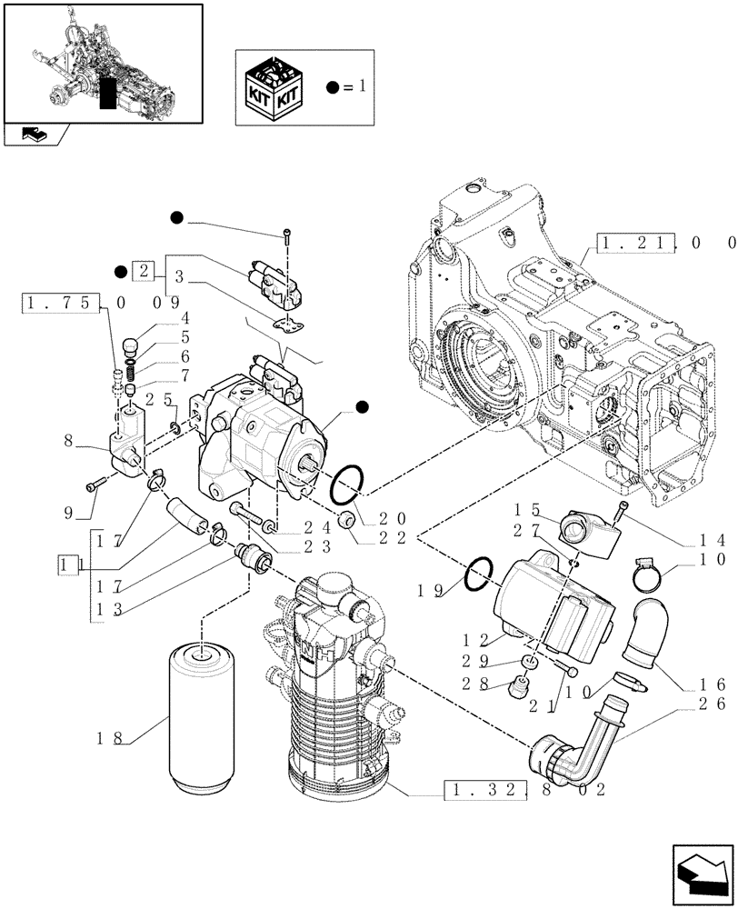
Запчасти Case IH PUMA 140 (1.32.8[01]) - PUMPS FOR HYDRAULIC SYSTEM AND LIFT - PUMPS AND FILTER (03) - TRANSMISSION

Схема запчастей Case IH PUMA 140 - (1.32.8[01]) - PUMPS FOR HYDRAULIC SYSTEM AND LIFT - PUMPS AND FILTER (03) - TRANSMISSION
11
9
6
22
2
24
25
17
14
28
16
1
5
10
3
17
27
1
1
7
8
1
15
19
21
23
26
20
4
29
12
13
10
1
1.21.0 02
1.75.0 09
1.32.8 02
home
18
FIT
1:1
100%

Артикул

Название

Примечание

Количество

1

84164091

HYDRAULIC PUMP

1шт.

1

84471387R

REMAN-HYD PUMP,45 CC

1шт.

1

84471387C

CORE-HYDRAULIC PUMP,45 CC

Return Number

1шт.

2

84209779

COMPENSATOR

1шт.

3

84209778

GASKET

1шт.

4

47123781

PLUG,M22 x 1.5

1шт.

5

14438085

O-RING,19.3mm ID x 2.4mm

1шт.

6

87722518

SPRING,12.5mm OD x 33.5mm L

1шт.

7

5169565

VALVE,By-Pass

1шт.

8

87570482

HYDRAULIC MANIFOLD

1шт.

9

14306421

HEX SOC SCREW,M8 x 1.25 x 25mm, Cl 8.8

2шт.

10

82039346

HOSE CLAMP,30mm - 45mm, Worm Gear

2шт.

11

87492483

HOSE,32mm Bore Dia

1шт.

12

84263360

HYDRAULIC PUMP,25.67 CC

1шт.

12

84263360R

REMAN-HYD PUMP

1шт.

12

84263360C

CORE-HYDRAULIC PUMP

Return Number

1шт.

13

87381694

HYD CONNECTOR,21mm D x 22mm D

1шт.

14

14302231

SCREW,M8 x 55mm, Cl 10.9

4шт.

15

87391622

FLANGE

1шт.

15

84466465

FLANGE

1шт.

See Figure Note

1шт.

15

84466463

FLANGE

1шт.

See Figure Note

1шт.

Valid for VAR.330285

1шт.

16

87323539

ELBOW,90 Deg, 31mm ID x 45mm OD

1шт.

17

82036709

HOSE CLAMP,25mm - 40mm, Worm Gear

2шт.

18

84226263

HYDRAULIC OIL FILTER,116.8mm OD x 295.4mm L, 1" 3/8-12UNF

1шт.

19

14461080

O-RING,0.103" Thk x 3.237" ID, -152, Cl 5, 75 Duro

1шт.

20

14461380

O-RING,0.103" Thk x 3.987" ID, -155, Cl 5, 75 Duro

1шт.

21

14307421

HEX SOC SCREW,M10 x 1.25 x 25mm, Cl 8.8

4шт.

22

12164021

NUT,Thick Hex, M14, 1.50mm Pitch, 11.00mm High, Cl 10, ZND

2шт.

23

15978124

BOLT,Hex, M14 x 1.5 x 120mm, Cl 8.8

2шт.

24

10730821

WASHER,Flat, 14.40mm ID x 26.00mm OD x 3.00mm, R80, ZND

2шт.

25

14463480

O-RING,28.17mm ID x 3.53mm Width

1шт.

26

87324688

ELBOW,90 Deg, 32.9mm - 27mm ID

1шт.

27

14463680

O-RING,0.139" Thk x 1.234" ID, -218, Cl 5, 75 Duro

1шт.

28

10300511

PLUG,M12 x 1.5 x 12, Cl5.8

1шт.

29

5183780

SEALING WASHER,9.73mm ID x 18mm OD x 1.5mm Thk

1шт.

Выбрано товаров: 38