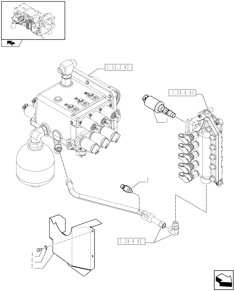
Запчасти Case IH PUMA 140 (1.75.0[07]) - POWER SHIFT DISTRIBUTOR - SOLENOID VALVES AND SENSORS (06) - ELECTRICAL SYSTEMS

Схема запчастей Case IH PUMA 140 - (1.75.0[07]) - POWER SHIFT DISTRIBUTOR - SOLENOID VALVES AND SENSORS (06) - ELECTRICAL SYSTEMS
2
home
1.32.2 02
1.29.6 02
1.29.6 01
3
4
5
1
FIT
1:1
100%

Артикул

Название

Примечание

Количество

1

87739558

SOLENOID VALVE,14W

Green Connectors

5шт.

1

87739558R

REMAN-SOLENOID

Green Connectors

5шт.

1

87739558C

CORE-SOLENOID

Return Number

5шт.

2

87564690

TEMPERATURE SENDER,3/8" - 18

Trans. Temperature

1шт.

3

87471173

1шт.

4

86625006

BOLT,Hex, M8 x 1 x 16mm, Cl 8.8, Full Thd

4шт.

5

10519604

WASHER,8.15mm ID x 17mm OD x 2mm Thk

4шт.

Выбрано товаров: 7