Запчасти Case IH PUMA 140 (1.76.0[03]) - AUXILIARY POWER SOCKETS AND CAPS (06) - ELECTRICAL SYSTEMS

Схема запчастей Case IH PUMA 140 - (1.76.0[03]) - AUXILIARY POWER SOCKETS AND CAPS (06) - ELECTRICAL SYSTEMS
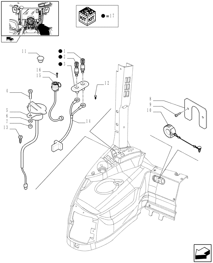
1
13
14
5
6
9
1
home
15
7
4
1
1
12
1
16
3
17
11
2
10
8
FIT
1:1
100%

Артикул

Название

Примечание

Количество

1

82003171

TERMINAL CONNECTOR

Red

1шт.

2

82003172

TERMINAL CONNECTOR

Black

1шт.

3

82003173

BEZEL

1шт.

4

13272617

SCREW,Pozidriv Pan Hd, M4 x 25mm, Cl 5.8

2шт.

5

87583575

WIRE HARNESS

, Serial Range: -C7158

1шт.

5

84416692

WIRE HARNESS

, Start Serial: D7158

2шт.

6

14496201

WASHER,M4 x 9

2шт.

7

10794014

NUT,M4, Cl 8

2шт.

8

87313993

HOLDER

1шт.

9

83976489

SCREW,Pan, M5 x 20mm, Cl 4.8

2шт.

10

87316393

CAP

, Serial Range: -C7112

1шт.

11

81865569

PLUG,Grommet automatic pick up

1шт.

12

87716701

PLUG,Blanking, Snap, 6.40mm Dia

2шт.

13

15650101

SCREW,M3.9 x 13mm

2шт.

14

82035388

WIRE HARNESS

1шт.

15

87345189

WIRE HARNESS

ELECTRIC CABLE

1шт.

16

83912337

SELF-TAP SCREW,3.5mm OD x 1.3mm Thd x 22mm L

6 x 22

2шт.

17

84266120

SOCKET,12V

1шт.

Выбрано товаров: 18