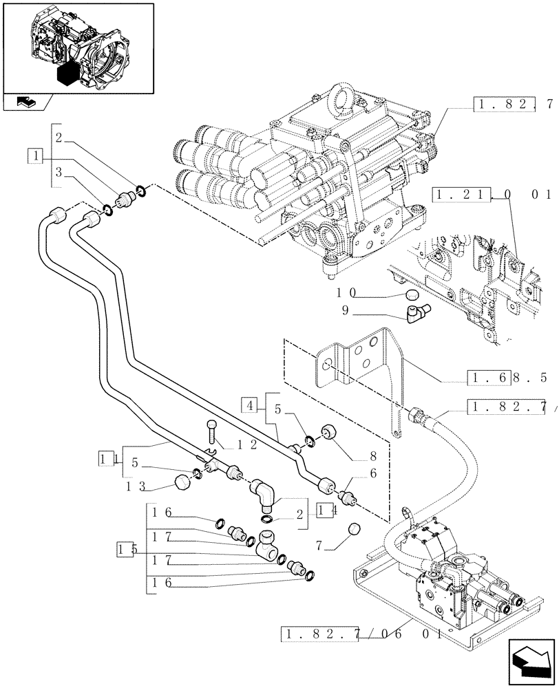
Запчасти Case IH PUMA 140 (1.82.7/06[03]) - 2 ELECTRONIC MID MOUNTED VALVES - PIPES (VAR.330560-333560) (07) - HYDRAULIC SYSTEM

Схема запчастей Case IH PUMA 140 - (1.82.7/06[03]) - 2 ELECTRONIC MID MOUNTED VALVES - PIPES (VAR.330560-333560) (07) - HYDRAULIC SYSTEM
15
5
8
16
1
17
3
16
12
7
2
6
home
1.21.0 01
1.82.7 01
1.82.7/06 01
1.82.7/06 02
1.68.5
17
13
10
4
5
14
9
11
2
FIT
1:1
100%

Артикул

Название

Примечание

Количество

1

86579680

HYD CONNECTOR,1"-14 ORFS x M22 x 1.5mm ORB

1шт.

2

9992069

O-RING,0.07" Thk x 0.614" ID, -16, Cl 6, 90 Duro

2шт.

3

86598102

O-RING,2.2mm Thk x 19.3mm ID, Cl 6, 90 Duro

1шт.

4

84177760

TUBE,16 mm OD

Pressure, Supply, Serial Range: -C6943

1шт.

2 Electronic Mid Mounted Valves, VAR.330560

1шт.

4

84402217

PRESSURE PIPE

, Start Serial: D6943

1шт.

2 Electronic Mid Mounted Valves, VAR.330560

1шт.

5

9992298

O-RING,0.07" Thk x 0.489" ID, -14, Cl 6, 90 Duro

1шт.

6

86978771

UNION,16mm L

1шт.

2 Electronic Mid Mounted Valves, VAR.330560

1шт.

7

9840576

CAP,1" - 14 ORFS

1шт.

2 Electronic Mid Mounted Valves, VAR.330560

1шт.

8

9840575

CAP,13/16" - 16 ORFS

1шт.

2 Electronic Mid Mounted Valves, VAR.330560

1шт.

9

81865683

ELBOW,90 Deg, 11/16-16 ORFS x M14 x 1.5 ORB

1шт.

10

82016749

PLUG,11/16-16 ORFS

1шт.

11

84234683

HYD TUBE

Pressure, Supply

1шт.

2 Electronic Mid Mounted Valves for Front Axle Suspension, VAR.333560

1шт.

12

14420321

HEX SOC SCREW,M10 x 35mm, Cl 8.8

1шт.

2 Electronic Mid Mounted Valves for Front Axle Suspension, VAR.333560

1шт.

13

5189973

PLUG

1шт.

2 Electronic Mid Mounted Valves for Front Axle Suspension, VAR.333560

1шт.

14

84989393

ELBOW,90 Degree, 1"-14 ORFS x 1"-14 Fem Sw

1шт.

2 Electronic Mid Mounted Valves for Front Axle Suspension, VAR.333560

1шт.

15

82018814

CHECK VALVE,9/16" - 18 JIC x 9/16" - 18 ORFS x 9/16" - 18 ORFS

1шт.

2 Electronic Mid Mounted Valves for Front Axle Suspension, VAR.333560

1шт.

16

81844850

O-RING,0.07" Thk x 0.301" ID, -11, Cl 6, 90 Duro

2шт.

17

81827528

O-RING,0.072" Thk x 0.351" ID, -904, Cl 6, 90 Duro

2шт.

Выбрано товаров: 28