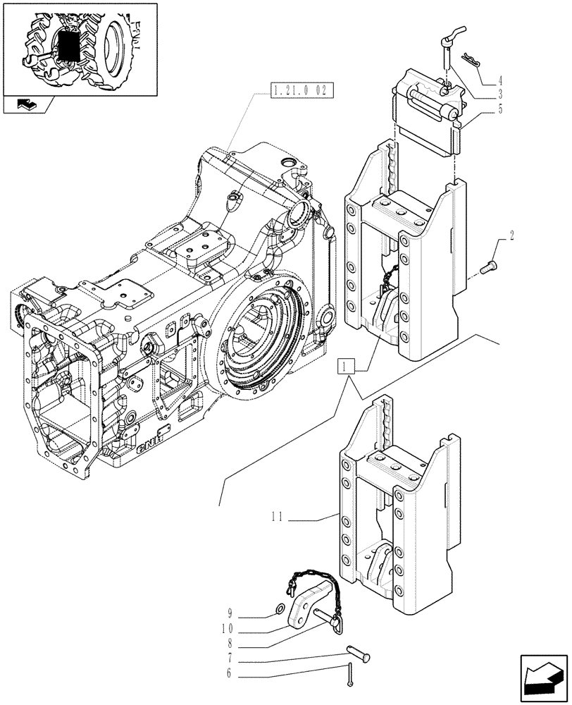
Запчасти Case IH PUMA 140 (1.89.5/02[01A]) - SLIDER TOW HOOK WITH SWIVEL COUPLING AND PITON, LESS SWINGING DRAWBAR (FRANCE) - D6978 (VAR.330940) (09) - IMPLEMENT LIFT

Схема запчастей Case IH PUMA 140 - (1.89.5/02[01A]) - SLIDER TOW HOOK WITH SWIVEL COUPLING AND PITON, LESS SWINGING DRAWBAR (FRANCE) - D6978 (VAR.330940) (09) - IMPLEMENT LIFT
1
7
11
5
3
6
4
10
9
8
2
home
1.21.0 02
FIT
1:1
100%

Артикул

Название

Примечание

Количество

1

84351262

FRAME

1шт.

2

16220874

BOLT,Hex, M18 x 1.5 x 45mm, Cl 12.9

10шт.

3

82018421

PIN

1шт.

4

82003071

SPRING

1шт.

5

82027298

COUPLING

1шт.

6

281072

COTTER PIN,5/16" Dia x 3"

1шт.

7

86516223

PIN,30mm OD x 89mm L

1шт.

8

86516226

PIN,20mm OD x 100mm L

1шт.

9

86511327

WASHER,21mm ID x 37mm OD x 3mm Thk

1шт.

10

84385418

LATCH HOOK

1шт.

11

NSS

NOT SOLD SEPARAT

1шт.

Выбрано товаров: 11