Запчасти Case IH PUMA 145 (21.105.04) - VAR - 330285 - FPS - LOW PRESSURE GEARBOX CONTROL PIPES (21) - TRANSMISSION

Схема запчастей Case IH PUMA 145 - (21.105.04) - VAR - 330285 - FPS - LOW PRESSURE GEARBOX CONTROL PIPES (21) - TRANSMISSION
home
10
5
8
21.113.02
1
5
4
11
6
4
7
21.113.01
21.113.03
2
9
21.135.01
3
FIT
1:1
100%

Артикул

Название

Примечание

Количество

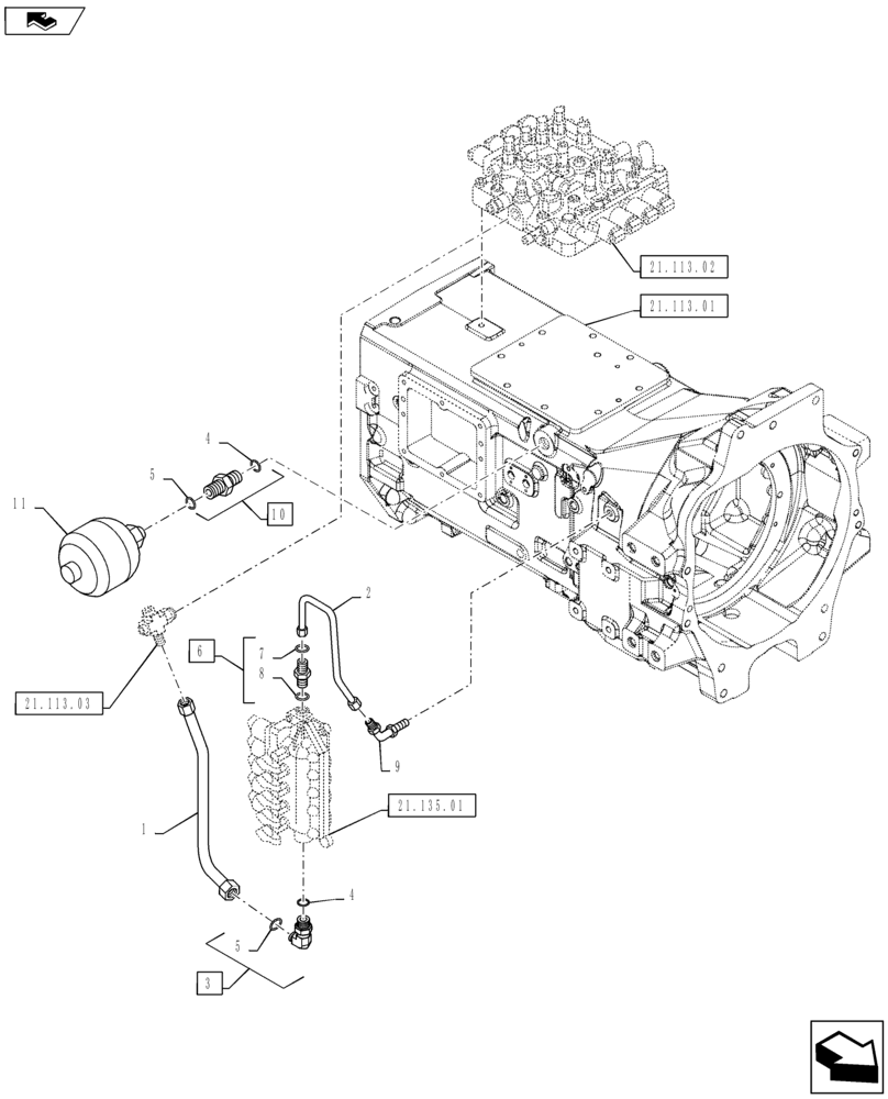
1

87519109

PIPE

Power Shift Distributor

1шт.

2

87671396

PIPE

A Clutch

1шт.

3

5192286

90 ELBOW,1-14" ORFS x M22 x 1.5

Incl 4, 5

1шт.

4

14438085

O-RING,19.3mm ID x 2.4mm

1шт.

5

5185512

O-RING,0.07" Thk x 0.614" ID, -16, Cl 6, 90 Duro

2шт.

6

86579675

HYD CONNECTOR,13/16"-16 ORFS x M16 x 1.5 ORB

Incl 7, 8

1шт.

7

9992298

O-RING,0.07" Thk x 0.489" ID, -14, Cl 6, 90 Duro

1шт.

8

86598100

O-RING,2.2mm Thk x 13.3mm ID, Cl 6, 90 Duro

1шт.

9

87574619

HYD CONNECTOR,13/16"-16 x M18 x 1.5

1шт.

10

5185046

HYD CONNECTOR,1-14 ORFS x M18 x 1.5 ORB

Incl 4, 5

1шт.

11

87314179

ACCUMULATOR,0.75L

1шт.

Выбрано товаров: 11