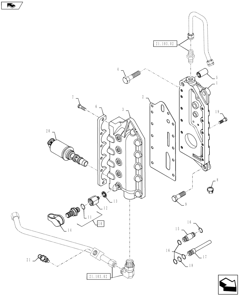
Запчасти Case IH PUMA 145 (21.133.05) - VAR - 390283 - SPS TRANSMISSION DISTRIBUTOR AND RELATED PARTS (21) - TRANSMISSION

Схема запчастей Case IH PUMA 145 - (21.133.05) - VAR - 390283 - SPS TRANSMISSION DISTRIBUTOR AND RELATED PARTS (21) - TRANSMISSION
20
7
15
2
5
17
16
16
18
19
4
3
1
13
12
home
8
14
11
21.103.02
10
21.103.02
21
6
9
FIT
1:1
100%

Артикул

Название

Примечание

Количество

1

87678192

BODY

1шт.

2

5165241

GASKET,0.5mm Thk

1шт.

3

47134550

VALVE BODY

1шт.

4

14308124

HEX SOC SCREW,M10 x 1.25 x 60mm, Cl 8.8

1шт.

5

87386700

SPACER,10.5mm ID x 15mm OD x 27mm L

1шт.

6

47134564

FIXING PLATE

1шт.

7

14305221

HEX SOC SCREW,M6 x 16mm, Full Thd, Cl 8.8

6шт.

8

13000290

HOSE CLAMP,12mm - 18mm, Worm Gear

1шт.

9

14307524

HEX SOC SCREW,M10 x 1.25 x 30mm, Cl 8.8, Full Thd

2шт.

10

5185423

COUPLING

Incl 11

5шт.

11

14437785

O-RING,11.3mm ID x 2.4mm

1шт.

12

5185422

HYD CONNECTOR,M10 x 1 - M14 x 1.5

5шт.

13

87316678

SEALING WASHER,10mm ID x 16mm OD x 2.3mm Thk

5шт.

14

5185424

DUST CAP,11.5mm ID x 81.5 L, Black

5шт.

15

5167065

HYD CONNECTOR,10mm ID, 44.5mm L

1шт.

16

14453181

O-RING,0.489" ID x 0.07" Width

10шт.

17

5162184

HYD CONNECTOR,M10 x 1.25, 136mm L

4шт.

18

13397776

SNAP RING,M16, Int

4шт.

19

10902621

SCREW,Hex, M6 x 25mm, Cl 8.8

14шт.

20

87739558

SOLENOID VALVE,14W

5шт.

20

87739558R

REMAN-SOLENOID

1шт.

20

87739558C

CORE-SOLENOID

Return Number

1шт.

21

87564690

TEMPERATURE SENDER,3/8" - 18

Transmission

1шт.

Выбрано товаров: 23