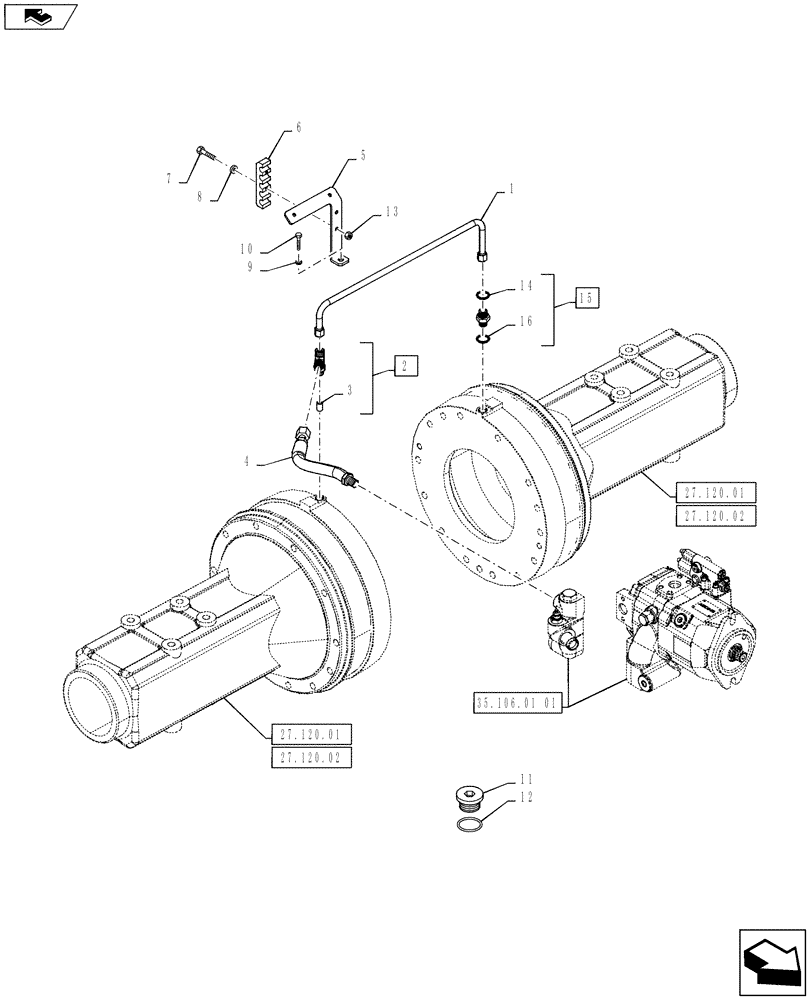
Запчасти Case IH PUMA 145 (33.202.08) - VAR - 330285 - FPS- BRAKE LUBRICATION PIPES (33) - BRAKES & CONTROLS

Схема запчастей Case IH PUMA 145 - (33.202.08) - VAR - 330285 - FPS- BRAKE LUBRICATION PIPES (33) - BRAKES & CONTROLS
5
14
35.106.01
2
3
8
27.120.02
27.120.01
1
27.120.02
11
27.120.01
13
12
4
6
7
home
16
9
15
35.106.01 01
10
FIT
1:1
100%

Артикул

Название

Примечание

Количество

1

87722393

PIPE

Left Brake Lubrication

1шт.

2

87722406

HYD CONNECTOR

Incl 3

1шт.

3

NSS

NOT SOLD SEPARAT

1шт.

4

87722392

HOSE,13mm ID x 267mm L, SAE 100R3

Brake Lubrication

1шт.

5

87630862

SUPPORT

1шт.

6

87723144

BRACKET

1шт.

7

10903021

SCREW,Hex, M6 x 35mm, Cl 8.8

2шт.

7

86977789

BOLT,Hex, M6 x 1.0 x 35mm, Cl 8.8

2шт.

8

14496421

WASHER,6.4mm ID x 12.5mm OD x 1.6mm Thk

2шт.

9

12638621

WASHER,M10 x 18 x 2

1шт.

10

15970521

BOLT,Hex, M10 x 1.25 x 20mm, Cl 8.8, Full Thd

1шт.

11

11903011

PLUG,M10 x 1 x 11, Cl5.8

1шт.

12

87316678

SEALING WASHER,10mm ID x 16mm OD x 2.3mm Thk

1шт.

13

12574211

NUT,M6 x 1, Cl 8

1шт.

14

9992298

O-RING,0.07" Thk x 0.489" ID, -14, Cl 6, 90 Duro

1шт.

15

86579675

HYD CONNECTOR,13/16"-16 ORFS x M16 x 1.5 ORB

Incl 14, 16

1шт.

16

86598100

O-RING,2.2mm Thk x 13.3mm ID, Cl 6, 90 Duro

1шт.

Выбрано товаров: 17