Запчасти Case IH PUMA 145 (35.200.02[01]) - VAR - 743689, 330560, 333560, 743690, 330561, 333561 - 2 ELECTRONIC MID MOUNTED VALVES - PIPES (35) - HYDRAULIC SYSTEMS

Схема запчастей Case IH PUMA 145 - (35.200.02[01]) - VAR - 743689, 330560, 333560, 743690, 330561, 333561 - 2 ELECTRONIC MID MOUNTED VALVES - PIPES (35) - HYDRAULIC SYSTEMS
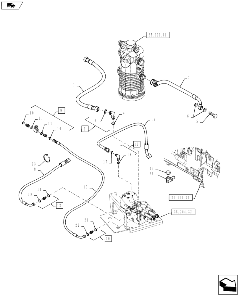
9
22
8
20
4
13
25
21
10
10
16
5
7
12
24
3
15
14
6
35.204.32
35.300.01
19
17
home
18
11
1
11
21.111.01
2
23
FIT
1:1
100%

Артикул

Название

Примечание

Количество

1

87695799

FLEXIBLE HOSE,15.88mm ID x 850mm L, SAE 100R16

Supply

1шт.

2

5194728

90 ELBOW

Incl 3, 4

1шт.

3

14438085

O-RING,19.3mm ID x 2.4mm

1шт.

4

5185512

O-RING,0.07" Thk x 0.614" ID, -16, Cl 6, 90 Duro

1шт.

5

5112588

BANJO BOLT,M22 x 1.5 x 40mm

1шт.

6

5165897

SEALING WASHER,22.7mm ID x 30mm OD x 2mm Thk

2шт.

7

84121775

HYDRAULIC HOSE,18.00mm OD x 1000.00mm, SAE 100R3

Return

1шт.

8

84389501

HOSE ASSY.,10mm ID x 850mm L, SAE 100R2

24 Bar Supply

1шт.

9

82018814

CHECK VALVE,9/16" - 18 JIC x 9/16" - 18 ORFS x 9/16" - 18 ORFS

Incl 10, 11

1шт.

10

81844850

O-RING,0.07" Thk x 0.301" ID, -11, Cl 6, 90 Duro

2шт.

11

81827528

O-RING,0.072" Thk x 0.351" ID, -904, Cl 6, 90 Duro

2шт.

12

82019693

HYD CONNECTOR,11/16" - 16 ORFS x M14 x 1.5 ORFS

Incl 13, 14

1шт.

13

82019811

SEAL,11.6mm ID x 16.5mm OD x 1.5mm Thk

1шт.

14

81844851

O-RING,0.07" Thk x 0.364" ID, -12, Cl 6, 90 Duro

1шт.

15

84192417

HOSE

Return

1шт.

16

5185548

ELBOW,M14 x 1.5mm ORB, 13/16"-16" ORFS

Incl 17, 18

1шт.

17

14437785

O-RING,11.3mm ID x 2.4mm

1шт.

18

5185511

O-RING,1.78mm Thk x 12.42mm ID, 85 Duro

1шт.

19

84161309

HYDRAULIC HOSE,6.35mm ID x 1450mm L, SAE 100R2

Load Sense

1шт.

20

5185045

HYD CONNECTOR

Incl 21, 22

1шт.

21

14437685

O-RING,9.30mm ID x 2.40mm

1шт.

22

5185509

O-RING,1.78mm Thk x 7.66mm ID, 85 Duro

1шт.

23

82001041

CABLE TIE,0.190" x 7.00" / 200 mm L

3шт.

24

81865683

ELBOW,90 Deg, 11/16-16 ORFS x M14 x 1.5 ORB

1шт.

25

82016749

PLUG,11/16-16 ORFS

1шт.

Выбрано товаров: 25