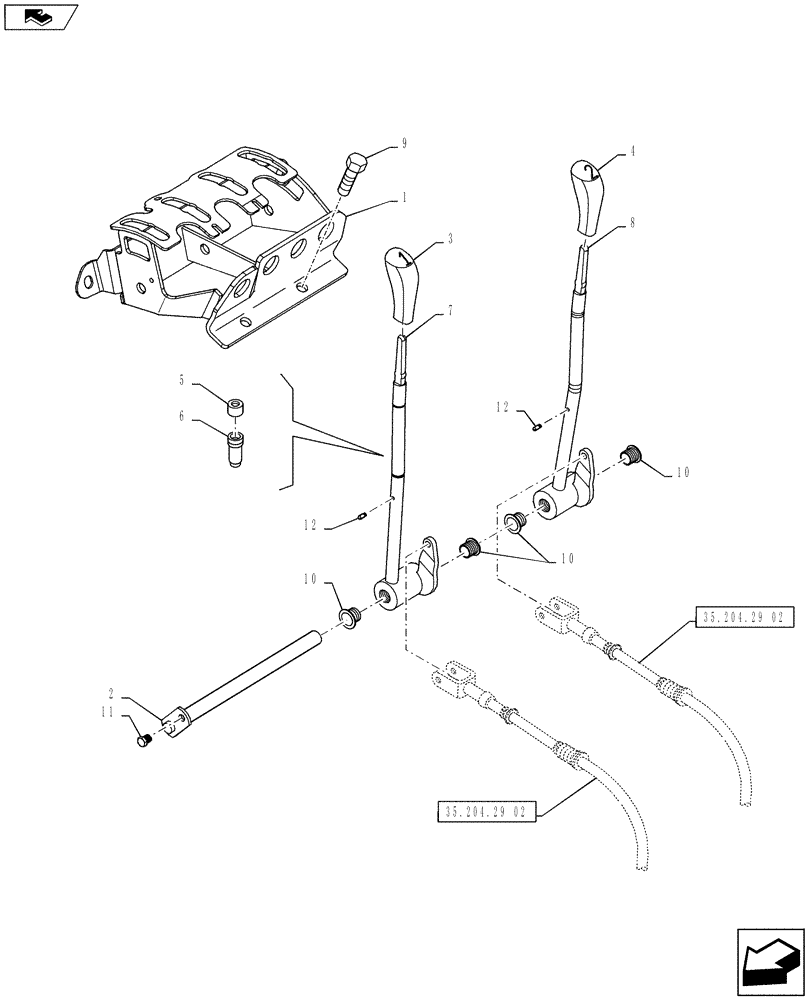
Запчасти Case IH PUMA 145 (35.204.29[01]) - 2 LEVER - REAR CONTROLS (35) - HYDRAULIC SYSTEMS

Схема запчастей Case IH PUMA 145 - (35.204.29[01]) - 2 LEVER - REAR CONTROLS (35) - HYDRAULIC SYSTEMS
2
10
home
12
10
35.204.29 02
12
8
7
3
11
10
9
6
35.204.29 02
4
1
5
FIT
1:1
100%

Артикул

Название

Примечание

Количество

1

84174782

FRAME

1шт.

2

84186398

HANDLED SHAFT

1шт.

3

82037910

KNOB

1шт.

4

82037911

KNOB

1шт.

5

84209516

LOCKING DEVICE

2шт.

6

84209520

LOCKING DEVICE

2шт.

7

84174789

LEVER

1шт.

8

84174790

LEVER

1шт.

9

14307374

BOLT,Hex Skt, M10 x 1.25 x 20mm, Cl 12.9, Full Thd

4шт.

10

82035633

BUSHING

4шт.

11

10856821

BOLT,Hex, M5 x 8mm, Cl 8.8, Full Thd

1шт.

12

84209523

SPRING LOCK

2шт.

Выбрано товаров: 12