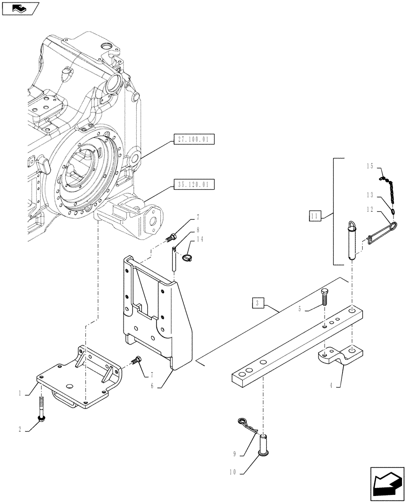
Запчасти Case IH PUMA 145 (37.100.02) - VAR - 330937 - INDEPENDENT SWINGING DRAWBAR WITH CLEVIS (37) - HITCHES, DRAWBARS & IMPLEMENT COUPLINGS

Схема запчастей Case IH PUMA 145 - (37.100.02) - VAR - 330937 - INDEPENDENT SWINGING DRAWBAR WITH CLEVIS (37) - HITCHES, DRAWBARS & IMPLEMENT COUPLINGS
12
2
7
home
6
35.120.01
8
27.100.01
14
11
13
5
9
1
10
4
7
15
3
FIT
1:1
100%

Артикул

Название

Примечание

Количество

1

87642177

SUPPORT

1шт.

2

87558079

BOLT,Flng, M18 x 1.5 x 125mm, Cl 12.9

4шт.

3

87566049

DRAWBAR

Incl 4, 5

1шт.

4

82026931

SUPPORT,254mm L x 75mm W x 30mm Thk, 70mm Offset

1шт.

5

11125234

SCREW,Hex, M20 x 75mm, Cl 10.9

2шт.

6

87390212

FRAME

1шт.

7

16220874

BOLT,Hex, M18 x 1.5 x 45mm, Cl 12.9

8шт.

8

82015207

PIN,16mm OD x 141mm L

2шт.

9

82000094

SPRING,40mm OD x 142mm L

1шт.

10

87558077

PIN,32mm OD x 102mm L

1шт.

11

87579063

HITCH PIN,32mm OD x 182mm L

Incl 12, 13, 15

1шт.

12

5152004

HAIR PIN COTTER,195mm L

1шт.

13

44901192

SNAP RING,25mm ID

1шт.

14

82014909

LOCK PIN,5.5mm OD

2шт.

15

596063

LINK CHAIN,13 Links x 18mm = 234mm L

1шт.

Выбрано товаров: 15