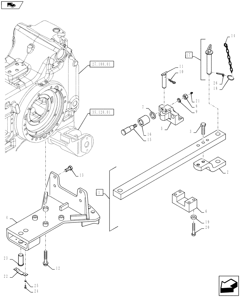
Запчасти Case IH PUMA 145 (37.100.03) - VAR - 330915 - INDEPENDENT SWINGING DRAWBAR WITH ROLLERS (37) - HITCHES, DRAWBARS & IMPLEMENT COUPLINGS

Схема запчастей Case IH PUMA 145 - (37.100.03) - VAR - 330915 - INDEPENDENT SWINGING DRAWBAR WITH ROLLERS (37) - HITCHES, DRAWBARS & IMPLEMENT COUPLINGS
3
18
35.120.01
13
10
6
1
17
home
9
15
23
2
25
12
19
21
14
16
26
27.100.01
22
11
24
7
20
8
5
4
FIT
1:1
100%

Артикул

Название

Примечание

Количество

1

82027758

DRAWBAR

Incl 2, 3

1шт.

2

82026931

SUPPORT,254mm L x 75mm W x 30mm Thk, 70mm Offset

1шт.

3

11125234

SCREW,Hex, M20 x 75mm, Cl 10.9

2шт.

4

87752822

FRAME

1шт.

5

84126360

SUPPORT

1шт.

6

82035866

PLATE

1шт.

7

83954373

WASHER,1.11" ID x 1.57" OD x 0.28" Thk

2шт.

8

83927122

NUT,Hex, 3/4"-16, 0.665" High, G5

2шт.

9

83917225

LOCK WASHER,Helical Spring, 0.766" ID x 1.285" OD x 0.226"

2шт.

10

82029383

PIN,26mm OD x 115.5mm L

1шт.

11

82026318

COTTER PIN,1/8 x 2 5/16

1шт.

12

82018941

FLANGE BOLT,Hex, M18 x 1.5 x 100mm, Cl 12.9

4шт.

13

16220874

BOLT,Hex, M18 x 1.5 x 45mm, Cl 12.9

4шт.

14

596063

LINK CHAIN,13 Links x 18mm = 234mm L

1шт.

15

83954368

BOLT,28.05mm OD x 126.64mm L

2шт.

16

83954370

ROLLER,56.9mm OD x 60.2mm L

2шт.

17

87579063

HITCH PIN,32mm OD x 182mm L

Incl 14, 18, 26

1шт.

18

44901192

SNAP RING,25mm ID

2шт.

19

10572174

LOCK WASHER,Helical Spring, 16.20mm ID x 27.40mm OD x 3.50mm, C72, DAC

4шт.

20

16218524

BOLT,Hex, M16 x 1.5 x 100mm, Cl 8.8

4шт.

21

83416242

LUBE NIPPLE,Straight, 1/8"-27 x 0.66"

2шт.

22

82021060

PLATE

1шт.

23

82014774

TOWBAR PIN,32mm OD x 93.5mm L

1шт.

24

81821509

BOLT,Hex, 1/4" - 20 x 3/4", Gr 5

2шт.

25

83935046

LOCK WASHER,Helical Spring, 1/4" ID x 0.489" OD x 0.062" Thk

2шт.

26

5152004

HAIR PIN COTTER,195mm L

1шт.

Выбрано товаров: 26