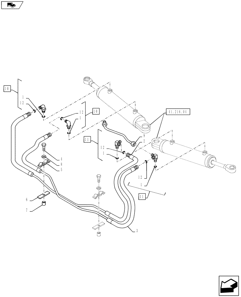
Запчасти Case IH PUMA 145 (41.200.04) - VAR - 330429, 330430 - CL.4 SUSPENDED FRONT AXLE - STEERING CYLINDER HYD. LINE (41) - STEERING

Схема запчастей Case IH PUMA 145 - (41.200.04) - VAR - 330429, 330430 - CL.4 SUSPENDED FRONT AXLE - STEERING CYLINDER HYD. LINE (41) - STEERING
10
12
1
5
2
1
home
10
12
1
1
4
6
12
7
12
41.216.04
9
11
11
8
3
FIT
1:1
100%

Артикул

Название

Примечание

Количество

1

14437785

O-RING,11.3mm ID x 2.4mm

1шт.

2

47136888

FLEXIBLE HOSE,10.00mm OD x 1450.00mm

1шт.

3

47136898

FLEXIBLE HOSE,10.00mm OD x 1450.00mm

1шт.

4

16043824

SCREW,Hex, M8 x 1.25 x 30mm, Cl 8.8, Full Thd, DAC

2шт.

5

5188504

BRACKET

2шт.

6

5188503

BRACKET

2шт.

7

13605811

SPACER,8.50mm ID x 18.00mm OD x 10.00mm, STL, ZND

2шт.

8

11193874

BELLEVILLE WASHER,M8 Bolt Size x 16mm OD x 1.4mm Thk

2шт.

9

87517475

HYD TUBE,10.00mm OD x 228.00mm, 50.00mm L

1шт.

10

47127165

90 ELBOW

Incl 1, 12

2шт.

11

5188443

90 ELBOW

Incl 1, 12

2шт.

12

5185510

O-RING,1.78mm Thk x 9.25mm ID, 85 Duro

1шт.

Выбрано товаров: 0