Запчасти Case IH PUMA 145 (41.200.07) - VAR - 743723, 330631, 336631 - FAST STEERING - VALVE AND PIPES (41) - STEERING

Схема запчастей Case IH PUMA 145 - (41.200.07) - VAR - 743723, 330631, 336631 - FAST STEERING - VALVE AND PIPES (41) - STEERING
41.200.08 01
7
12
4
41.101.02
2
9
home
9
10
1
8
16
11
15
41.200.08 02
13
6
5
8
4
3
14
41.101.02
7
FIT
1:1
100%

Артикул

Название

Примечание

Количество

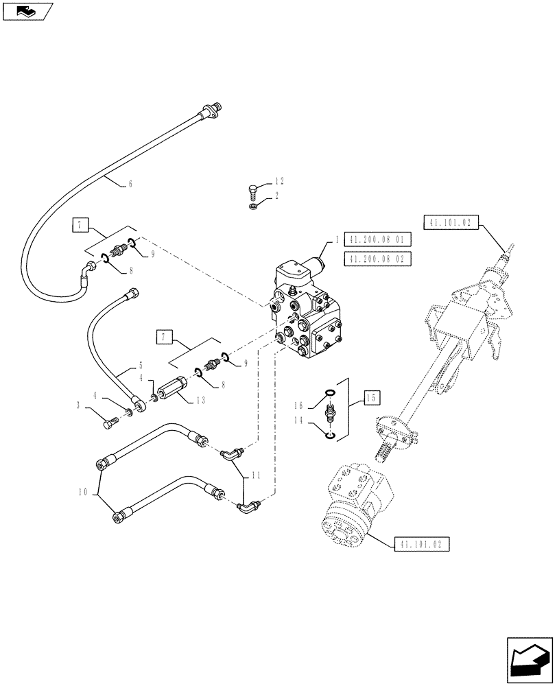
1

87546345

HYDRAULIC VALVE

ASSY, Serial Range: -C9026

1шт.

1

87525763

HYDRAULIC VALVE

ASSY, Start Serial: D9026

1шт.

2

10569470

LOCK WASHER

2шт.

3

5112588

BANJO BOLT,M22 x 1.5 x 40mm

1шт.

4

5165897

SEALING WASHER,22.7mm ID x 30mm OD x 2mm Thk

22.7 x 30 x 2

2шт.

5

87379576

FLEXIBLE HOSE,600.00mm

Feed

1шт.

6

87661596

HOSE,625.00mm

Return, Serial Range: -C9023

1шт.

6

84497518

HOSE

Return, Start Serial: D9023

1шт.

7

82016760

HYD CONNECTOR,1"-14 / M18 x 1.5

114, M 8 x 1.5

2шт.

8

83901443

O-RING,0.07" Thk x 0.614" ID, -16, Cl 6, 90 Duro

90 Duro

1шт.

9

83999938

SEAL,15.7mm ID x 20.9mm OD x 1.5mm Thk

15.7 x 20.9 x 1.5

1шт.

10

87319929

FLEXIBLE HOSE,500.00mm

2шт.

Only for VAR.743187 Fast Steer for NAR Markets

1шт.

10

82035337

FLEXIBLE HOSE

2шт.

Only for VAR.729636 Fast Steer

1шт.

11

82019693

HYD CONNECTOR,11/16" - 16 ORFS x M14 x 1.5 ORFS

Contains Ref. 12,13

2шт.

12

81844851

O-RING,0.07" Thk x 0.364" ID, -12, Cl 6, 90 Duro

2шт.

13

82019811

SEAL,11.6mm ID x 16.5mm OD x 1.5mm Thk

2шт.

14

87350633

FILTER

1шт.

15

47131084

SCREW,Hex Socket, M10 x 1 x 90.00mm

M10 x 1 x 90

2шт.

16

87319921

HYD CONNECTOR

11/16-16, M14x1.5

2шт.

Выбрано товаров: 21