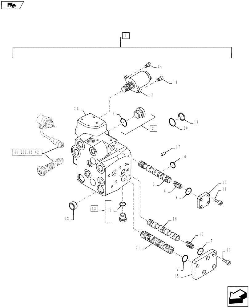
Запчасти Case IH PUMA 145 (41.200.08[01]) - STEERING VALVE - BREAKDOWN - C9026 (41) - STEERING

Схема запчастей Case IH PUMA 145 - (41.200.08[01]) - STEERING VALVE - BREAKDOWN - C9026 (41) - STEERING
7
6
2
13
home
12
4
14
5
41.200.08 02
10
3
11
18
7
16
15
8
19
11
17
21
22
1
14
9
23
20
FIT
1:1
100%

Артикул

Название

Примечание

Количество

1

87546345

HYDRAULIC VALVE

Incl 2 - 23 and Parts on Figure 41.208 08 (02)

1шт.

2

47128861

SOLENOID VALVE

1шт.

3

47128844

PLUG

Incl 4

1шт.

4

5135738

O-RING,0.103" Thk x 0.674" ID, -115, 80 Duro

1шт.

5

87387085

SPOOL

1шт.

6

87705324

SEAL

1шт.

7

14453681

O-RING,0.07" Thk x 0.801" ID, -19, Cl 7, 75 Duro

2шт.

8

47128854

SPRING

1шт.

9

14453581

O-RING,0.07" Thk x 0.739" ID, -18, Cl 7, 75 Duro

1шт.

10

47128846

FLANGE

1шт.

11

14305773

SCREW,M6 x 14mm

9шт.

12

47129249

O-RING,0.362" ID x 0.568" OD x 0.103"

1шт.

13

47128842

PLUG,M12 x 1.5 x 17mm, w/Seal

Incl 12

2шт.

14

14504073

SCREW,M5 x 10mm

2шт.

15

47128847

FLANGE

1шт.

16

47128853

SPRING

1шт.

17

13804421

SET SCREW,Hex Skt, M5 x 6mm, Flat Pt

1шт.

18

47128838

SPOOL

1шт.

19

47136168

BACK-UP RING

4шт.

20

14457681

O-RING,0.103" Thk x 0.862" ID, -118, Cl 7, 75 Duro

4шт.

21

47128840

SPOOL

1шт.

22

87336940

BUSHING

2шт.

23

NSS

NOT SOLD SEPARAT

Housing, Incl in 1

1шт.

Выбрано товаров: 23