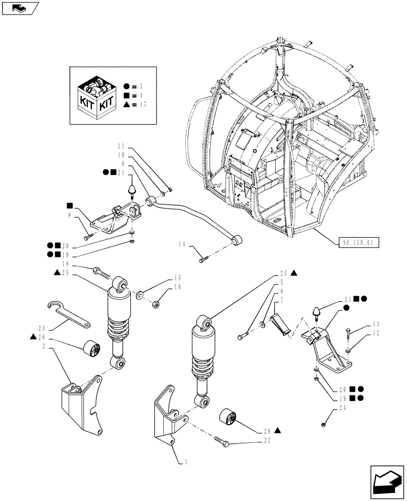
Запчасти Case IH PUMA 145 (90.150.03) - VAR - 331619, 333658, 334658, 743709 - CAB SUSPENSION - REAR - PUMA 130 & 145 (90) - PLATFORM, CAB, BODYWORK AND DECALS

Схема запчастей Case IH PUMA 145 - (90.150.03) - VAR - 331619, 333658, 334658, 743709 - CAB SUSPENSION - REAR - PUMA 130 & 145 (90) - PLATFORM, CAB, BODYWORK AND DECALS
3
3
home
26
5
4
3
21
4
4
25
22
17
8
16
26
13
12
24
6
4
11
19
4
17
14
2
20
18
4
1
20
15
23
7
3
19
4
90.150.01
17
3
21
10
25
4
3
3
3
17
9
4
3
17
17
FIT
1:1
100%

Артикул

Название

Примечание

Количество

1

87520938

SUPPORT

LH

1шт.

2

87520940

SUPPORT

RH

1шт.

3

87521110

SUPPORT

LH

1шт.

4

87521122

SUPPORT

RH

1шт.

5

87543582

PIN,20mm OD x 104mm L

4шт.

6

11066871

CIRCLIP,M20

4шт.

7

87357896

STRAP,165mm L

2шт.

8

87591850

TIE-ROD,2 x 38.9mm ID

1шт.

9

395528

BOLT,Hex, M20 x 2.5 x 100mm, Cl 8.8

1шт.

10

14497101

WASHER,M20 x 37 x 3

2шт.

11

82020635

NUT,Prevailing Torque, M20 x 2.5 x 20mm, Cl8

2шт.

12

10520324

WASHER,18.4mm ID x 32mm OD x 4mm Thk

8шт.

13

15239624

BOLT,Hex, M18 x 1.5 x 65mm, Cl 8.8

8шт.

14

80043188

BOLT,M20 x 2.5 x 120mm, Cl 8.8

1шт.

15

12646001

WASHER,14.4mm ID x 24mm OD x 2mm Thk

6шт.

16

12577311

LOCK NUT,Prevailing Torque, M14 x 2.0 x 16.6mm, Cl8, ZND

2шт.

17

84183933

SERVICE KIT

Incl 25, 26

1шт.

18

86509599

BOLT,Hex, M14 x 90mm, Cl 8.8

2шт.

19

12577511

NUT,M12 x 1.75, Cl 8

2шт.

20

14496701

WASHER,13.00mm ID x 24.00mm OD x 2.50mm, CST, ZND

2шт.

21

82025784

RUBBER PAD,M12 x 1.75

2шт.

22

86518210

BOLT,Hex, M14 x 75mm, Cl 8.8

2шт.

23

82034842

SPECIAL WRENCH

1шт.

24

82039222

SPECIAL NUT,M14 x 1.5, Cl 10.9

2шт.

25

84183931

SHOCK ABSORBER

2шт.

26

84183930

ISOLATOR

2шт.

Выбрано товаров: 26