Запчасти Case IH PUMA 155 (1.65.5) - PARKING BRAKE (05) - REAR AXLE

Схема запчастей Case IH PUMA 155 - (1.65.5) - PARKING BRAKE (05) - REAR AXLE
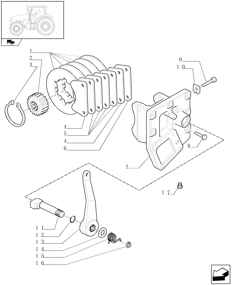
7
17
6
4
3
14
8
9
15
home
5
2
13
1
10
16
11
12
4
FIT
1:1
100%

Артикул

Название

Примечание

Количество

1

47127719

BRAKE DISC

5шт.

2

87372779

HUB

1шт.

3

11071876

SNAP RING,M100, Ext

1шт.

4

5199607

BRAKE PAD,3.1mm Thk

2шт.

5

5199788

BRAKE PAD,4.2mm Thk

4шт.

6

47127226

BRAKE PAD,9mm Thk

1шт.

7

87379786

SUPPORT

1шт.

8

15970924

SCREW,Hex, M10 x 1.25 x 35mm, Cl 8.8

6шт.

8

11307031

BOLT,Hex, M10 x 1.25 x 40mm, Cl 10.9

3шт.

9

87397902

SCREW,Brake Elements, 101.50mm

, Serial Range: -C6347

2шт.

9

84168003

SET SCREW,M14 x 1.5 x 1.5mm, Class 8.8

, Start Serial: D6347

2шт.

10

14199000

LOCKING PLATE

, Serial Range: -C6347

2шт.

11

47127313

LEVER

1шт.

12

14458081

O-RING,1.112" ID x 0.103" Width

1шт.

12

14437685

O-RING,9.30mm ID x 2.40mm

1шт.

13

47130368

LEVER

1шт.

14

5198146

SHIM,28.1mm ID x 31.9mm OD x 4mm Thk

1шт.

15

5178904

SPRING

1шт.

16

11067676

SNAP RING,M28, Ext

1шт.

17

10118611

PLUG,M12 x 1.5 x 15.00mm, Cl 5.8

1шт.

Выбрано товаров: 20