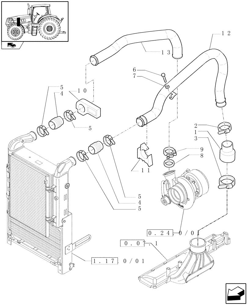
Запчасти Case IH PUMA 155 (1.19.6/01) - INTERCOOLER AND CONDENSER - PIPES (02) - ENGINE EQUIPMENT

Схема запчастей Case IH PUMA 155 - (1.19.6/01) - INTERCOOLER AND CONDENSER - PIPES (02) - ENGINE EQUIPMENT
4
13
9
5
10
5
6
11
3
4
2
1.17.0/01
home
0.24.0/01
0.07.1
1
7
8
5
12
5
FIT
1:1
100%

Артикул

Название

Примечание

Количество

1

82038251

HOSE,63.5mm ID x 98mm L, SAE J20 R4, Class C

1шт.

2

82036353

HOSE CLAMP,60 - 80mm X 14.5mm

D=60-80

1шт.

3

82036354

HOSE CLAMP,70mm - 90mm

D=70-90

1шт.

4

87709369

SLEEVE,63.5mm ID x 177mm L

2шт.

5

82036351

HOSE CLAMP,50 - 70mm X 14.5mm

D=50-70

4шт.

6

16043821

SCREW,Hex, M8 x 1.25 x 30mm, Cl 8.8, Full Thd

1шт.

7

12646701

WASHER,8.15mm ID x 20mm OD x 2mm Thk

1шт.

8

14460081

SEALING RING,-142, Cl 7, 2.362" ID x .103" Thk

SEALRING

1шт.

9

87524288

CLAMP,77mm

1шт.

10

82038253

SEAL

1шт.

11

87315683

RUBBER SEAL

1шт.

12

84136403

PIPE

LH

1шт.

13

87542502

PIPE

RH

1шт.

14

82033028

CABLE TIE,170mm L

D=30-135

4шт.

Выбрано товаров: 14