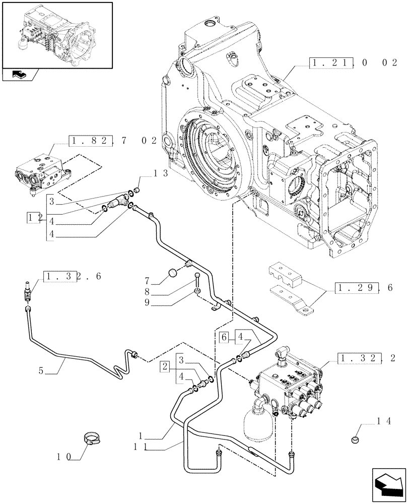
Запчасти Case IH PUMA 155 (1.29.6[03]) - LOW PRESSURE GEARBOX CONTROL PIPES (03) - TRANSMISSION

Схема запчастей Case IH PUMA 155 - (1.29.6[03]) - LOW PRESSURE GEARBOX CONTROL PIPES (03) - TRANSMISSION
4
home
1.32.2 02
1.29.6 04
1.21.0 02
1.82.7 02
3
2
1
10
13
9
4
4
12
1.32.6
8
4
3
14
11
7
5
6
FIT
1:1
100%

Артикул

Название

Примечание

Количество

1

87519204

PIPE

4wd Clutch Supply

1шт.

2

5185046

HYD CONNECTOR,1-14 ORFS x M18 x 1.5 ORB

1шт.

3

14437985

O-RING,15.3mm ID x 2.4mm

2шт.

4

5185512

O-RING,0.07" Thk x 0.614" ID, -16, Cl 6, 90 Duro

4шт.

5

87519206

PIPE

Rear

1шт.

Differential Lock

1шт.

6

87660983

PIPE

Rear

1шт.

From PC Port to Rear Remote Control Valves

1шт.

7

5189973

PLUG

1шт.

8

16043324

BOLT,Hex, M8 x 1.25 x 18mm, Cl 8.8, Full Thd

1шт.

9

14496521

WASHER,8.4mm ID x 17mm OD x 1.6mm Thk

1шт.

10

13001690

HOSE CLAMP,Worm Gear, 30mm/45mm x 9mm W, CST, ZND

1шт.

11

87687002

PIPE

Front

1шт.

From PC Port to Rear Remote Control Valves

1шт.

12

87571078

HYD CONNECTOR,1"-14 x 1"-14 x M18 x 1.5

1шт.

13

83987627

CAP,1-14UN-2A

1шт.

14

47123020

PLUG,Hex

1шт.

Выбрано товаров: 17