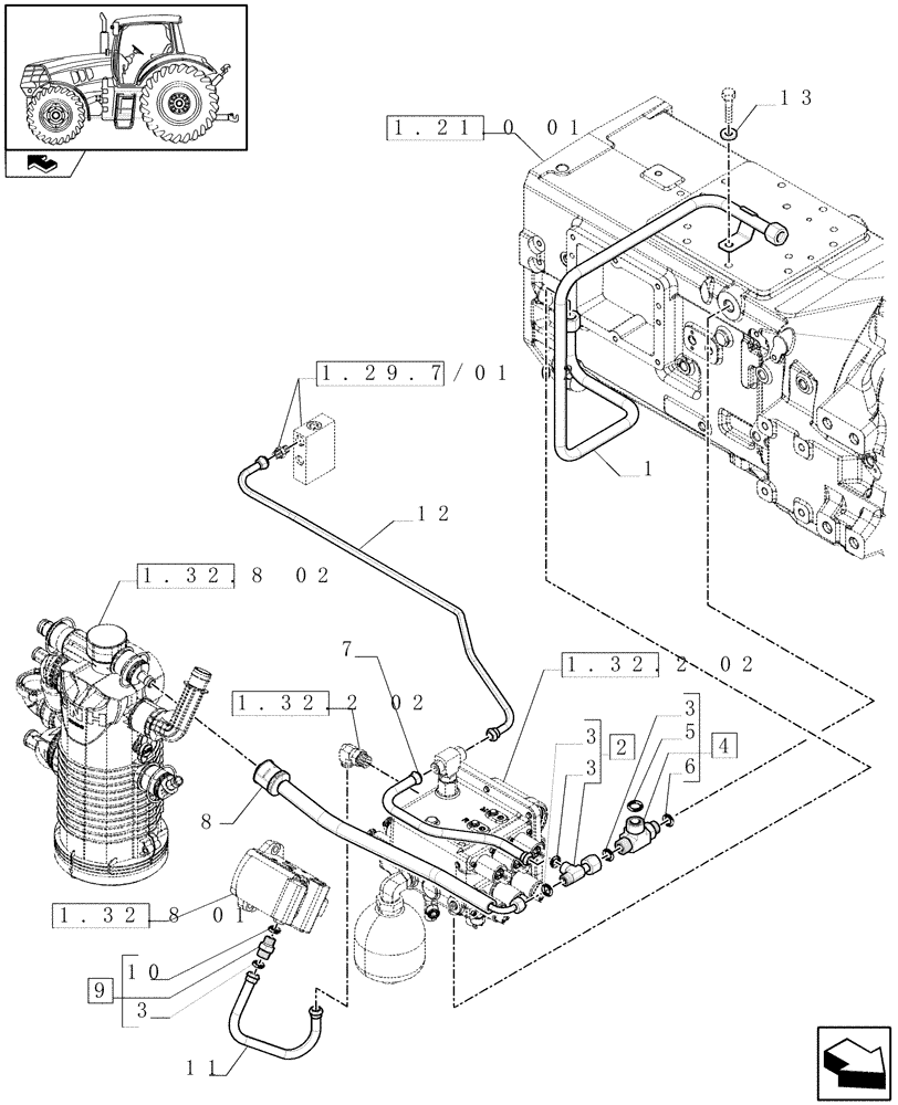
Запчасти Case IH PUMA 155 (1.29.7/01[01]) - REDUCTION UNIT VALVE BLOCK AND OIL COOLER PIPES (03) - TRANSMISSION

Схема запчастей Case IH PUMA 155 - (1.29.7/01[01]) - REDUCTION UNIT VALVE BLOCK AND OIL COOLER PIPES (03) - TRANSMISSION
5
9
2
3
13
1.29.7/01 02
1.32.2 02
1.32.2 02
1.32.8 02
1.32.8 01
1.21.0 01
home
7
4
11
3
12
8
1
3
3
10
6
FIT
1:1
100%

Артикул

Название

Примечание

Количество

1

87519202

PIPE

1шт.

Rear Delivery Pipe to Oil Cooler

1шт.

2

47134655

TEE,1"-14 ORFS x 1"-14 ORFS x 1"-14

1шт.

3

5185512

O-RING,0.07" Thk x 0.614" ID, -16, Cl 6, 90 Duro

4шт.

4

87347550

HYD CONNECTOR,1"14 x 1"3/16 -12 x M22 x 1.5

1шт.

5

5185513

O-RING,1.78mm Thk x 18.77mm ID, 85 Duro

1шт.

6

14438085

O-RING,19.3mm ID x 2.4mm

1шт.

7

87519183

PIPE

1шт.

Oil Cooler Discharge

1шт.

8

87519213

PIPE

Lubrication

1шт.

9

5185046

HYD CONNECTOR,1-14 ORFS x M18 x 1.5 ORB

1шт.

10

14437985

O-RING,15.3mm ID x 2.4mm

1шт.

11

87580026

PIPE

Residual Flow

1шт.

12

87570549

PIPE

Front Lubrication

1шт.

13

14496611

WASHER,10.5mm ID x 21mm OD x 2mm Thk

1шт.

Выбрано товаров: 15