Запчасти Case IH PUMA 155 (SEC. 01[01]) - ENGINE (00) - GENERAL

Схема запчастей Case IH PUMA 155 - (SEC. 01[01]) - ENGINE (00) - GENERAL
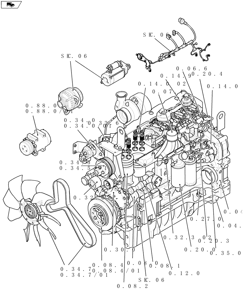
06
.
c
.
0.34.0/01
0.34.0
0.88.0
0.88.0/01
0.32.6
0.32.3 02
0.32.0
0.34.7/01
0.34.7
0.30.0
0.27.0
0.20.4
0.20.3
0.20.0
0.14.9
0.14.0 02
0.14.0 01
0.12.0
0.08.4/01
0.08.4
0.08.2
0.08.1
0.08.0
0.07.1
0.06.6
0.04.2
0.04.0
home
0.35.0
0.34.5/01
0.34.5
06
se
c
06
se
c
se
.
FIT
1:1
100%