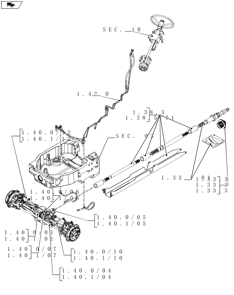
Запчасти Case IH PUMA 155 (SEC. 04) - FRONT AXLE & STEERING (00) - GENERAL

Схема запчастей Case IH PUMA 155 - (SEC. 04) - FRONT AXLE & STEERING (00) - GENERAL
1.40.1/12
1.40.0/12
1.42.0
1.38.5/01
1.38.5
1.40.1/10
1.40.0/10
1.40.1/05
1.40.0/05
1.40.1/04
1.40.0/04
1.40.1/07
1.40.0/07
1.40.1/01
1.40.0/01
1.40.1/06
1.40.0/06
home
1.33.3 04
1.33.3 03
1.33.3 02
sec. 03
sec. 10
1.33.3 01
FIT
1:1
100%