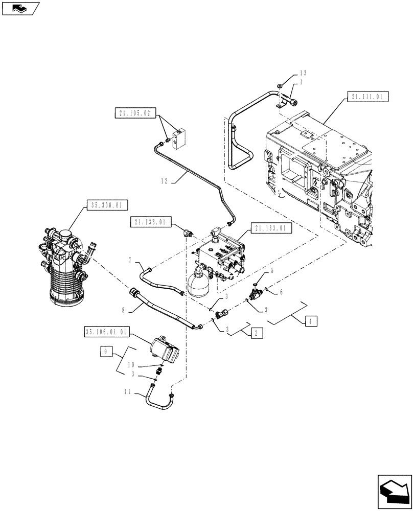
Запчасти Case IH PUMA 160 (21.103.01[01]) - VAR - 390283 - SPS - TRANSMISSION LUBRICATION LINES - C7070 (21) - TRANSMISSION

Схема запчастей Case IH PUMA 160 - (21.103.01[01]) - VAR - 390283 - SPS - TRANSMISSION LUBRICATION LINES - C7070 (21) - TRANSMISSION
35.300.01
35.106.01 01
9
5
4
home
21.105.02
11
2
21.111.01
8
3
3
13
3
1
10
21.133.01
6
12
3
21.133.01
7
FIT
1:1
100%

Артикул

Название

Примечание

Количество

1

84283174

PIPE

Rear Delivery Pipe to Oil Cooler

1шт.

2

47134655

TEE,1"-14 ORFS x 1"-14 ORFS x 1"-14

Incl 3

1шт.

3

5185512

O-RING,0.07" Thk x 0.614" ID, -16, Cl 6, 90 Duro

3шт.

4

87347550

HYD CONNECTOR,1"14 x 1"3/16 -12 x M22 x 1.5

Incl 3, 5, 6

1шт.

5

5185513

O-RING,1.78mm Thk x 18.77mm ID, 85 Duro

1шт.

6

14438085

O-RING,19.3mm ID x 2.4mm

1шт.

7

87519183

PIPE

Oil Cooler Discharge

1шт.

8

87519213

PIPE

Lube

1шт.

9

5185046

HYD CONNECTOR,1-14 ORFS x M18 x 1.5 ORB

Incl 3, 10

1шт.

10

14437985

O-RING,15.3mm ID x 2.4mm

1шт.

11

87580026

PIPE

1шт.

12

87570549

PIPE

Front Lube

1шт.

13

14496611

WASHER,10.5mm ID x 21mm OD x 2mm Thk

1шт.

Выбрано товаров: 13