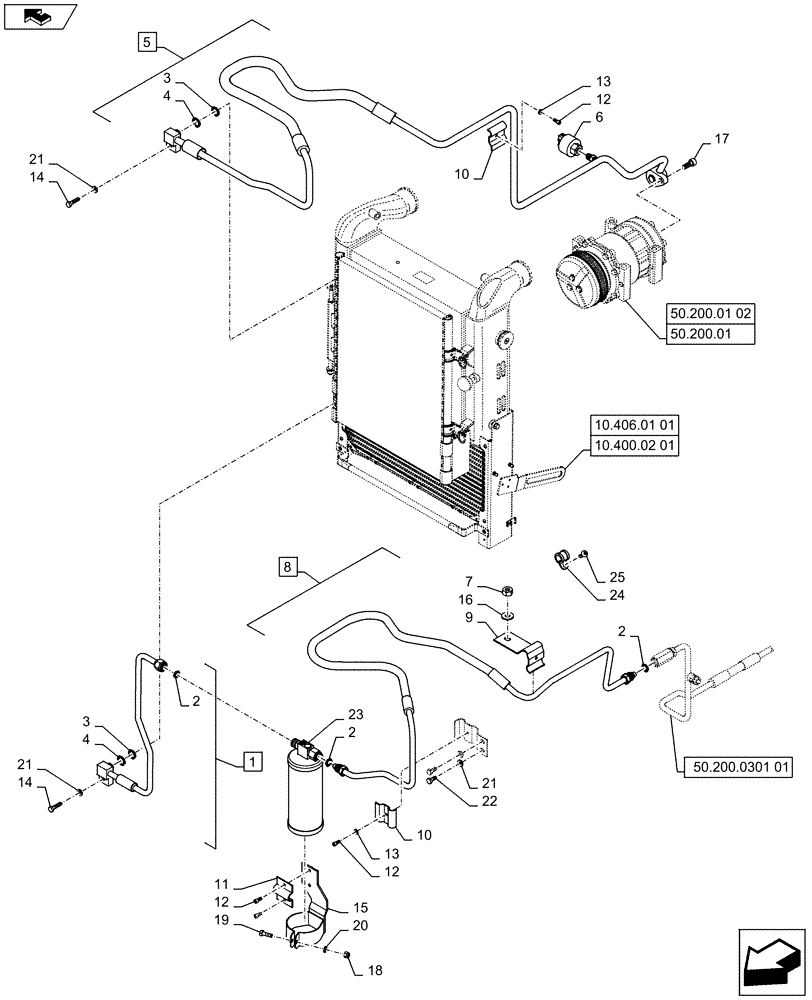
Запчасти Case IH PUMA 160 (50.200.0201[01]) - AIR CONDITIONING SYSTEM PIPES - C7161 (50) - CAB CLIMATE CONTROL

Схема запчастей Case IH PUMA 160 - (50.200.0201[01]) - AIR CONDITIONING SYSTEM PIPES - C7161 (50) - CAB CLIMATE CONTROL
10.406.01 01
12
4
22
12
23
7
9
20
19
25
21
16
home
1
3
14
11
2
10
8
21
2
15
21
14
6
10
24
17
18
3
2
13
13
4
12
50.200.0301 01
5
10.400.02 01
50.200.01 02
50.200.01
FIT
1:1
100%

Артикул

Название

Примечание

Количество

1

87741680

PIPE

Incl 2 - 4

1шт.

2

82000793

O-RING,1.78mm Thk x 7.65mm ID, -11, 70 Duro

3шт.

3

14450683

O-RING,10.8mm ID x 2.4mm Width

2шт.

4

10319183

O-RING,13.1mm ID x 1.6mm Width

2шт.

5

84344984

PIPE

Incl 3, 4

1шт.

6

84233818

PRESSURE SWITCH

Switch A/C High Pressure

1шт.

7

16100814

NUT,M8, Cl 8, DAC

2шт.

8

84344987

PIPE

Incl 2

1шт.

9

84171945

BRACKET

2шт.

10

87653304

BRACKET

2шт.

11

84233849

BRACKET

1шт.

12

14303021

SCREW,M4 x 12mm, Cl 8.8, Full Thd

3шт.

13

10615279

LOCK WASHER,M4, Serr

2шт.

14

86977786

BOLT,Hex, M6 x 1 x 25mm, Cl 8.8

2шт.

15

87750158

BRACKET

1шт.

16

10519604

WASHER,8.15mm ID x 17mm OD x 2mm Thk

1шт.

17

120228

HEX SOC SCREW,M8 x 20mm, Cl 8.8, Full Thd

1шт.

18

12574211

NUT,M6 x 1, Cl 8

1шт.

19

10902424

SCREW,Hex, M6 x 20mm, Cl 8.8, Full Thd

1шт.

20

10516474

LOCK WASHER

1шт.

21

14496401

WASHER,M6.4 x 12.00mm x 1.60mm

4шт.

22

86508568

BOLT,Hex, M6 x 1 x 16mm, Cl 8.8

2шт.

23

47446235

RECEIVER-DRYER

1шт.

24

10441490

COLLAR,14mm, Coat, 7mm Bolt Hole, P Type

1шт.

25

87015756

BOLT,Hex, M4 x 12mm, Cl 8.8, Full Thd

2шт.

Выбрано товаров: 0