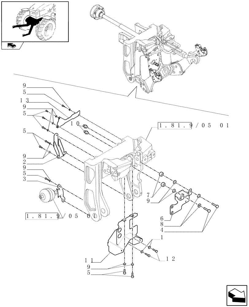
Запчасти Case IH PUMA 165 (1.81.9/05[03]) - (VAR.092) FRONT HPL WITH PTO, LESS AUX. COUPLERS - BRACKETS (07) - HYDRAULIC SYSTEM

Схема запчастей Case IH PUMA 165 - (1.81.9/05[03]) - (VAR.092) FRONT HPL WITH PTO, LESS AUX. COUPLERS - BRACKETS (07) - HYDRAULIC SYSTEM
5
9
5
7
9
10
13
4
5
9
5
6
8
9
12
5
3
11
9
1.81.9/05 01
home
1.81.9/05 01
1
9
2
FIT
1:1
100%

Артикул

Название

Примечание

Количество

1

12646701

WASHER,8.15mm ID x 20mm OD x 2mm Thk

2шт.

2

87644590

COVER

1шт.

3

87645449

BRACKET

1шт.

4

300388

BOLT,Hex, M12 x 1.75 x 25mm, Cl 8.8

2шт.

5

120103

BOLT,M8 x 1.25 x 16mm, Cl 8.8

8шт.

6

87684033

SUPPORT

1шт.

7

9706690

NUT,M8 x 1.25, Cl 8

2шт.

8

13507401

WASHER,12.2mm ID x 20mm OD x 2mm Thk

2шт.

9

14496501

WASHER,8.4mm ID x 17mm OD x 1.6mm Thk

10шт.

10

87687701

HYD CONNECTOR

2шт.

11

87663691

COVER ASSY

1шт.

12

87663694

SELF-TAP SCREW

2шт.

13

87663690

COVER

1шт.

Выбрано товаров: 13